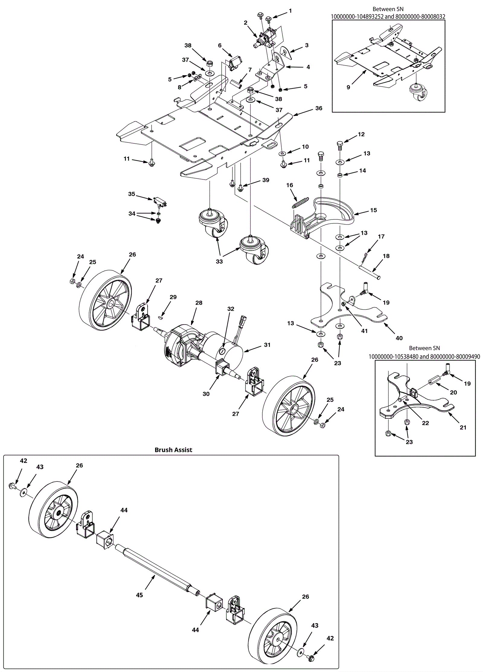
| # | Part | Description | Price | Req | Notes | Availability |
1 |
999-1383
|
Screw M6-1 x 16mm hex head stainless steel |
$3.96
|
2 |
|
ships same day |
2a |
175-7884
|
24V solution solenoid valve assembly |
$167.42
|
1 |
(between SN 10729442-20000000 and SN 30044532-40000000) |
ships same day |
2c |
175-8698
|
Solenoid valve rebuild kit (internal parts) |
$124.19
|
1 |
(before SN 10729442) (between SN 30000000-30044531) |
ships same day |
3 |
175-7885
|
Solution flow operation decal |
$8.80
|
1 |
|
ships same day |
4 |
275-5903
|
Mounting bracket |
$47.63
|
1 |
|
usually ships 10-13 days |
5 |
999-0497
|
Nut M6-1 nylon insert lock stainless steel |
$0.99
|
4 |
|
ships same day |
6 |
175-7883
|
Foot pedal locking bracket |
$58.85
|
1 |
|
usually ships 10-13 days |
7 |
275-5895
|
Plastic trim |
$23.21
|
1 |
|
usually ships 10-13 days |
8 |
999-0335
|
Washer 1/4 x 5/8 SAE flat stainless steel |
$0.99
|
2 |
|
ships same day |
9 |
N/A
|
Not available |
Call for price
|
1 |
(frame weldment) (between SN 10000000-104893252 and SN 80000000-80008032)(replaced by 36) |
usually ships 3-26 days |
10 |
275-7133
|
Washer .34B x 1.25D x .11 flat stainless steel |
$5.50
|
2 |
|
ships same day |
11 |
275-4736
|
Screw M8-1.25 x 20mm hex washer head stainless steel SEMS |
$4.49
|
4 |
|
ships same day |
12 |
999-6696
|
Bolt M12-1.75 x 30mm stainless steel hex cap screw |
$5.19
|
2 |
|
ships same day |
13 |
999-0559
|
Washer 1/2 x 1/4 flat stainless steel |
$0.99
|
7 |
|
ships same day |
14 |
175-7890
|
Sleeved bushing |
$5.28
|
2 |
|
ships same day |
15 |
275-5794
|
Squeegee lifting bracket |
$50.60
|
1 |
|
usually ships 10-13 days |
16 |
275-5897
|
Extension spring |
$8.25
|
1 |
|
usually ships 10-13 days |
17 |
175-2117
|
Cotter pin |
$5.28
|
1 |
|
usually ships 10-13 days |
18 |
175-7892
|
Clevis pin |
$8.69
|
1 |
|
ships same day |
19 |
175-7860
|
Ball joint |
$26.18
|
1 |
|
ships same day |
20 |
175-8826
|
Spacer |
$19.47
|
1 |
(before SN 10538481) (between SN 80000000-80009490) |
usually ships 10-13 days |
21 |
N/A
|
Not available |
Call for price
|
1 |
(before SN 10538481) (between SN 80000000-80009490) (replaced by 36) |
usually ships 3-26 days |
22 |
999-0688
|
Bolt 5/16-18 x 1 1/4 hex head stainless steel |
$0.99
|
1 |
(before SN 10538481) (between SN 80000000-80009490) |
ships same day |
23 |
999-0519
|
Nut M12-1.75 nylon insert lock stainless steel |
$3.85
|
2 |
|
ships same day |
24a |
999-0503
|
Nut M12-1.75 hex stainless steel |
$1.91
|
2 |
(drive) (before SN 80000001) |
ships same day |
25a |
999-0126
|
Washer 1/2 split lock |
$1.28
|
2 |
(drive) (before SN 80000001) |
ships same day |
26a |
175-7894
|
Wheel with spline |
$323.62
|
2 |
(drive) (before sn 80001782) |
ships same day |
26b |
275-5852
|
Wheel with taper |
$157.08
|
2 |
(drive) (after SN 80001781) |
ships same day |
26c |
175-7907
|
Wheel with bearing |
$169.29
|
2 |
(brush assist) |
ships same day |
27 |
275-5900
|
Axle mount |
$16.39
|
2 |
|
usually ships 10-13 days |
28a |
175-7896
|
Transaxle kit with 2 wheels |
$2,728.11
|
2 |
(includes 28b-32) (drive) |
usually ships 10-13 days |
28b |
175-7899
|
Transaxle coupling kit |
$37.40
|
1 |
(drive) |
ships same day |
29 |
275-1448
|
Square keyway |
$4.49
|
2 |
(drive) |
usually ships 10-13 days |
30 |
175-3660
|
Transaxle sleeve |
$11.11
|
2 |
(drive) |
usually ships 10-13 days |
31 |
275-9202
|
24V transaxle motor |
$731.61
|
2 |
(includes 32) (drive) |
usually ships 10-13 days |
32 |
175-7898
|
Carbon brush (pkg of 4) |
$71.50
|
1 |
(drive) |
ships same day |
33a |
175-7887
|
Swivel caster wheel |
$175.34
|
2 |
(before SN 200000001) |
ships same day |
34 |
175-2878
|
Nut 3/8-32 hex switch boot |
$19.80
|
1 |
|
usually ships 10-13 days |
35a |
175-0084
|
Actuator push switch |
$18.92
|
1 |
(before SN 80000001) |
ships same day |
36 |
275-5896
|
Frame weldment |
$498.85
|
1 |
(includes 37-38) |
usually ships 10-13 days |
37 |
999-0559
|
Washer 1/2 x 1/4 flat stainless steel |
$0.99
|
2 |
(between SN 10489353-40000000) (after SN 80008032) |
ships same day |
38 |
999-0519
|
Nut M12-1.75 nylon insert lock stainless steel |
$3.85
|
2 |
(between SN 10489353-40000000) (after SN 80008032) |
ships same day |
39 |
999-1312
|
Screw M6-1 x 20mm hex head stainless steel |
$0.99
|
2 |
|
ships same day |
40 |
275-7547
|
Mounting bracket |
$91.85
|
1 |
(between SN 10489353-4000000) (after SN 80008032) |
usually ships 10-13 days |
41 |
999-0497
|
Nut M6-1 nylon insert lock stainless steel |
$0.99
|
1 |
(between SN 10489353-40000000) (after SN 80008032) |
ships same day |
N/S |
175-7795
|
Cable tie |
$5.15
|
4 |
|
ships same day |