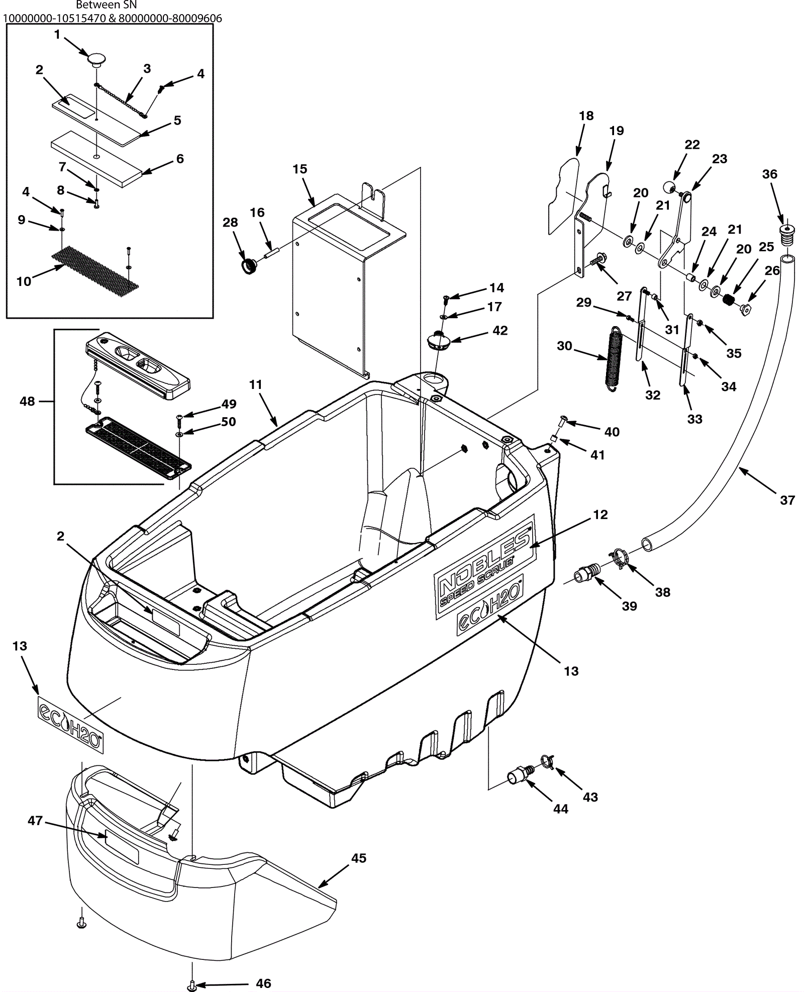
| # | Part | Description | Price | Req | Notes | Availability |
1 |
175-9035
|
Knob |
$7.37
|
1 |
(between SN 10000000-10515470 and SN 80000000-80009606) |
usually ships 10-13 days |
2a |
175-5222
|
Attention users decal (FaST) |
$5.83
|
1 |
(fast) |
usually ships 10-13 days |
2b |
275-5732
|
Attention users decal (ec-H2O) |
$5.50
|
1 |
(ec-H2O) |
usually ships 1-5 days |
3 |
175-5129
|
Ball chain #10 stainless steel |
$5.28
|
1 |
(between SN 10000000-10515470 and SN 80000000-80009606) |
usually ships 10-13 days |
4 |
999-1111
|
Screw 6-32 x 3/4 pan head phillips sheet metal |
$1.43
|
2 |
(qty 3 between SN 10000000-10515470 and SN 80000000-80009606) |
ships same day |
5 |
175-4220
|
Solution fill screen assembly |
$26.73
|
1 |
(between SN 10000000-10515470 and SN 80000000-80009606) |
usually ships 10-13 days |
6 |
N/A
|
Not available |
Call for price
|
1 |
(solution fill cover gasket) (replaced by 5) |
usually ships 3-26 days |
7 |
999-1026
|
Washer #10 internal lock stainless steel |
$0.99
|
1 |
(between SN 10000000-10515470 and SN 80000000-80009606) |
ships same day |
8 |
999-0726
|
Screw 10-32 x 5/8 pan head phillips zinc plated |
$0.99
|
1 |
(between SN 10000000-10515470 and SN 80000000-80009606) |
ships same day |
9 |
999-1158
|
Washer #6 flat stainless steel |
$0.99
|
2 |
|
ships same day |
10 |
N/A
|
Not available |
Call for price
|
1 |
(filter screen) (replaced by 5) |
usually ships 3-26 days |
11 |
475-2698
|
TANK, SOLTN, RM-SPG, AFMTK [SS3] |
$962.72
|
1 |
|
usually ships 10-13 days |
12 |
175-2881
|
Speedscrub side decal |
$13.09
|
2 |
|
ships same day |
13 |
275-7399
|
Ec-H2O decal |
$33.00
|
3 |
(before SN 20000001 and after SN 80002318) |
usually ships 1-5 days |
14 |
999-0531
|
Screw M5-.8 x 16mm pan head slotted zinc |
$0.99
|
1 |
|
ships same day |
15 |
275-5869
|
Charger mounting bracket |
$71.61
|
1 |
|
usually ships 10-13 days |
16 |
175-7843
|
Screw M6-1 x 30mm set stainless steel |
$5.28
|
1 |
|
usually ships 10-13 days |
17 |
999-0998
|
Washer #10 flat stainless steel |
$0.99
|
1 |
|
ships same day |
18 |
175-7809
|
Pressure lever decal |
$43.56
|
1 |
|
usually ships 10-13 days |
19 |
175-7811
|
Lever weldment bracket |
$118.03
|
1 |
|
usually ships 10-13 days |
20 |
175-0939
|
Thrust washer |
$5.50
|
2 |
|
ships same day |
21 |
175-7812
|
Washer flat |
$5.28
|
2 |
|
ships same day |
22 |
175-7813
|
Knob |
$25.52
|
1 |
|
ships same day |
23 |
175-7814
|
Pressure lift lever |
$56.76
|
1 |
|
usually ships 10-13 days |
24 |
175-5070
|
Sleeved bearing |
$5.28
|
1 |
|
usually ships 10-13 days |
25 |
175-7815
|
Compression spring |
$7.37
|
1 |
|
ships same day |
26 |
175-7816
|
Nut M8 x 1.25mm |
$15.73
|
1 |
|
usually ships 10-13 days |
27 |
275-4736
|
Screw M8-1.25 x 20mm hex washer head stainless steel SEMS |
$4.49
|
2 |
|
ships same day |
28 |
175-1384
|
Thumb nut |
$12.10
|
1 |
|
usually ships 10-13 days |
29 |
999-1220
|
Screw M5-.8 x 12mm hex head stainless steel |
$0.99
|
1 |
|
ships same day |
30 |
275-5870
|
Extension spring |
$17.82
|
1 |
|
ships same day |
31 |
175-7819
|
Sleeve bushing |
$5.50
|
1 |
|
usually ships 10-13 days |
32 |
175-7818
|
Right side spring lever weldment |
$31.57
|
1 |
|
usually ships 10-13 days |
33 |
175-7817
|
Left side spring lever weldment |
$25.96
|
1 |
|
usually ships 10-13 days |
34 |
999-0740
|
Nut M5-.8 hex stainless steel |
$0.99
|
1 |
|
ships same day |
35 |
999-0469
|
Nut M6-1 nylon insert lock zinc plated |
$1.32
|
1 |
|
ships same day |
36 |
275-5871
|
Plastic fitting |
$4.49
|
1 |
|
usually ships 10-13 days |
37a |
275-5872
|
Drain hose |
$25.08
|
1 |
(OEM) |
ships same day |
37b |
991-1404
|
Clear vinyl tubing 3/4 inchID x 1 inchOD (sold by the inch) |
$0.28
|
26 in |
(NON-OEM) |
usually ships 10-12 days |
38 |
175-2678
|
Hose clamp |
$5.28
|
1 |
|
usually ships 10-13 days |
39 |
275-8648
|
FITTING, PLSTC, STR, BM12/PM08, NYL (Tennant Industrial) |
$9.84
|
1 |
|
usually ships 10-13 days |
40 |
999-1084
|
Screw M6-1 x 16mm truss head slotted stainless steel |
$1.85
|
1 |
|
ships same day |
41 |
175-0152
|
Spacer |
$5.15
|
1 |
|
usually ships 10-13 days |
42 |
175-7825
|
Solution fill port cap |
$5.28
|
1 |
|
ships same day |
43 |
375-0291
|
Hose clamp |
$5.28
|
1 |
|
ships same day |
44 |
175-8668
|
Plastic fitting |
$6.49
|
1 |
|
usually ships 10-13 days |
45 |
275-5873
|
Head cover |
$308.99
|
1 |
|
usually ships 10-13 days |
46 |
999-1383
|
Screw M6-1 x 16mm hex head stainless steel |
$3.96
|
6 |
|
ships same day |
47 |
275-4732
|
White and black logo decal (OBSOLETE) |
$5.39
|
1 |
|
usually ships 1-5 days |
48 |
175-4220
|
Solution fill screen assembly |
$26.73
|
1 |
(between SN 10515471-40000000 and SN 80008607-90000000) |
usually ships 10-13 days |