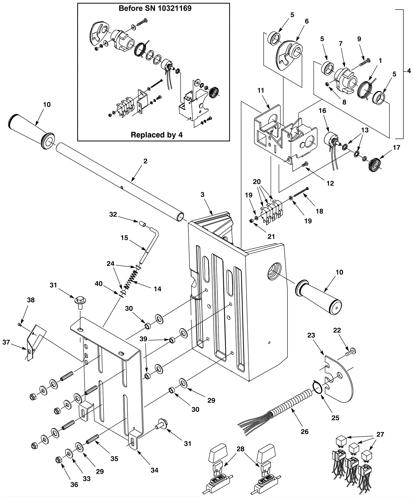
| # | Part | Description | Price | Req | Notes | Availability |
1 |
175-4260
|
Torsion spring |
$7.37
|
1 |
|
usually ships 10-13 days |
2 |
175-4253
|
Handle bar |
$33.55
|
1 |
|
usually ships 10-13 days |
3a |
175-4263
|
Console (teal) (OBSOLETE) |
$161.04
|
1 |
|
usually ships 1-5 days |
3b |
275-5058
|
Console (gray) |
$202.51
|
1 |
|
usually ships 1-5 days |
4 |
175-4259
|
Potentiometer console bracket |
$456.72
|
1 |
(includes 5a, 6-13) |
usually ships 10-13 days |
5a |
475-0806
|
BUSHING, GRIP, THROTTLE [1610] |
$11.55
|
3 |
(after SN 10810182) |
usually ships 10-13 days |
5b |
175-3093
|
Flanged bushing |
$5.28
|
3 |
(between SN 10321169 and SN 10810182) |
usually ships 10-13 days |
6 |
275-5060
|
Cam switch plate |
$115.39
|
1 |
(after SN 10321168) |
usually ships 1-5 days |
7 |
275-5061
|
Hub assembly with gear |
$20.02
|
1 |
(after SN 10321168) |
usually ships 10-13 days |
8 |
999-1308
|
Nut M6-1 hex stainless steel |
$0.99
|
1 |
|
ships same day |
9 |
275-5062
|
Screw M6-1 x 35mm hex head |
$4.49
|
1 |
(after SN 10321168) |
usually ships 10-13 days |
10 |
675-9894
|
Handle grip |
$5.41
|
2 |
|
ships same day |
11 |
275-5063
|
Potentiometer bracket |
$232.76
|
1 |
(after SN 10321168) |
usually ships 1-5 days |
12 |
999-0521
|
Screw M4-.7 x 12mm pan head phillips zinc |
$2.31
|
4 |
|
ships same day |
13 |
999-0201
|
Washer 3/8 internal star lock |
$0.99
|
2 |
|
ships same day |
14 |
175-4256
|
Compression spring |
$5.28
|
1 |
|
usually ships 10-13 days |
15 |
175-4254
|
Adjustment lever |
$15.07
|
1 |
|
usually ships 10-13 days |
16 |
175-4261
|
Potentiometer and wiring assembly |
$146.74
|
1 |
|
ships same day |
17 |
275-5064
|
Toothed gear |
$38.50
|
1 |
|
usually ships 10-13 days |
18 |
999-1166
|
Bolt M3-.5 x 40mm hex head stainless steel |
$9.33
|
2 |
|
ships same day |
19 |
175-1202
|
Flat washer |
$4.22
|
4 |
|
usually ships 10-13 days |
20 |
175-4273
|
Switch |
$15.84
|
3 |
|
ships same day |
21 |
999-1161
|
Nut M3-.5 hex nylock stainless steel |
$0.99
|
2 |
|
ships same day |
22 |
999-1084
|
Screw M6-1 x 16mm truss head slotted stainless steel |
$1.85
|
2 |
|
ships same day |
23 |
175-4277
|
Wiring harness retainer |
$25.74
|
1 |
|
usually ships 1-5 days |
24 |
175-4255
|
Flanged bushing |
$5.28
|
2 |
|
usually ships 10-13 days |
25 |
175-7795
|
Cable tie |
$5.15
|
4 |
|
ships same day |
26a |
175-8796
|
24V main wiring harness |
$874.06
|
1 |
(after SN 10243220) (includes 27-28) |
usually ships 1-5 days |
26b |
175-8797
|
24V main wiring harness |
$1,679.92
|
1 |
(before SN 10243221) (includes 27-28) |
usually ships 1-5 days |
27 |
175-8635
|
40amp relay |
$31.35
|
3 |
|
ships same day |
28 |
375-0043
|
35amp fuse |
$3.43
|
2 |
|
usually ships 10-13 days |
29 |
999-0566
|
Washer 1/2 flat nylon |
$0.99
|
8 |
|
ships same day |
30 |
175-4269
|
Bearing |
$5.28
|
2 |
|
usually ships 10-13 days |
31 |
275-4736
|
Screw M8-1.25 x 20mm hex washer head stainless steel SEMS |
$4.49
|
4 |
|
ships same day |
32 |
175-4278
|
Cap |
$4.49
|
1 |
|
usually ships 10-13 days |
33 |
999-0024
|
Washer 5/16 flat stainless steel |
$1.34
|
4 |
|
ships same day |
34 |
175-4272
|
Sliding plate |
$86.79
|
1 |
|
usually ships 1-5 days |
35 |
175-4271
|
Screw M8 x 35mm set |
$5.28
|
4 |
|
usually ships 10-13 days |
36 |
999-0471
|
Nut M8-1.25 nylon insert lock zinc plated |
$0.99
|
4 |
|
ships same day |
37 |
175-4250
|
Retainer plate |
$11.11
|
1 |
|
usually ships 10-13 days |
38 |
175-4251
|
Screw M4 x 8mm flat head phillips |
$4.36
|
2 |
|
usually ships 10-13 days |
39 |
175-4270
|
Bearing |
$5.28
|
2 |
|
usually ships 10-13 days |
40 |
175-4252
|
Retaining ring |
$5.28
|
1 |
|
usually ships 10-13 days |