| # | Part | Description | Price | Req | Notes | Availability |
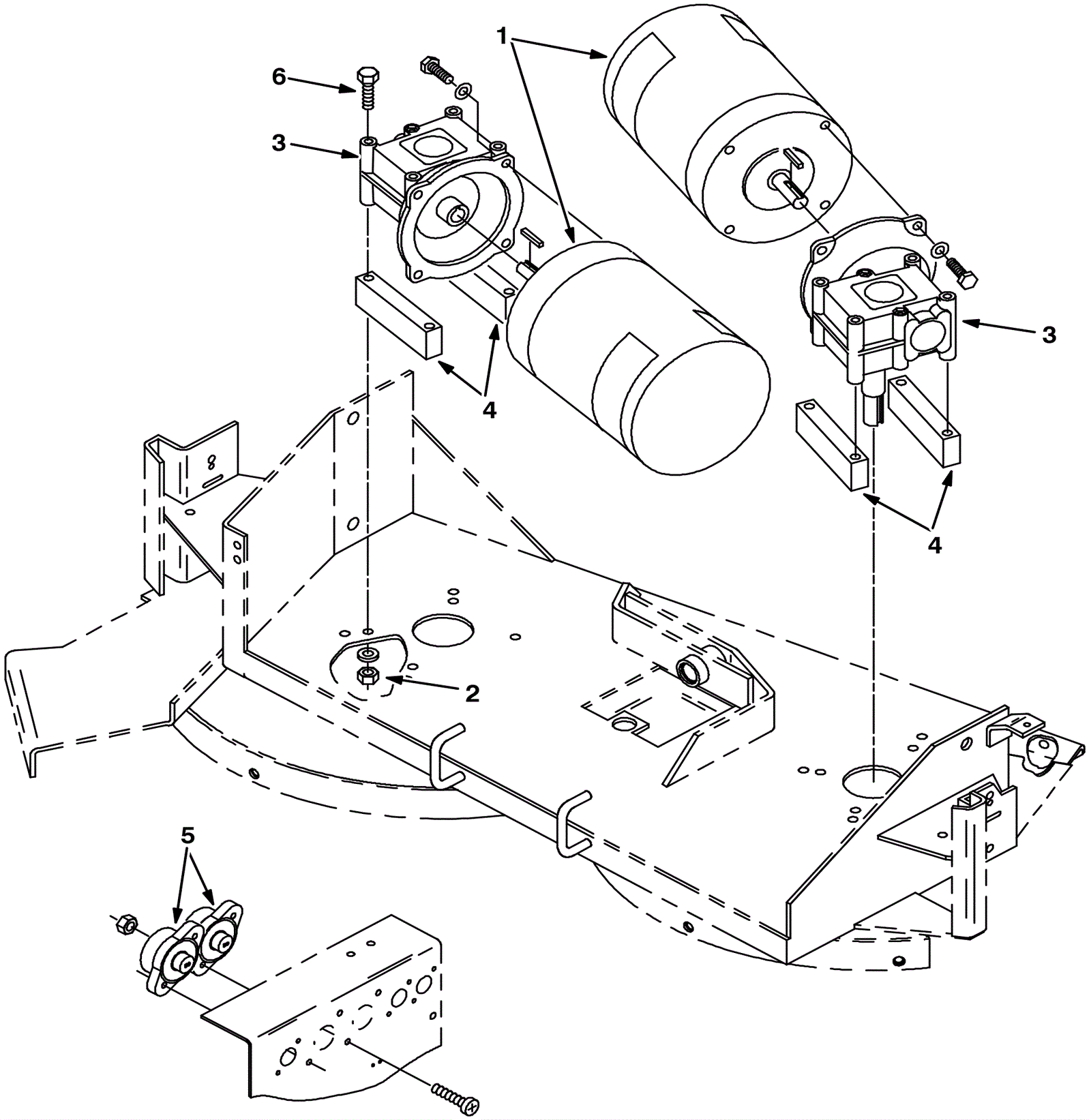
1a |
N/A
|
Not available |
Call for price
|
1 |
(includes 1b) (heavy duty motor kit) |
usually ships 3-26 days |
1b |
275-4273
|
Motor (OBSOLETE) |
$649.00
|
2 |
|
usually ships 1-5 days |
2 |
999-0496
|
Nut M8-1.25 nylon insert lock stainless steel |
$1.98
|
8 |
|
ships same day |
3a |
275-4362
|
GEARBOX KIT, BRUSH, REPLMT [MAX1000] (OBSOLETE) |
$1,462.92
|
2 |
(includes 3b-3g) |
usually ships 10-13 days |
3b |
N/A
|
Not available |
Call for price
|
4 |
(bearing) |
usually ships 3-26 days |
3c |
N/A
|
Not available |
Call for price
|
1 |
(input oil seal) |
usually ships 3-26 days |
3d |
N/A
|
Not available |
Call for price
|
1 |
(output oil seal) |
usually ships 3-26 days |
3e |
N/A
|
Not available |
Call for price
|
2 |
(plug) |
usually ships 3-26 days |
3f |
N/A
|
Not available |
Call for price
|
1 |
(synthetic lubricant) |
usually ships 3-26 days |
3g |
275-4362
|
GEARBOX KIT, BRUSH, REPLMT [MAX1000] (OBSOLETE) |
$1,462.92
|
1 |
|
usually ships 10-13 days |
4 |
N/A
|
Not available |
Call for price
|
4 |
(gearbox spacer) |
usually ships 3-26 days |
5 |
175-9141
|
Resetable circuitbreaker 50 amp |
$84.81
|
2 |
|
usually ships 10-13 days |
6 |
175-0723
|
SCREW, HEX, M8 X 1.25 X 160, 8.8 (Tennant Industrial) |
$19.67
|
8 |
|
usually ships 1-5 days |