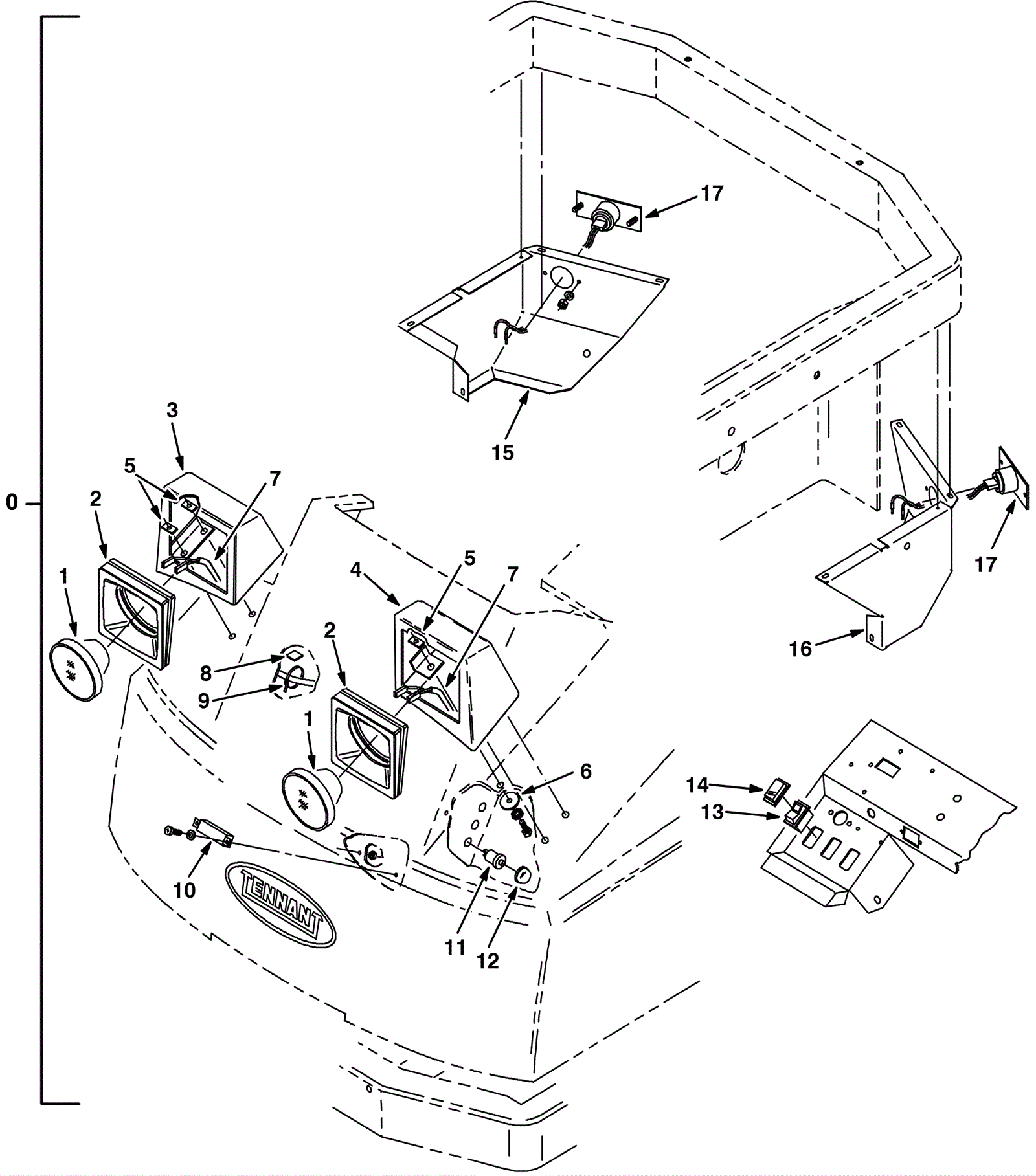
| # | Part | Description | Price | Req | Notes | Availability |
0 |
N/A
|
Not available |
Call for price
|
1 |
(includes 1-17c) (head and tail lights) |
usually ships 3-26 days |
1 |
275-4235
|
HEADLIGHT, 36VDC, 60WATT 1.7A (Tennant Industrial) |
$65.97
|
2 |
|
usually ships 1-5 days |
2 |
275-4236
|
BRACKET, MTG, HEADLIGHT (Tennant Industrial) |
$212.59
|
2 |
|
usually ships 1-5 days |
3 |
N/A
|
Not available |
Call for price
|
1 |
(right hand headlight housing) |
usually ships 3-26 days |
4 |
N/A
|
Not available |
Call for price
|
1 |
(left hand headlight housing) |
usually ships 3-26 days |
5 |
175-6877
|
NUT, U, M6 X 1.00 (Tennant Industrial) |
$5.33
|
6 |
|
usually ships 1-5 days |
6 |
999-1288
|
Washer 1/4 x 1 OD fender stainless steel |
$0.99
|
6 |
|
ships same day |
7 |
N/A
|
Not available |
Call for price
|
2 |
(headlight wire harness) |
usually ships 3-26 days |
8 |
175-3233
|
Cable tie mount |
$4.62
|
4 |
|
usually ships 1-5 days |
9 |
175-2162
|
Nylon wire tie |
$3.30
|
4 |
|
usually ships 10-13 days |
10 |
175-0851
|
RESISTOR, 040.000HM, 0040WATT (Tennant Industrial) |
$56.51
|
1 |
|
usually ships 1-5 days |
11 |
475-3338
|
CIRCUITBREAKER KIT, 15A, REPLMT |
$19.80
|
1 |
|
usually ships 10-13 days |
12 |
375-4772
|
Circuit breaker boot (OBSOLETE) |
Call for price
|
1 |
|
usually ships 10-13 days |
13 |
175-9945
|
Rocker switch spst |
$22.88
|
1 |
|
usually ships 1-5 days |
14 |
175-9946
|
Rocker switch seal cover |
$19.47
|
1 |
|
usually ships 10-13 days |
15 |
275-4239
|
Right side rear skirt frame (Tennant Industrial) (OBSOLETE) |
$118.53
|
1 |
|
usually ships 1-5 days |
16 |
N/A
|
Not available |
Call for price
|
1 |
(left hand rear frame skirt) |
usually ships 3-26 days |
17a |
675-0389
|
TAILLIGHT, 12VDC, 3.6 X 1.9, RWK 1075205 (Tennant Industrial |
$192.21
|
2 |
(includes 17b-17c) |
usually ships 10-13 days |
17b |
175-0526
|
LAMP, 12VDC, 0.3A, 02CP [#194] (Tennant Industrial) |
$13.67
|
1 |
|
usually ships 1-5 days |
17c |
175-0527
|
LAMPHOLDER (Tennant Industrial) |
$37.01
|
1 |
|
usually ships 1-5 days |