| # | Part | Description | Price | Req | Notes | Availability |
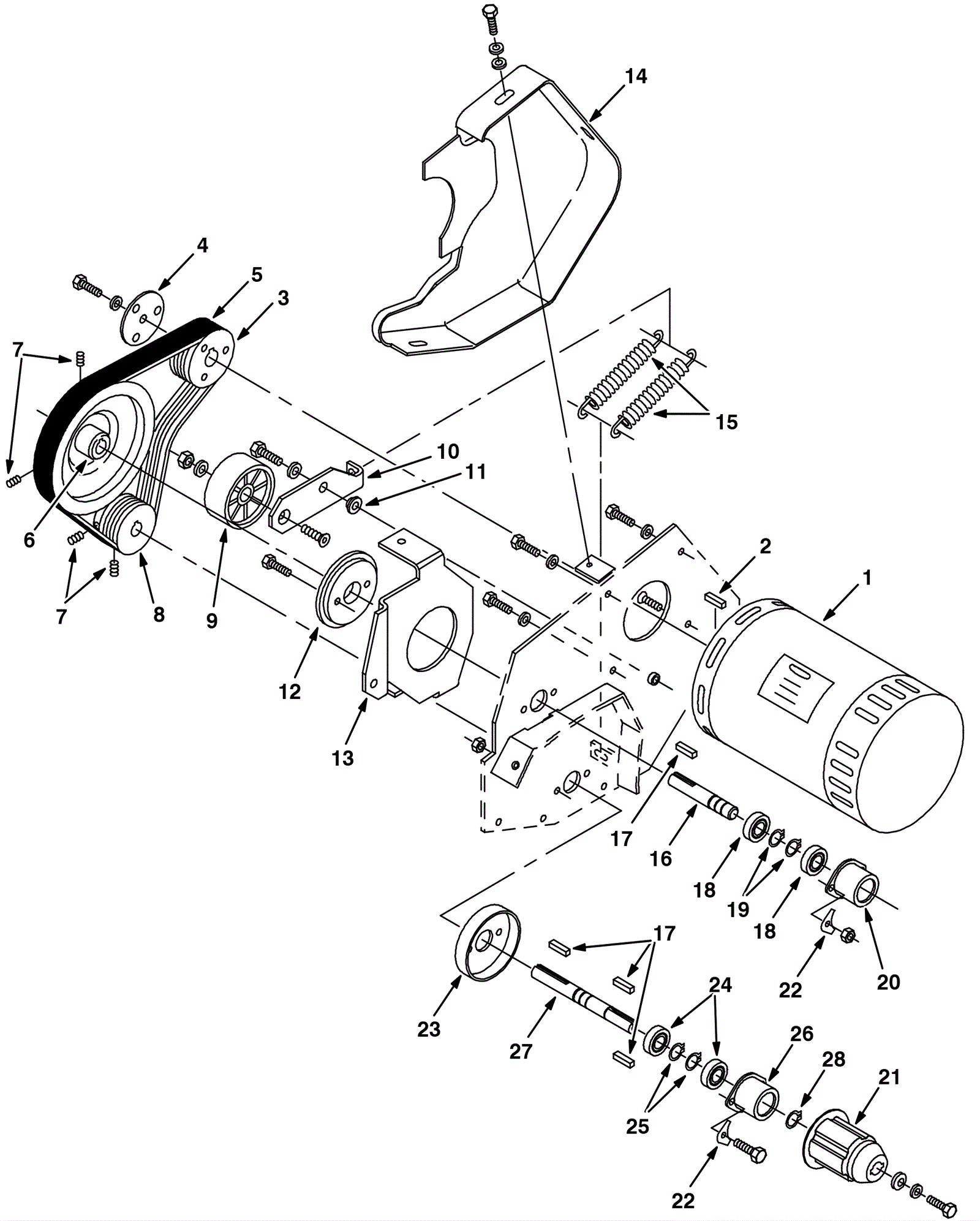
1 |
375-3138
|
36V brush motor (Tennant Industrial) |
$2,523.37
|
1 |
(motor) |
usually ships 10-13 days |
2 |
175-5356
|
Square keyway |
$4.49
|
1 |
|
ships same day |
3 |
N/A
|
Not available |
Call for price
|
1 |
(poly-v sheave) |
usually ships 3-26 days |
4 |
N/A
|
Not available |
Call for price
|
1 |
(sheave mounting plate) |
usually ships 3-26 days |
5 |
275-8936
|
BELT, RIBBED, 33.0L [J10] (Tennant Industrial) (OBSOLETE) |
$56.95
|
1 |
|
usually ships 10-13 days |
6 |
N/A
|
Not available |
Call for price
|
1 |
(sheave) |
usually ships 3-26 days |
7 |
N/A
|
Not available |
Call for price
|
4 |
(set screw) |
usually ships 3-26 days |
8 |
N/A
|
Not available |
Call for price
|
1 |
(poly-v sheave) |
usually ships 3-26 days |
9 |
275-8940
|
SHEAVE, FLAT, 2.9D 1.22W 0.39BRG (Tennant Industrial) |
$145.03
|
1 |
|
usually ships 10-13 days |
10 |
N/A
|
Not available |
Call for price
|
1 |
(idler arm) |
usually ships 3-26 days |
11 |
175-9165
|
Bushing |
$10.78
|
1 |
|
usually ships 1-5 days |
12 |
N/A
|
Not available |
Call for price
|
1 |
(pivot plate) |
usually ships 3-26 days |
13 |
N/A
|
Not available |
Call for price
|
1 |
(mounting bracket) |
usually ships 3-26 days |
14 |
N/A
|
Not available |
Call for price
|
1 |
(belt cover) |
usually ships 3-26 days |
15 |
175-6921
|
Extension spring |
$12.10
|
2 |
|
usually ships 10-13 days |
16 |
N/A
|
Not available |
Call for price
|
1 |
(side brush idler shaft) |
usually ships 3-26 days |
17 |
175-3200
|
Square keyway |
$4.49
|
4 |
|
ships same day |
18 |
175-2471
|
Ball bearing |
$20.68
|
2 |
|
ships same day |
19 |
175-2472
|
Retaining ring |
$3.30
|
2 |
|
usually ships 10-13 days |
20 |
175-8950
|
2 Hole flange bushing assembly |
$18.37
|
1 |
|
usually ships 1-5 days |
21 |
275-0098
|
PLUG, DRIVE, BRUSH, NYL (Tennant Industrial) |
$32.51
|
1 |
|
usually ships 10-13 days |
22 |
275-0096
|
PLATE, HOLD-DOWN (Tennant Industrial) |
$13.84
|
4 |
|
usually ships 1-5 days |
23 |
275-0095
|
SHIELD, PLUG, DRIVE (Tennant Industrial) |
$108.36
|
1 |
|
usually ships 10-13 days |
24a |
275-0091
|
BEARING ASSY, W/ SHAFT (Tennant Industrial) |
$543.08
|
1 |
(includes 24b-28) |
usually ships 10-13 days |
24b |
175-2471
|
Ball bearing |
$20.68
|
2 |
|
ships same day |
25 |
175-2472
|
Retaining ring |
$3.30
|
2 |
|
usually ships 10-13 days |
26 |
175-8950
|
2 Hole flange bushing assembly |
$18.37
|
1 |
|
usually ships 1-5 days |
27 |
275-8946
|
sHAFT, DRIVE, BRUSH, MAIN (Tennant Industrial) |
$594.62
|
1 |
|
usually ships 1-5 days |
28 |
275-8947
|
RING, RETAINING, EXT, 0.59D, BASIC (Tennant Industrial) |
$6.67
|
1 |
|
usually ships 1-5 days |