510E
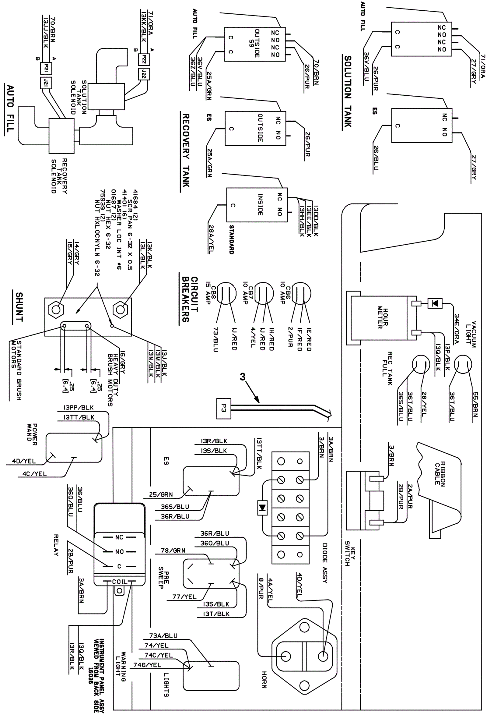
Wire Harness Assembly - 4
Click to enlarge
#
Part
Description
Price
Req
Notes
Availability
3
N/A
Not available
Call for price
1
(dash wire harness)
usually ships 3-26 days