| # | Part | Description | Price | Req | Notes | Availability |
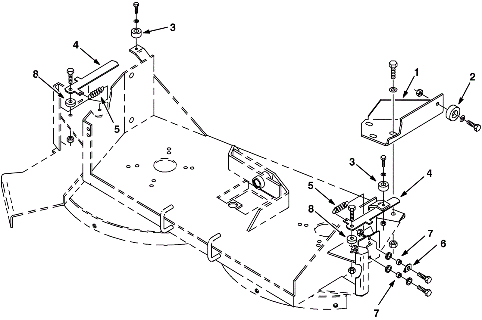
1 |
275-8345
|
BRACKET, STOP, FRAME (Tennant Industrial) |
$476.10
|
1 |
|
usually ships 1-5 days |
2 |
175-0733
|
BUMPER, PYE, 1.50D 0.56TH 0.33H (Tennant Industrial) |
$27.53
|
1 |
|
ships same day |
3 |
275-2163
|
BUMPER, RBR, 1.0D 0.50TH 0.22H (Tennant Industrial) |
$9.50
|
2 |
|
usually ships 1-5 days |
4 |
N/A
|
Not available |
Call for price
|
2 |
(stop lever) |
usually ships 3-26 days |
5 |
275-1997
|
SPRING, EXTN, 0.96OD 0.05WIR 01.4L (Tennant Industrial) |
$12.50
|
2 |
|
usually ships 1-5 days |
6 |
N/A
|
Not available |
Call for price
|
2 |
(squeegee guide) |
usually ships 3-26 days |
7 |
N/A
|
Not available |
Call for price
|
4 |
(tube) |
usually ships 3-26 days |
8 |
N/A
|
Not available |
Call for price
|
2 |
(tube) |
usually ships 3-26 days |