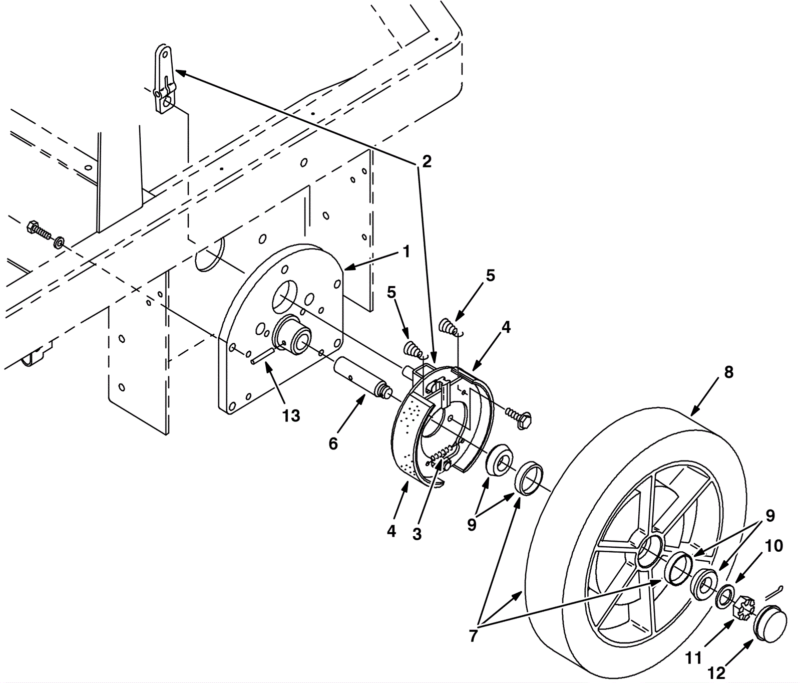
| # | Part | Description | Price | Req | Notes | Availability |
1 |
N/A
|
Not available |
Call for price
|
2 |
(axle mount) |
usually ships 3-26 days |
2a |
N/A
|
Not available |
Call for price
|
2 |
(includes 2b-5) (brake assembly) |
usually ships 3-26 days |
2b |
N/A
|
Not available |
Call for price
|
1 |
(includes 3-5) (brake shoe and spring kit) |
usually ships 3-26 days |
3 |
N/A
|
Not available |
Call for price
|
1 |
(return spring) |
usually ships 3-26 days |
4 |
N/A
|
Not available |
Call for price
|
2 |
(shoe and lining assembly) |
usually ships 3-26 days |
5 |
N/A
|
Not available |
Call for price
|
2 |
(hold down spring) |
usually ships 3-26 days |
6 |
N/A
|
Not available |
Call for price
|
2 |
(axle stud) |
usually ships 3-26 days |
7 |
275-8842
|
TIRE ASSY, SOLID, 16.0 X 3.5 2.00B (Tennant Industrial) |
$1,090.51
|
2 |
|
usually ships 1-5 days |
8 |
275-2031
|
TIRE, SOLID, 16.0 X 3.5 X 12.1 (Tennant Industrial) |
$723.11
|
1 |
|
usually ships 1-5 days |
9 |
275-8843
|
BEARING, CUP, CONE (Tennant Industrial) |
$76.65
|
4 |
|
usually ships 1-5 days |
10 |
275-8844
|
WASHER, FLAT, 0.77B 1.24D .07, STL, PL (Tennant Industrial) |
$10.67
|
2 |
|
usually ships 1-5 days |
11 |
275-2039
|
NUT, HEX, SLTD, .75-16 (Tennant Industrial) |
$13.50
|
2 |
|
usually ships 1-5 days |
12 |
275-8845
|
CAP, HUB, DUST, 1.99D 0.66L (Tennant Industrial) |
$258.85
|
2 |
|
usually ships 1-5 days |
13 |
175-9273
|
Roll pin |
$4.49
|
2 |
|
usually ships 10-13 days |