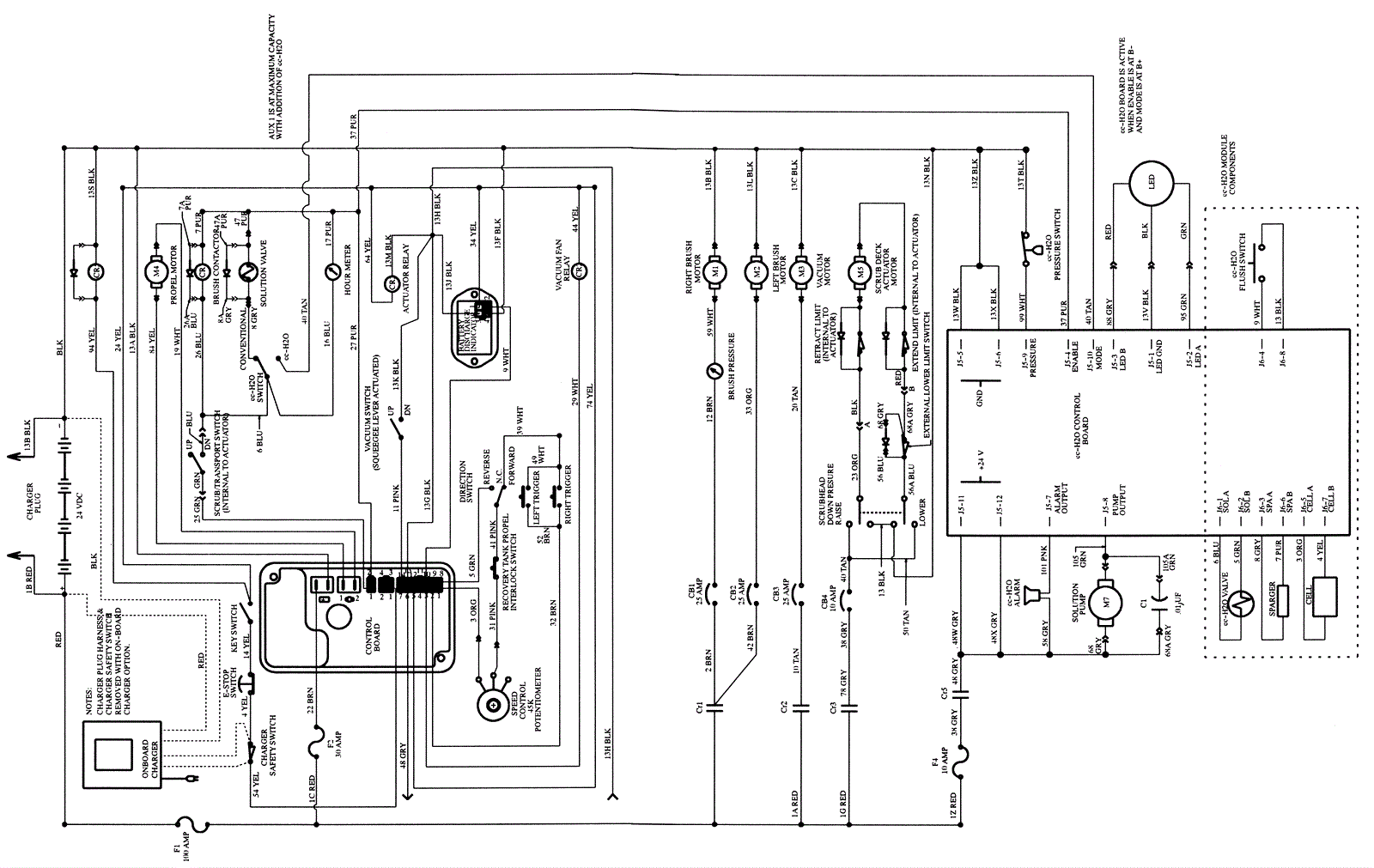
Electrical Diagram - ecH20 Model
Click to enlarge