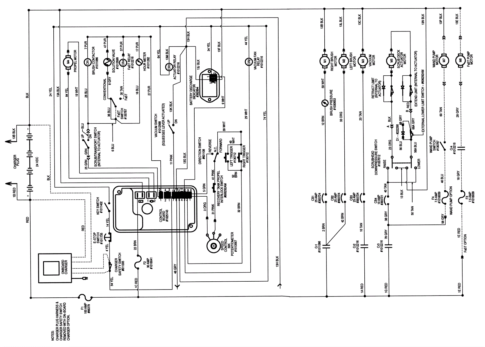
Electrical Diagram - Standard and FaST Models
Click to enlarge