| # | Part | Description | Price | Req | Notes | Availability |
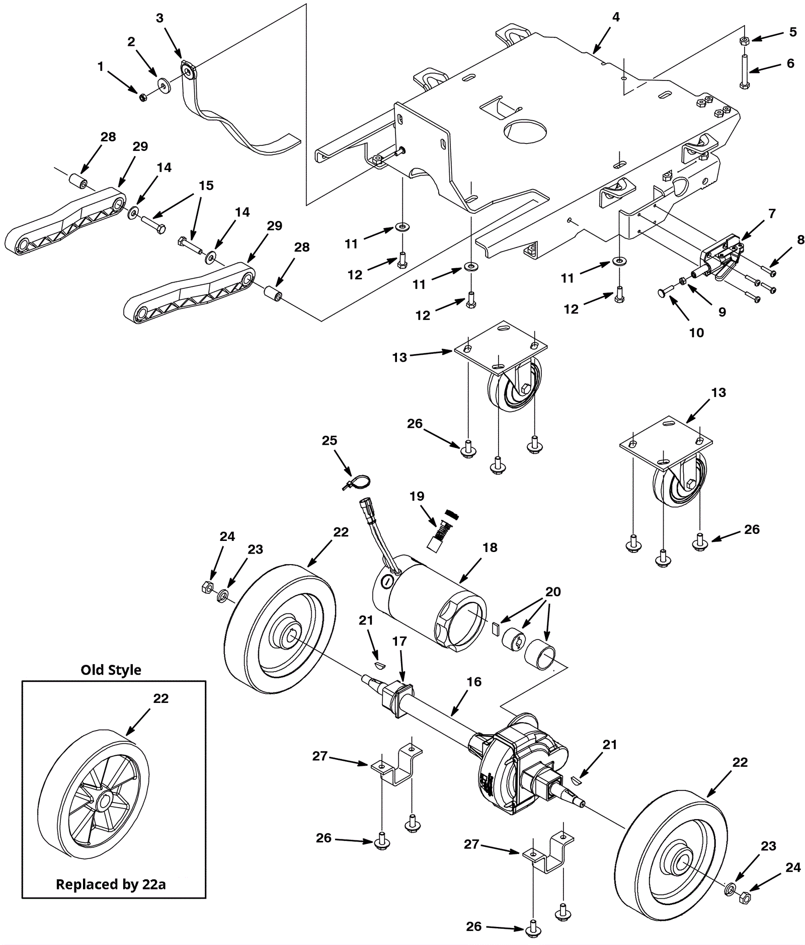
1 |
999-0497
|
Nut M6-1 nylon insert lock stainless steel |
$0.99
|
1 |
|
ships same day |
2 |
175-1097
|
Washer flat stainless steel |
$5.50
|
1 |
|
usually ships 10-13 days |
3 |
275-1440
|
Static strap |
$45.65
|
1 |
|
ships same day |
4 |
275-1441
|
Transaxle frame weldment |
$820.93
|
1 |
|
ships same day |
5 |
999-1424
|
Nut M8-1.25 hex stainless steel |
$1.65
|
1 |
|
ships same day |
6 |
999-0788
|
Screw M8-1.25 x 55mm hex head stainless steel |
$2.40
|
1 |
|
ships same day |
7 |
275-1442
|
Parking brake clamp |
$101.75
|
1 |
|
ships same day |
8 |
175-3289
|
Bolt M5-.8 x 16mm hex head |
$5.28
|
4 |
|
usually ships 10-13 days |
9 |
999-1308
|
Nut M6-1 hex stainless steel |
$0.99
|
1 |
|
ships same day |
10 |
275-1444
|
Screw M6 x 25mm stainless steel |
$5.83
|
1 |
|
usually ships 10-13 days |
11 |
275-7133
|
Washer .34B x 1.25D x .11 flat stainless steel |
$5.50
|
5 |
|
ships same day |
12 |
999-0499
|
Bolt M8-1.25 x 20mm hex head full thread stainless steel |
$1.85
|
5 |
|
ships same day |
13 |
175-2991
|
4 inch caster wheel |
$67.71
|
2 |
|
ships same day |
14 |
999-0355
|
Washer 3/8 x 7/8 SAE flat stainless steel |
$0.99
|
2 |
|
ships same day |
15 |
999-0787
|
Bolt M8-1.25 x 40mm hex head full thread stainless steel |
$2.48
|
2 |
|
ships same day |
16 |
275-1446
|
24V transaxle |
$2,390.33
|
1 |
(includes 17-21) |
ships same day |
17 |
175-3660
|
Transaxle sleeve |
$11.11
|
2 |
|
usually ships 10-13 days |
18 |
275-1447
|
24V transaxle motor |
$682.44
|
1 |
(includes 19) |
ships same day |
19 |
175-7898
|
Carbon brush (pkg of 4) |
$71.50
|
1 |
|
usually ships 10-13 days |
20 |
175-7899
|
Transaxle coupling kit |
$37.40
|
1 |
|
ships same day |
21 |
275-1448
|
Square keyway |
$4.49
|
2 |
|
usually ships 10-13 days |
22a |
275-5301
|
Solid wheel kit |
$386.54
|
1 |
(includes 22b) |
usually ships 10-13 days |
22b |
275-1449
|
Wheel with taper |
$180.40
|
2 |
|
ships same day |
23 |
999-0126
|
Washer 1/2 split lock |
$1.28
|
2 |
|
ships same day |
24 |
999-0503
|
Nut M12-1.75 hex stainless steel |
$1.91
|
2 |
|
usually ships 16-20 days |
25 |
175-7795
|
Cable tie |
$5.15
|
4 |
|
ships same day |
26 |
275-4736
|
Screw M8-1.25 x 20mm hex washer head stainless steel SEMS |
$4.49
|
12 |
|
ships same day |
27 |
175-4349
|
Transaxle bracket |
$40.15
|
2 |
|
usually ships 10-13 days |
28 |
175-4343
|
1 inch tube |
$7.04
|
2 |
|
ships same day |
29 |
175-2102
|
Scrub head lifting arm |
$53.46
|
2 |
|
usually ships 10-13 days |