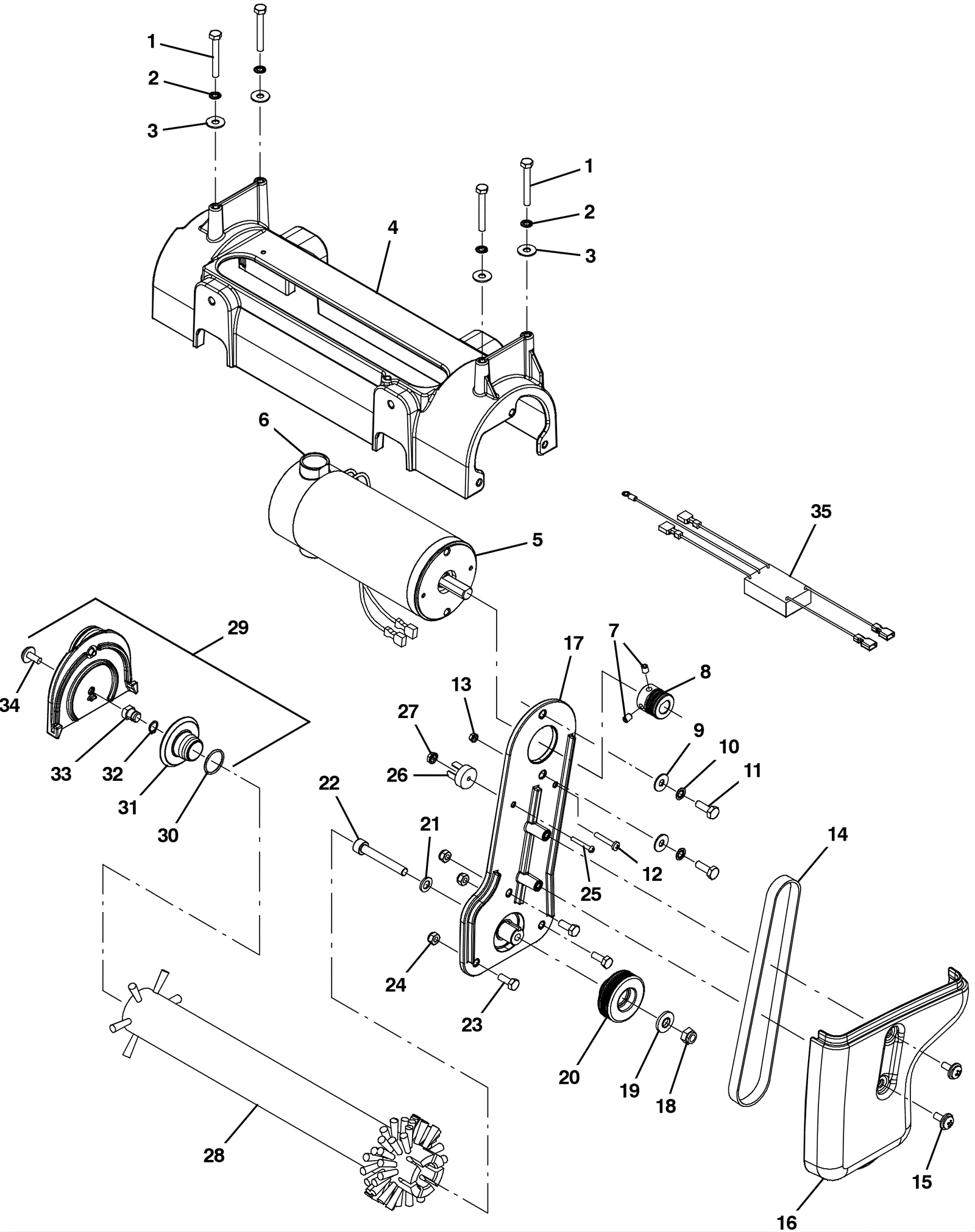
| # | Part | Description | Price | Req | Notes | Availability |
1 |
999-0781
|
Screw M6-1 x 45mm hex head |
$0.99
|
4 |
|
ships same day |
2 |
999-6678
|
Washer M6 nord lock |
$8.53
|
4 |
|
ships same day |
3 |
999-0335
|
Washer 1/4 x 5/8 SAE flat stainless steel |
$0.99
|
4 |
|
ships same day |
4 |
275-2401
|
Brush housing |
$234.63
|
1 |
|
usually ships 10-13 days |
5a |
275-2402
|
120V brush motor |
$478.72
|
1 |
(includes 6) (120V) (after SN 60018568) |
ships same day |
5b |
475-2728
|
MOTOR KIT, SHEAVES, 115VDC [T1] |
$1,004.74
|
1 |
(includes 6) (120V) (after SN 60012391) |
usually ships 10-13 days |
5c |
475-2507
|
MOTOR, ELE, 230VDC 2000RPM .33HP |
$461.89
|
1 |
(includes 6) (230V) |
usually ships 10-13 days |
6 |
275-9190
|
Carbon brush (pkg of 2) |
$33.11
|
2 |
|
ships same day |
7 |
999-1323
|
Screw M6-1 x 80mm socket head stainless steel |
$6.41
|
2 |
|
usually ships 1-5 days |
8a |
275-6822
|
Sheave |
$36.52
|
1 |
(after SN 60012390) |
usually ships 10-13 days |
8b |
475-2346
|
SHEAVE KIT, COVER [T1] |
$283.58
|
1 |
(before SN 60012391) |
usually ships 10-13 days |
9 |
999-0335
|
Washer 1/4 x 5/8 SAE flat stainless steel |
$0.99
|
2 |
|
ships same day |
10 |
999-6678
|
Washer M6 nord lock |
$8.53
|
2 |
|
ships same day |
11 |
275-2405
|
Screw 1/4-20 x 3/4 hex head |
$12.65
|
2 |
|
usually ships 10-13 days |
12 |
999-1673
|
Screw M4-.7 x 25mm pan head phillips stainless steel |
$0.99
|
1 |
|
ships same day |
13 |
175-4290
|
Nut M4 x .70mm hex |
$3.17
|
1 |
|
usually ships 1-5 days |
14 |
275-9126
|
Belt |
$70.62
|
1 |
|
usually ships 10-13 days |
15 |
999-1084
|
Screw M6-1 x 16mm truss head slotted stainless steel |
$1.85
|
2 |
|
ships same day |
16 |
275-2407
|
Belt cover |
$24.86
|
1 |
|
usually ships 10-13 days |
17a |
275-6823
|
Motor mount bracket kit |
$112.64
|
1 |
(includes 18-20a, 21-22) (after SN 60012390) |
usually ships 10-13 days |
17b |
475-2205
|
BRACKET KIT, MOUNT, MOTOR, W/ BRG [T1] |
$232.76
|
1 |
(before SN 60012391) (includes 18-19, 20b-22) |
usually ships 10-13 days |
18 |
999-0496
|
Nut M8-1.25 nylon insert lock stainless steel |
$1.98
|
1 |
|
ships same day |
19 |
999-1407
|
Washer 5/16 belleville |
$3.04
|
1 |
|
ships same day |
20a |
275-9195
|
Sheave |
$5.28
|
1 |
(after SN 60012390) |
usually ships 10-13 days |
20b |
475-2346
|
SHEAVE KIT, COVER [T1] |
$283.58
|
1 |
(before SN 60012391) |
usually ships 10-13 days |
21 |
275-6722
|
Washer flat |
$1.98
|
1 |
|
usually ships 10-13 days |
22 |
999-1828
|
Screw M8-1.25 x 55mm socket head stainless steel |
$4.54
|
1 |
|
ships same day |
23 |
999-0507
|
Bolt M6-1 x 16mm hex head full thread plain finish |
$0.99
|
3 |
|
ships same day |
24 |
999-0497
|
Nut M6-1 nylon insert lock stainless steel |
$0.99
|
3 |
|
ships same day |
25 |
999-0102
|
Screw 6-32 x 1 round head slotted zinc plated |
$0.99
|
1 |
|
ships same day |
26 |
175-4009
|
Rectifier |
$35.97
|
1 |
|
usually ships 10-13 days |
27 |
999-0227
|
Nut 6-32 hex nylon insert lock jam zinc plated |
$0.99
|
1 |
|
ships same day |
28a |
275-9141
|
15 inch nylon criss-cross scrubbing brush - CYLINDRICAL |
$237.82
|
1 |
|
usually ships 10-13 days |
28b |
275-5823
|
15 inch polypropylene scrubbing brush - CYLINDRICAL |
$283.14
|
1 |
|
usually ships 10-13 days |
28c |
275-2420
|
15 inch abrasive criss-cross stripping brush - CYLINDRICAL |
$395.45
|
1 |
|
usually ships 10-13 days |
29 |
275-2412
|
Brush door kit with hardware |
$232.76
|
1 |
(includes 30-34) |
ships same day |
30 |
275-2413
|
Seal |
$3.56
|
1 |
|
ships same day |
31 |
275-2414
|
Brush idler hub |
$20.57
|
1 |
|
ships same day |
32 |
275-2415
|
Retaining ring |
$3.30
|
1 |
|
ships same day |
33 |
275-2416
|
Shaft idler plug |
$22.77
|
1 |
|
ships same day |
34 |
999-1084
|
Screw M6-1 x 16mm truss head slotted stainless steel |
$1.85
|
1 |
|
ships same day |
35 |
475-1396
|
FILTER, BRUSH, 270 VDC, 3A |
$39.93
|
1 |
(230V) |
usually ships 10-13 days |