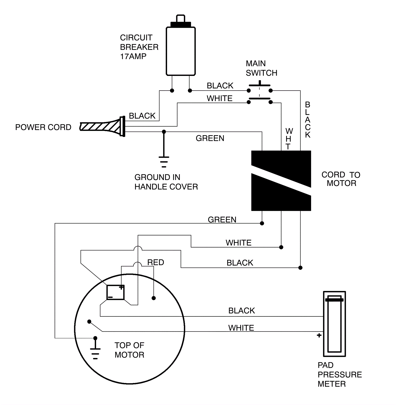
Wiring Diagram - 120V
Click to enlarge