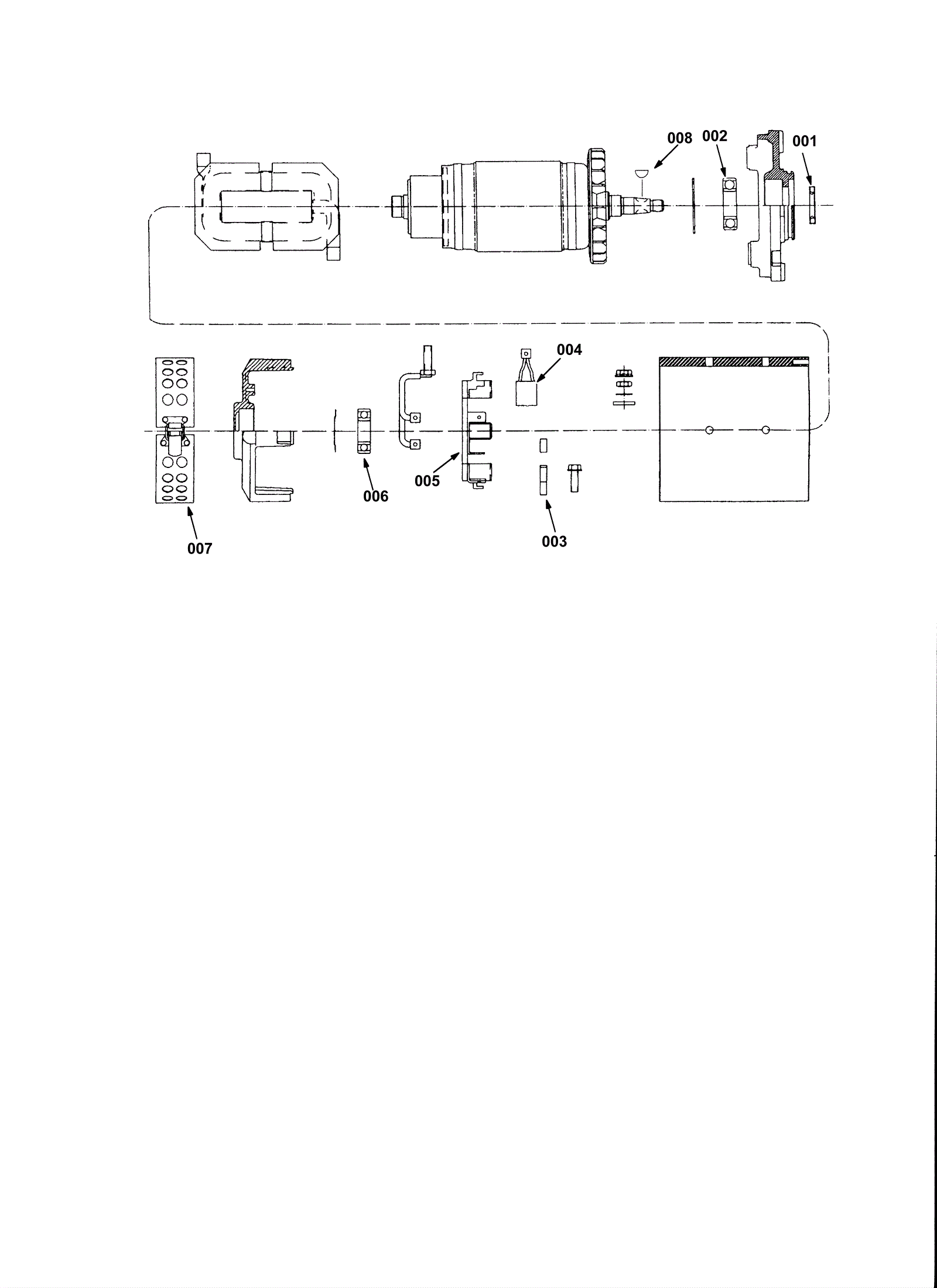
Electric Motor Breakdown, 60198
Click to enlarge