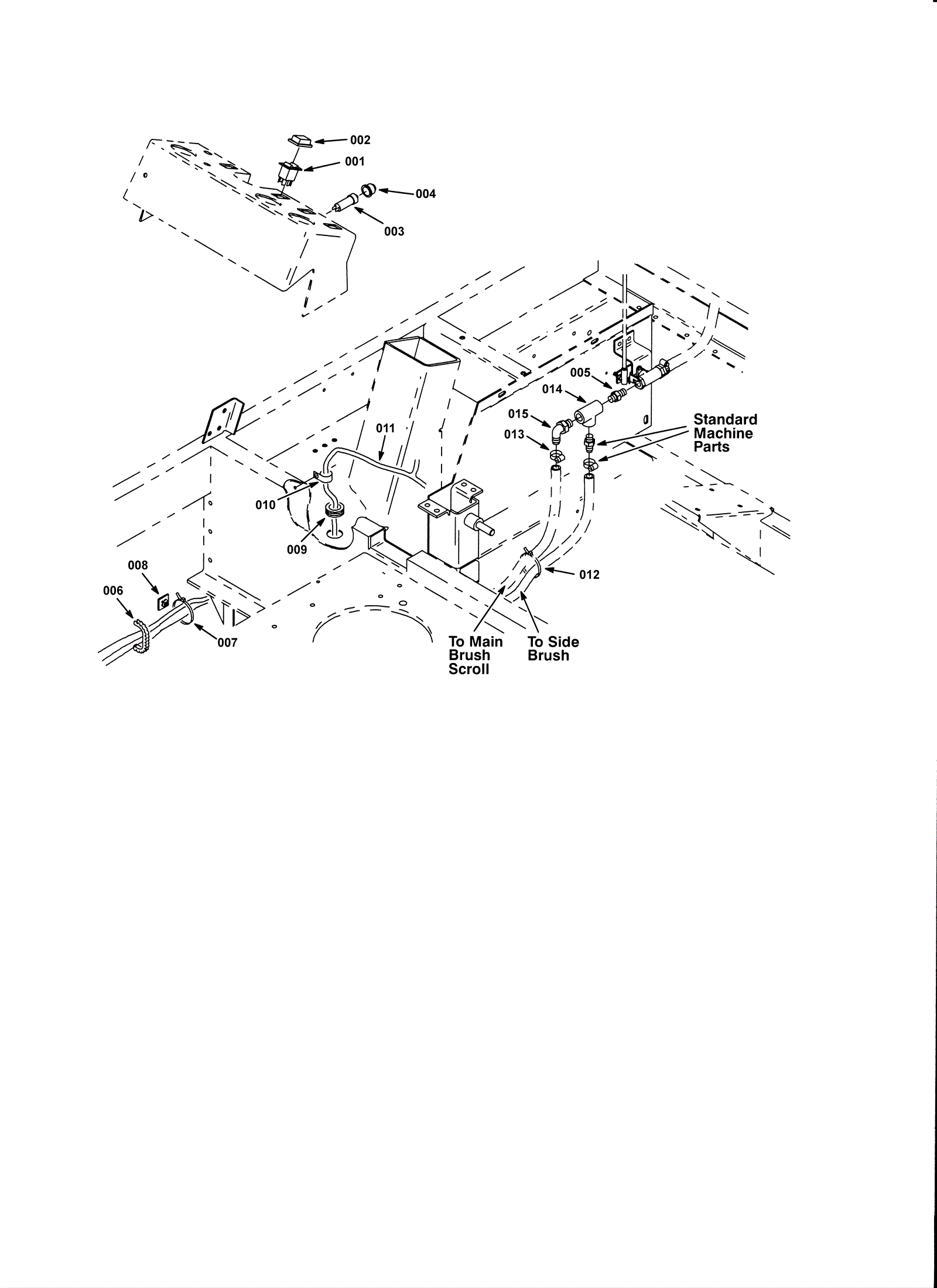
Side Brush Solution Control and Instrument Panel Group
Click to enlarge