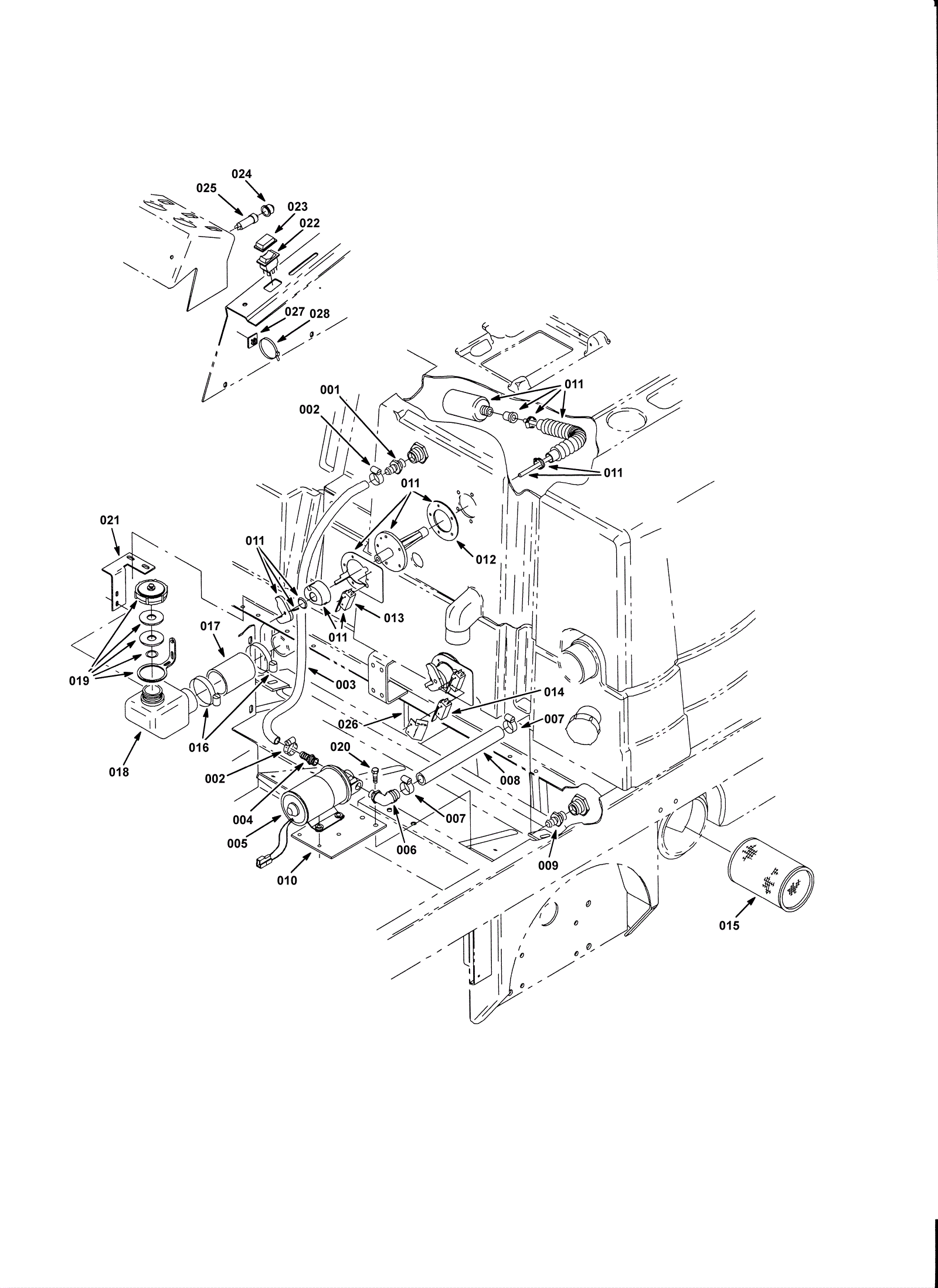
Extended Scrubbing Group
Click to enlarge