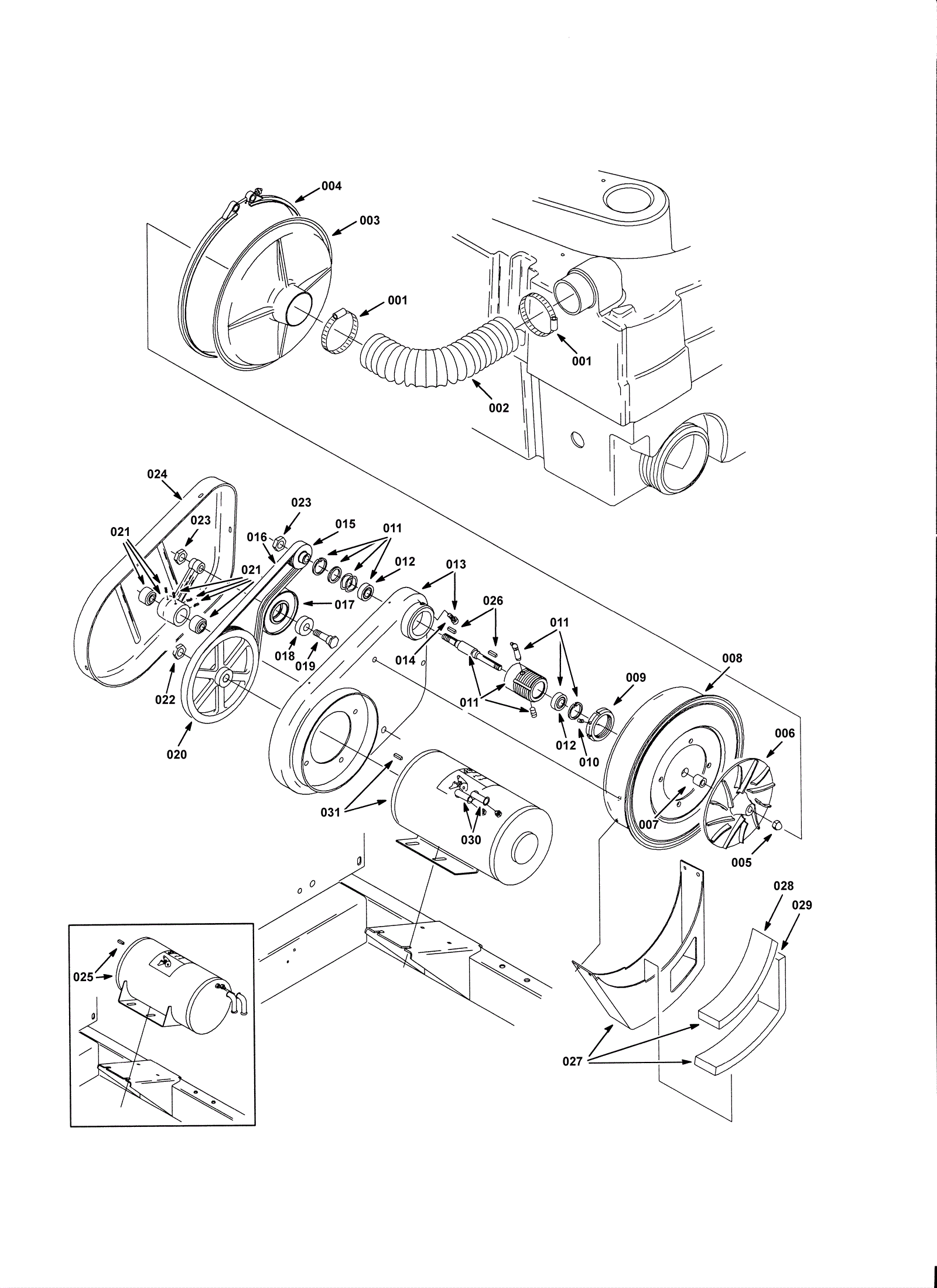
Vacuum Fan Group
Click to enlarge