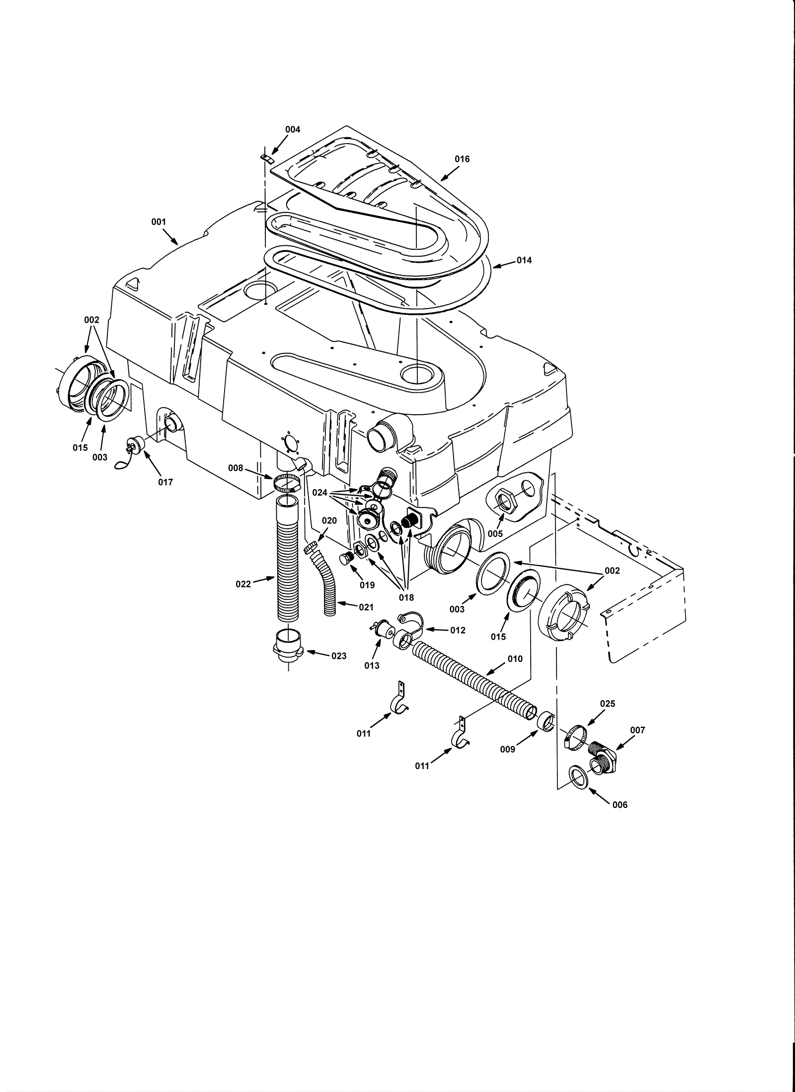
Recovery Tank Group
Click to enlarge