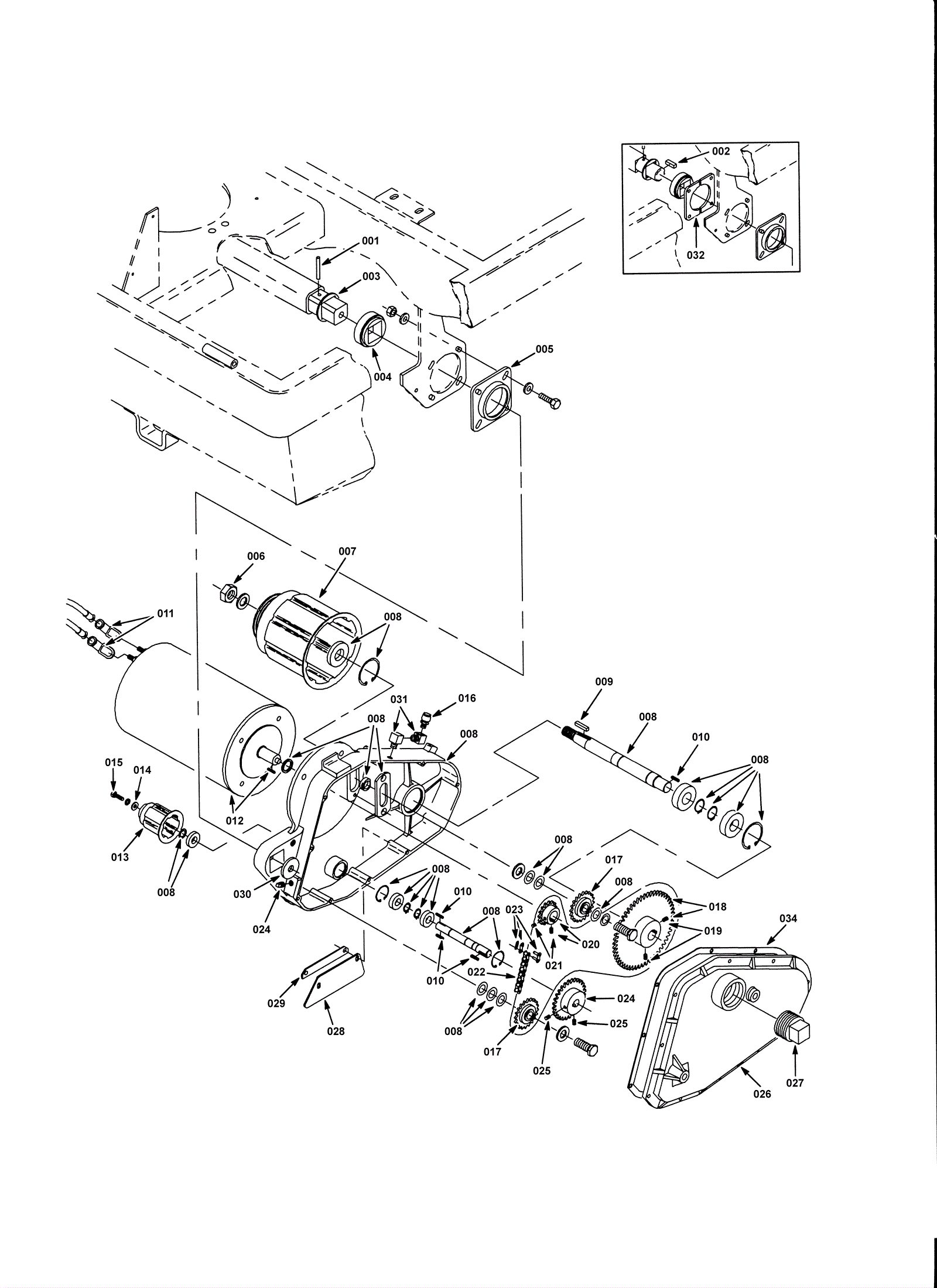
Main Brush Drive Group
Click to enlarge