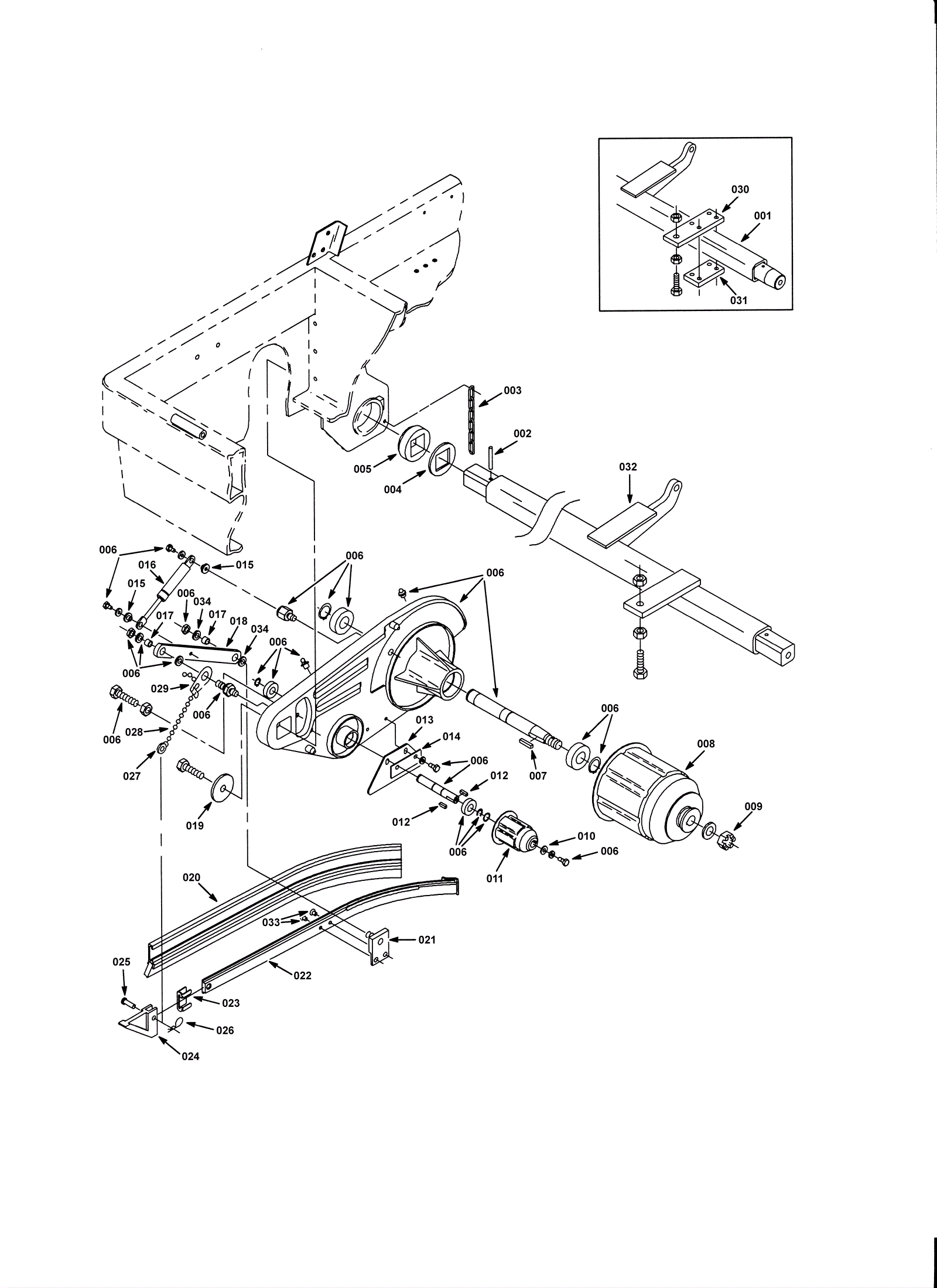
Brush Idler Group
Click to enlarge