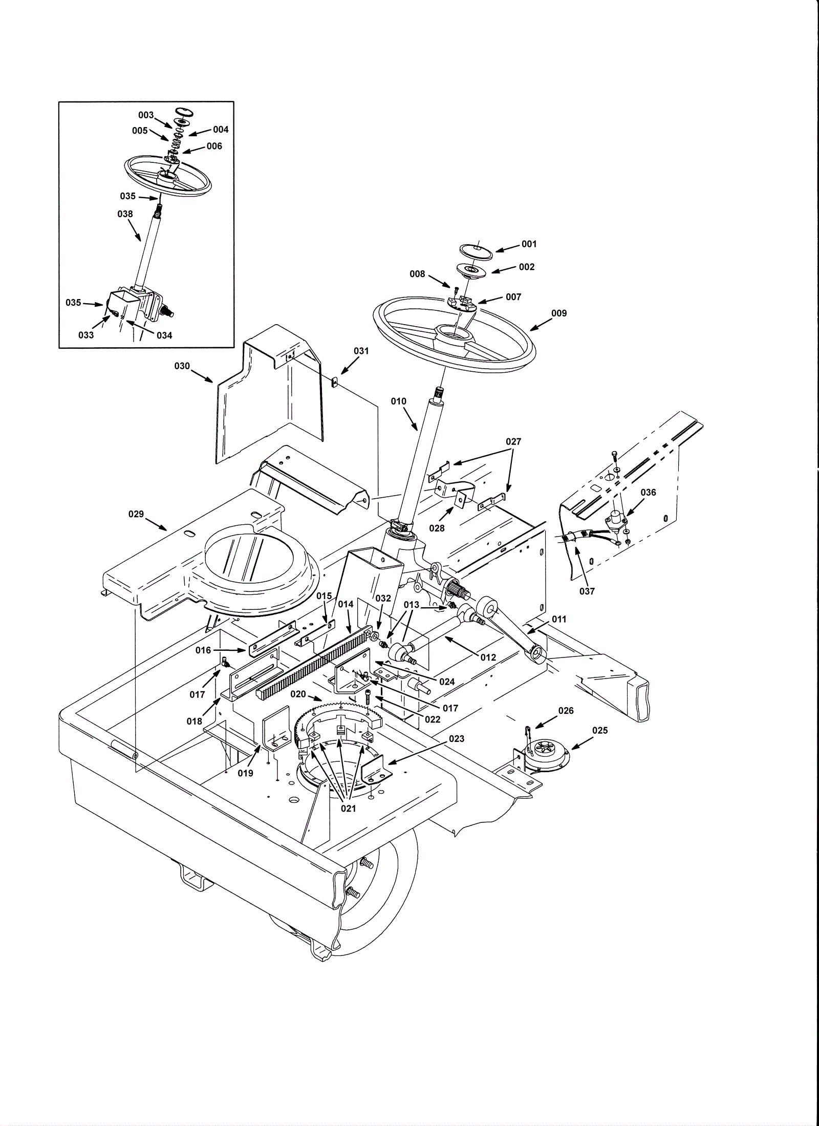
Steering Group
Click to enlarge