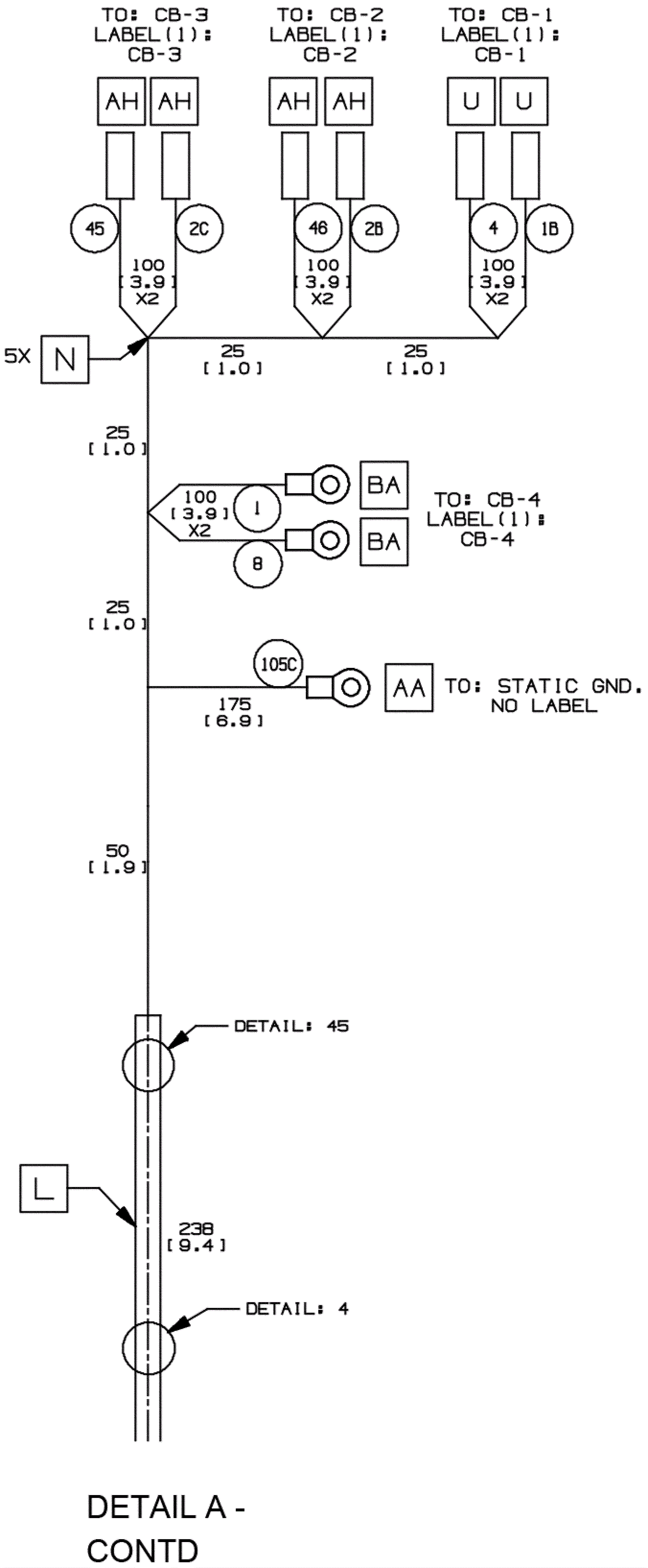
T600
Electrical Harness - before SN 11011872 5
Click to enlarge
#
Part
Description
Price
Req
Notes
Availability
375-4623
Main harness
$907.94
1
usually ships 10-13 days
175-2216
Diode plug
$14.19
4
usually ships 10-13 days