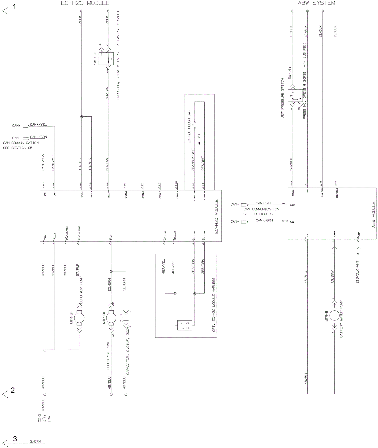
Electrical Diagram - EC-H2O and ABW after SN 11011871 2
Click to enlarge