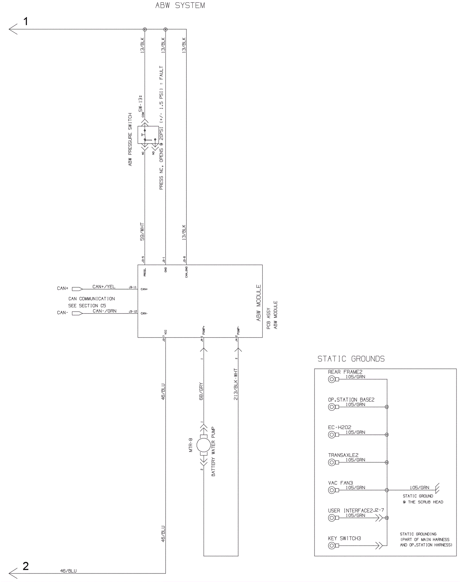
Electrical Diagram - ABW before SN 11011883
Click to enlarge