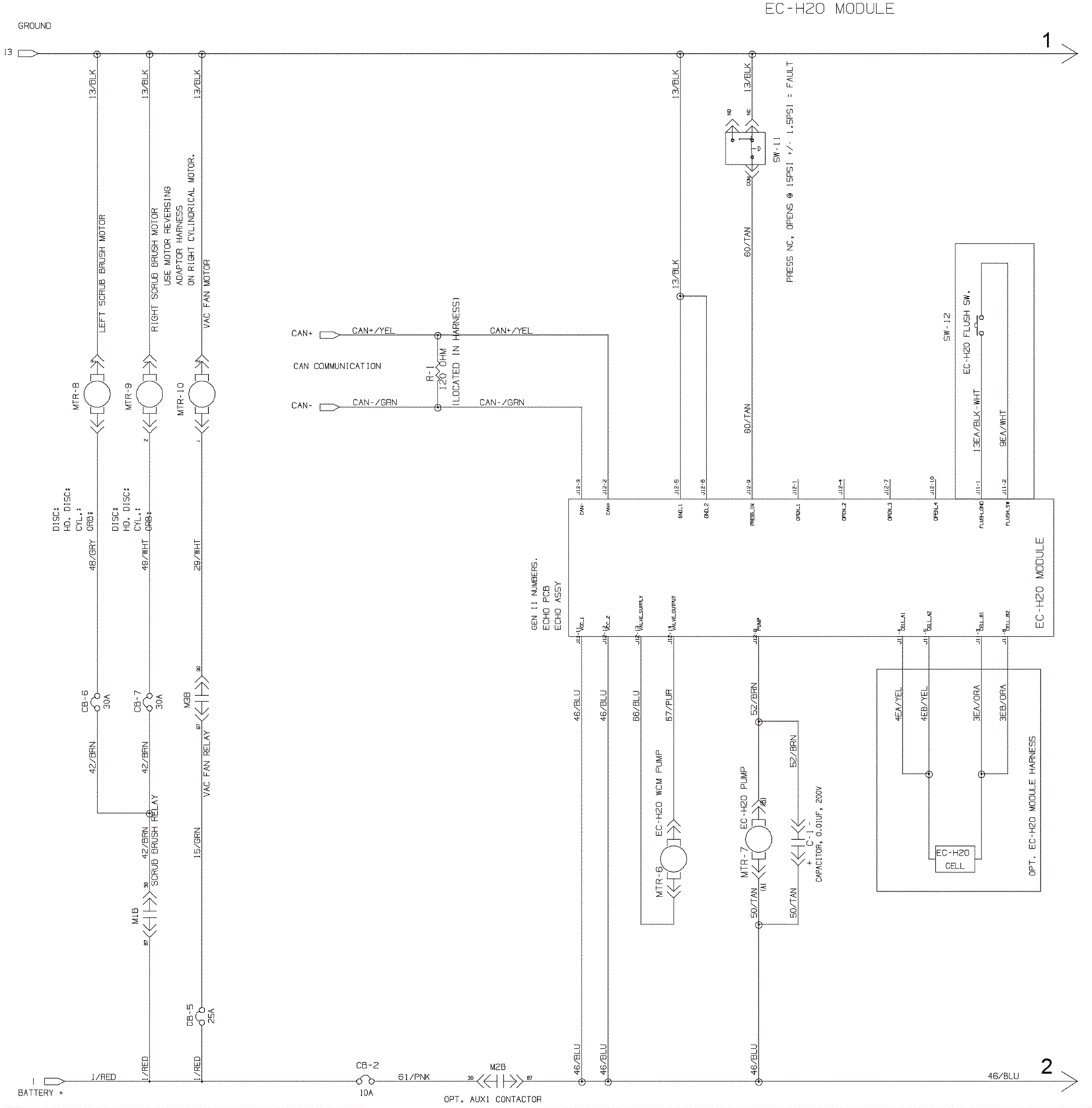
Electrical Diagram - EC-H2O Option
Click to enlarge