| # | Part | Description | Price | Req | Notes | Availability |
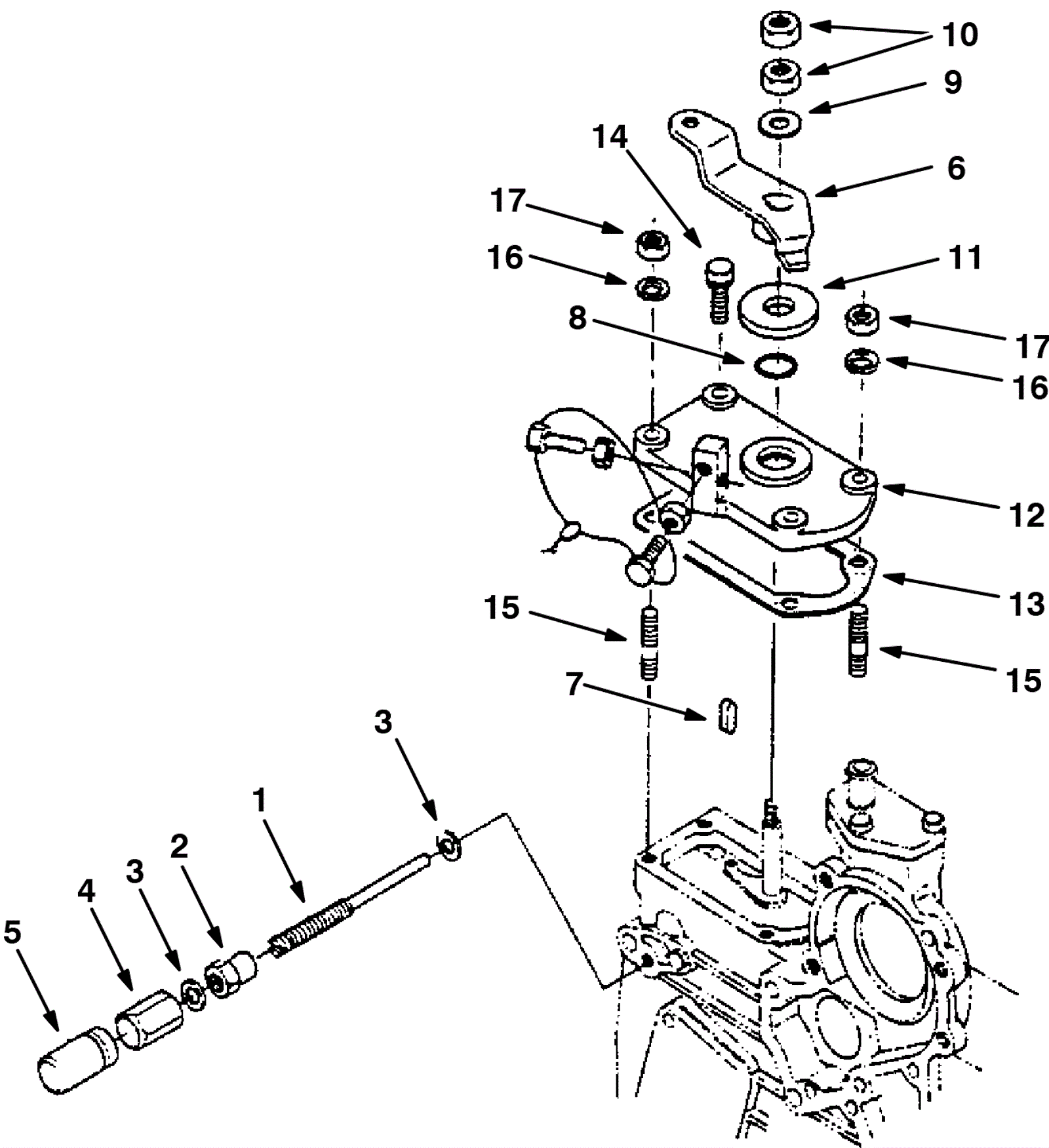
1 |
375-2458
|
Adjusting bolt (OBSOLETE) |
Call for price
|
1 |
|
usually ships 10-13 days |
2 |
375-2459
|
Nut (OBSOLETE) |
Call for price
|
1 |
|
usually ships 10-13 days |
3 |
175-8330
|
VR, GASKET, F/ BOLT [KU] (Tennant Industrial) |
$7.00
|
2 |
|
usually ships 1-5 days |
4 |
175-8329
|
VR, NUT, HEX, CAP [KU] (Tennant Industrial) |
$31.34
|
1 |
|
usually ships 1-5 days |
5 |
175-8480
|
VR, CAP, SCREW, IDLER [KU] (Tennant Industrial) |
$15.84
|
1 |
|
usually ships 1-5 days |
6 |
675-1246
|
VR, LEVER (Tennant Industrial) |
$159.82
|
1 |
|
usually ships 10-13 days |
7 |
175-8297
|
VR, KEY, FEATHER [KU] (Tennant Industrial) |
$7.00
|
1 |
|
usually ships 1-5 days |
8 |
475-9812
|
VR, SEAL, ORG (Tennant Industrial) |
$6.35
|
1 |
|
usually ships 10-13 days |
9 |
175-8326
|
VR, WASHER (Tennant Industrial) |
$5.50
|
1 |
|
usually ships 1-5 days |
10 |
375-2460
|
Nut (OBSOLETE) |
Call for price
|
2 |
|
usually ships 10-13 days |
11 |
575-5398
|
VR, COLLAR (Tennant Industrial) |
$42.59
|
1 |
|
usually ships 10-13 days |
12 |
375-2461
|
Speed control plate (OBSOLETE) |
Call for price
|
1 |
|
usually ships 10-13 days |
13 |
575-0974
|
VR, GASKET (Tennant Industrial) |
$11.52
|
1 |
|
usually ships 10-13 days |
14 |
175-8376
|
VR, BOLT, HEX [KU] (Tennant Industrial) |
$6.33
|
2 |
|
usually ships 1-5 days |
15 |
175-8351
|
VR, STUD [KU] (Tennant Industrial) |
$18.17
|
2 |
|
usually ships 1-5 days |
16 |
175-8353
|
VR, WASHER, LOCK, SPLIT [KU] (Tennant Industrial) |
$5.83
|
2 |
|
usually ships 1-5 days |
17 |
175-8352
|
VR, NUT, HEX [KU] (Tennant Industrial) |
$5.83
|
2 |
|
usually ships 1-5 days |