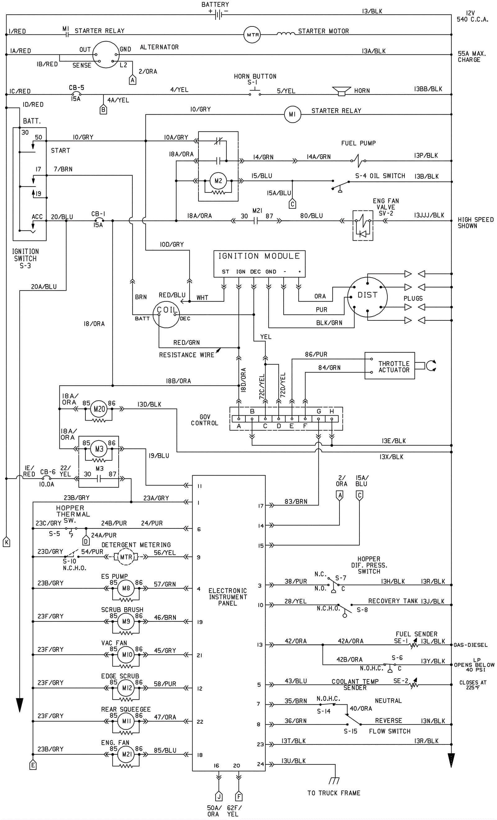
Electrical Diagram 1
Click to enlarge