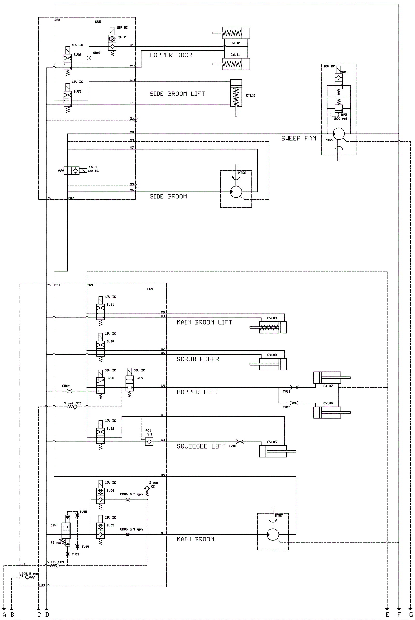
Hydraulic Diagram 1
Click to enlarge