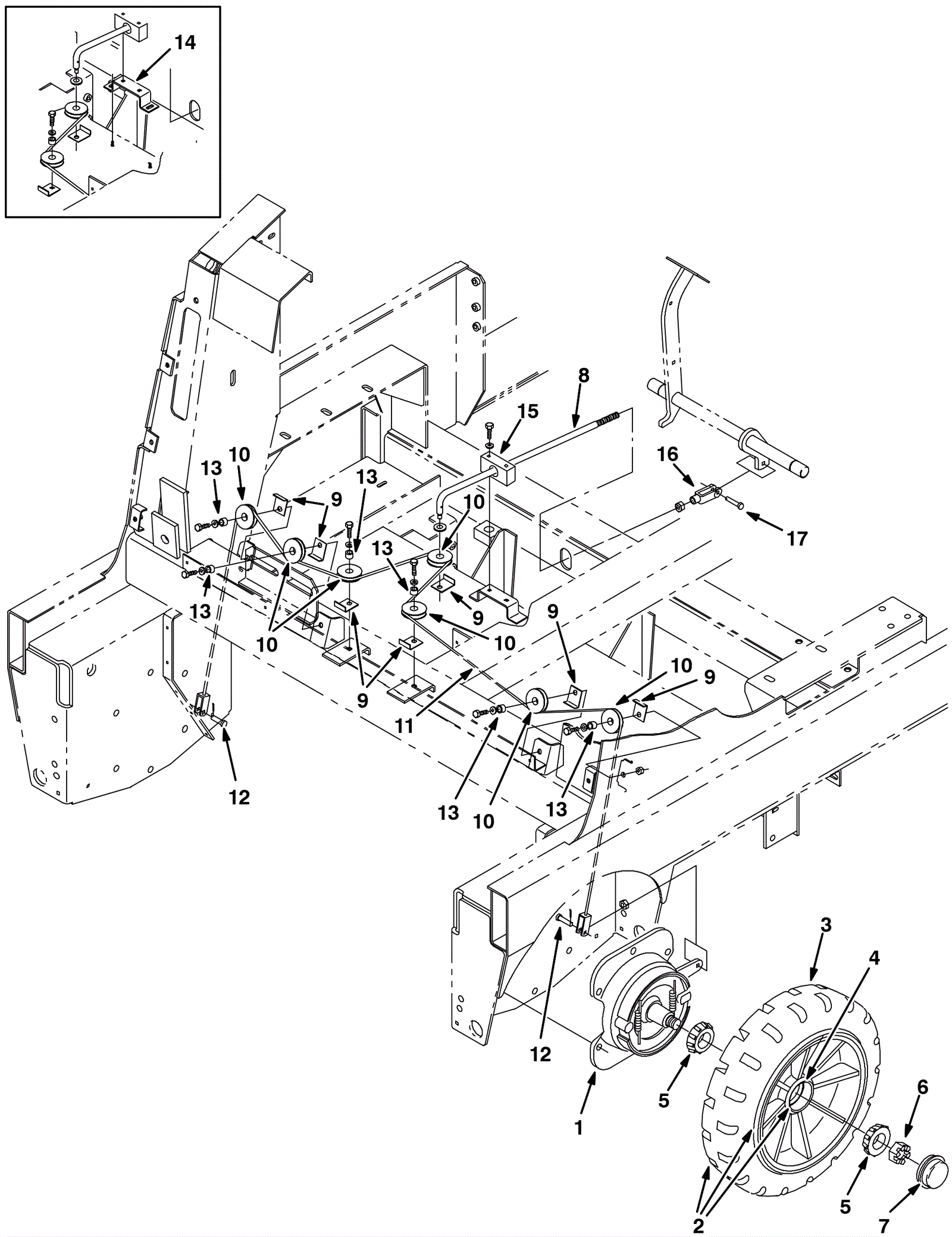
| # | Part | Description | Price | Req | Notes | Availability |
1a |
175-0642
|
BRAKE ASSY, DRUM, MECH, 07.9D [6600]] (Tennant Industrial) |
$999.53
|
2 |
(includes 1b-1e) |
usually ships 1-5 days |
1b |
175-0643
|
SHOE SET, BRAKE [1PICK=1PKG] (Tennant Industrial) |
$173.70
|
2 |
|
usually ships 1-5 days |
1c |
175-0644
|
VR, BRAKE KIT, REPAIR (Tennant Industrial) |
$195.87
|
1 |
(includes 1d) |
usually ships 10-13 days |
1d |
175-0645
|
SHAFT (Tennant Industrial) |
$183.70
|
1 |
|
usually ships 1-5 days |
1e |
175-0646
|
SPRING (Tennant Industrial) |
$9.84
|
2 |
|
usually ships 1-5 days |
2 |
675-7014
|
TIRE ASSY, SOLID, 18.0 X 5.0, BLK (Tennant Industrial) |
$1,465.63
|
2 |
(includes 3-4) |
usually ships 10-13 days |
3 |
675-7014
|
TIRE ASSY, SOLID, 18.0 X 5.0, BLK (Tennant Industrial) |
$1,465.63
|
1 |
|
usually ships 10-13 days |
4 |
175-0636
|
BEARING, CUP, 2.56D 0.55W (Tennant Industrial) |
$19.17
|
2 |
|
usually ships 10-13 days |
5 |
175-0638
|
BEARING, CONE, 1.38B 0.71W (Tennant Industrial) |
$76.35
|
4 |
|
usually ships 10-13 days |
6 |
175-0640
|
NUT, HEX, SLTD, 1.00-20 (Tennant Industrial) |
$19.50
|
2 |
|
usually ships 1-5 days |
7 |
175-0641
|
CAP, HUB, DUST, 2.57D 0.77L (Tennant Industrial) |
$22.34
|
2 |
|
usually ships 1-5 days |
8 |
675-1426
|
ROD (Tennant Industrial) |
$296.26
|
1 |
|
usually ships 10-13 days |
9 |
275-0058
|
Cable keeper angle bracket |
$8.14
|
7 |
|
usually ships 1-5 days |
10 |
275-0912
|
Pulley |
$27.50
|
7 |
|
usually ships 1-5 days |
11 |
675-1221
|
CABLE, SS .19D 082.1L .5CLEVIS /.5CLEVIS (Tennant Industrial |
$271.71
|
1 |
|
usually ships 10-13 days |
12 |
175-0637
|
Clevis pin |
$4.49
|
2 |
|
usually ships 10-13 days |
13 |
175-2249
|
Sleeve |
$4.22
|
6 |
|
ships same day |
14 |
375-1933
|
Support bracket (OBSOLETE) |
Call for price
|
1 |
(before SN 010275) |
usually ships 10-13 days |
15 |
275-2961
|
BEARING, PILLOWBLOCK, 1.02B [SOLID PYE] (Tennant Industrial |
$66.18
|
1 |
|
usually ships 10-13 days |
16 |
575-3176
|
CLEVIS, ADJ, 0.38PIN, M12X1.75 (Tennant Industrial) |
$107.38
|
1 |
|
usually ships 10-13 days |
17 |
275-2753
|
PIN, CLEVIS, 0.38D X 1.13L (Tennant Industrial) |
$6.67
|
1 |
|
usually ships 10-13 days |