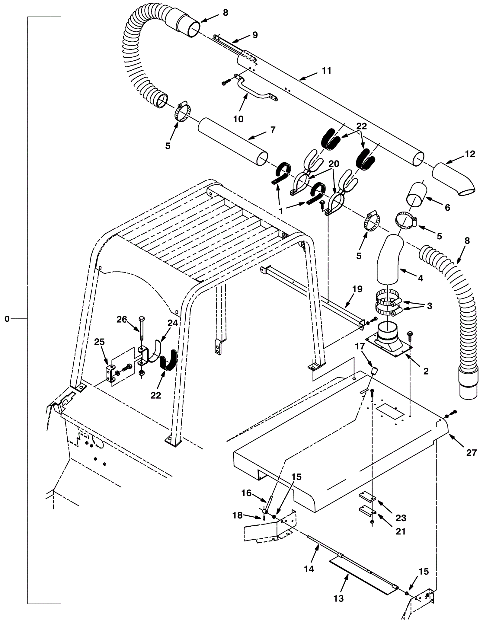
| # | Part | Description | Price | Req | Notes | Availability |
0 |
275-3932
|
BLOWER KIT, W/ OHG (Tennant Industrial) |
$2,977.94
|
1 |
(includes 1-26 and N/S) |
usually ships 1-5 days |
1 |
275-3906
|
STRIP, RBR, 0.13 00.75W 10.3L (Tennant Industrial) |
$10.17
|
2 |
|
usually ships 1-5 days |
2 |
275-3907
|
DUCT, BLOWER WAND (Tennant Industrial) |
$505.18
|
1 |
|
usually ships 1-5 days |
3 |
175-7146
|
Wormdrive clamp (Tennant Industrial) |
$9.84
|
2 |
|
usually ships 10-13 days |
4 |
275-3908
|
HOSE, RBR, E90, 3.00ID 3.50ID 03.5 03.3 (Tennant Industrial |
$136.19
|
1 |
|
usually ships 1-5 days |
5 |
997-2009
|
Hose clamp |
$3.30
|
3 |
|
ships same day |
6 |
275-3909
|
TUBE, PLSTC, 2.90ID 3.00OD 04.0L, CLR (Tennant Industrial) |
$27.84
|
1 |
|
usually ships 1-5 days |
7 |
275-3910
|
TUBE, PLSTC, 2.90ID 3.00OD 16.0L, CLR (Tennant Industrial) |
$87.01
|
1 |
|
usually ships 1-5 days |
8 |
275-3911
|
HOSE ASSY, W/1CUFF, 3.0D 024L 3.0/ (Tennant Industrial) |
$106.52
|
2 |
|
usually ships 1-5 days |
9 |
275-3912
|
PLATE, BACKING, HANDLE (Tennant Industrial) |
$59.18
|
1 |
|
usually ships 1-5 days |
10 |
275-3913
|
HANDLE (Tennant Industrial) |
$35.57
|
1 |
|
usually ships 1-5 days |
11 |
275-3914
|
TUBE, PLSTC, 2.90ID 3.00OD 48.0L, CLR (Tennant Industrial) |
$250.50
|
1 |
|
usually ships 1-5 days |
12 |
275-3915
|
HOSE, RBR, E45, 3.25ID 3.25ID 09.3 00.0 (Tennant Industrial |
$103.02
|
1 |
|
usually ships 1-5 days |
13 |
275-3916
|
PLATE WLDT, BLOWER WAND (Tennant Industrial) |
$152.14
|
1 |
|
usually ships 1-5 days |
14 |
275-3917
|
PIN, 0.38D 17.2L, 1/.10H, 2/M04 X 0.7H (Tennant Industrial) |
$71.68
|
1 |
|
usually ships 1-5 days |
15 |
275-3918
|
BUSHING, SNAP-IN, 0.38B 0.31D 0.14TH NYL (Tennant Industria |
$11.00
|
2 |
|
usually ships 10-13 days |
16 |
275-3919
|
LEVER (Tennant Industrial) |
$79.49
|
1 |
|
usually ships 1-5 days |
17 |
275-3920
|
KNOB, 1.00D 1.63L M08 X 1.25,PLSTC [TPR] (Tennant Industria |
$65.51
|
1 |
|
usually ships 1-5 days |
18 |
275-3921
|
PIN, ROLL, .094D X 0.75L, .094/.097 (Tennant Industrial) |
$5.00
|
1 |
|
usually ships 1-5 days |
19 |
275-3922
|
TUBE WLDT, SPPT, BLOWER WAND (Tennant Industrial) |
$218.60
|
1 |
|
usually ships 1-5 days |
20 |
275-3923
|
CLAMP WLDT, TUBE, BLOWER WAND (Tennant Industrial) |
$257.51
|
2 |
|
usually ships 1-5 days |
21 |
275-3924
|
MAGNET, DRIVE BRUSH (Tennant Industrial) |
$33.51
|
1 |
|
usually ships 10-13 days |
22 |
275-3925
|
STRIP, RBR, 0.13 01.25W 08.8L (Tennant Industrial) |
$7.00
|
3 |
|
usually ships 1-5 days |
23 |
375-2319
|
Plate (OBSOLETE) |
Call for price
|
1 |
|
usually ships 10-13 days |
24 |
275-3927
|
BRACKET WLDT, SPPT, BLOWER (Tennant Industrial) |
$89.18
|
1 |
|
usually ships 1-5 days |
25 |
275-3928
|
BRACKET, MTG, TUBE, BLOWER WAND (Tennant Industrial) |
$38.01
|
1 |
|
usually ships 1-5 days |
26 |
275-3929
|
Screw M10 x 1.5 hex |
$4.62
|
1 |
|
usually ships 1-5 days |
27 |
275-3931
|
DOOR WLDT, ENG, TOP, BLOWER WAND (Tennant Industrial) |
$704.74
|
1 |
|
usually ships 1-5 days |
N/S |
275-3930
|
LABEL SET, OPERTNL [355L] (Tennant Industrial) |
$264.19
|
1 |
(operational decal set) |
usually ships 1-5 days |