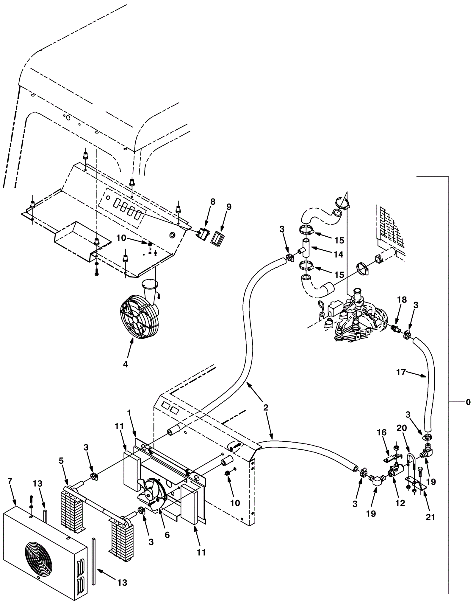
| # | Part | Description | Price | Req | Notes | Availability |
0 |
675-8757
|
HEAT KIT, GAS/LPG/DSL, FI [355L] (Tennant Industrial) |
$5,262.17
|
1 |
(includes 1-21 and N/S) |
usually ships 10-13 days |
1 |
675-4001
|
CHANNEL WLDT, HEATER (Tennant Industrial) |
$524.77
|
1 |
|
usually ships 10-13 days |
2 |
575-6580
|
HOSE, HEATER, E90, 0.62ID, 60.0 4.0 (Tennant Industrial) |
$83.18
|
2 |
|
usually ships 10-13 days |
3 |
175-0199
|
Hose clamp |
$7.15
|
8 |
|
usually ships 10-13 days |
4 |
675-2584
|
FAN ASSY, DEFROSTER, 07.3D BLADE, 12VDC (Tennant Industrial) |
$348.07
|
1 |
|
usually ships 10-13 days |
5 |
675-5504
|
CORE, HEATER (Tennant Industrial) |
$786.32
|
1 |
|
usually ships 10-13 days |
6a |
675-5191
|
FAN KIT, W/ MOTOR, F/55216, REPLMT (Tennant Industrial) |
$633.77
|
1 |
(before SN 007149) |
usually ships 10-13 days |
6b |
675-3662
|
FAN ASSY, ELE, 12VDC, 2300RPM, 07.4A (Tennant Industrial) |
$424.75
|
1 |
(after SN 007148) |
usually ships 10-13 days |
7 |
675-3953
|
COVER, HEATER, CAB (Tennant Industrial) |
$653.96
|
1 |
|
usually ships 10-13 days |
8 |
175-9945
|
Rocker switch spst |
$22.88
|
1 |
|
usually ships 1-5 days |
9 |
175-9946
|
Rocker switch seal cover |
$19.47
|
1 |
|
usually ships 10-13 days |
10 |
175-4401
|
GROMMET, RBR, 0.38ID, F/0.5H, .12 MATL (Tennant Industrial) |
$5.50
|
2 |
|
usually ships 1-5 days |
11 |
475-9738
|
SEAL, RBR, CLSD, 0.75, 3.00W 06.2L ADH (Tennant Industrial) |
$10.67
|
2 |
|
usually ships 10-13 days |
12 |
175-3425
|
Manual valve |
$125.18
|
1 |
(diesel) |
usually ships 10-13 days |
13 |
375-2188
|
Rubber seal .31 x .38 (OBSOLETE) |
Call for price
|
2 |
|
usually ships 10-13 days |
14 |
575-6822
|
TUBE WLDT, TEE, 1.0D 3.0L 0.6D (Tennant Industrial) |
$93.02
|
1 |
(diesel) |
usually ships 10-13 days |
15 |
175-2254
|
Hose clamp |
$5.50
|
2 |
(diesel) |
ships same day |
16 |
575-6070
|
ARM, VALVE, WATER, 2.1 SL /.27H, OFFSET (Tennant Industrial) |
$95.52
|
1 |
(diesel) |
usually ships 10-13 days |
17a |
375-0493
|
2 foot rubber heater hose (Tennant Industrial) |
$34.67
|
1 |
(diesel) |
usually ships 1-5 days |
17b |
275-3885
|
HOSE, HEATER, E90, 0.62ID, 24.0 4.0 (Tennant Industrial) |
$61.68
|
1 |
(gas) |
usually ships 1-5 days |
18 |
375-0490
|
Brass fitting (Tennant Industrial) |
$16.67
|
1 |
|
usually ships 1-5 days |
19 |
275-4223
|
FITTING, BRS, E90, EM10/PM08 (Tennant Industrial) |
$12.34
|
2 |
|
usually ships 1-5 days |
20 |
375-1081
|
U-bolt 1/4-20 x 2 (Tennant Industrial) |
$9.50
|
1 |
|
usually ships 1-5 days |
21 |
375-2189
|
Valve bracket (OBSOLETE) |
Call for price
|
1 |
|
usually ships 10-13 days |
N/S |
675-2973
|
VALVE, BALL, 3WAY, PF08/PF08/PF08, BRS (Tennant Industrial) |
$364.91
|
1 |
(gas) (3 way valve) |
usually ships 10-13 days |
N/S |
475-9507
|
FITTING, BRS, STR, PF06/PM08 (Tennant Industrial) |
$8.17
|
1 |
(gas) (straight fitting) |
usually ships 10-13 days |
N/S |
575-4239
|
FITTING, PLSTC, TEE, BM10/BM12/BM12, BR (Tennant Industrial) |
$48.01
|
1 |
(gas) ("y" fitting, heater hose) |
usually ships 10-13 days |