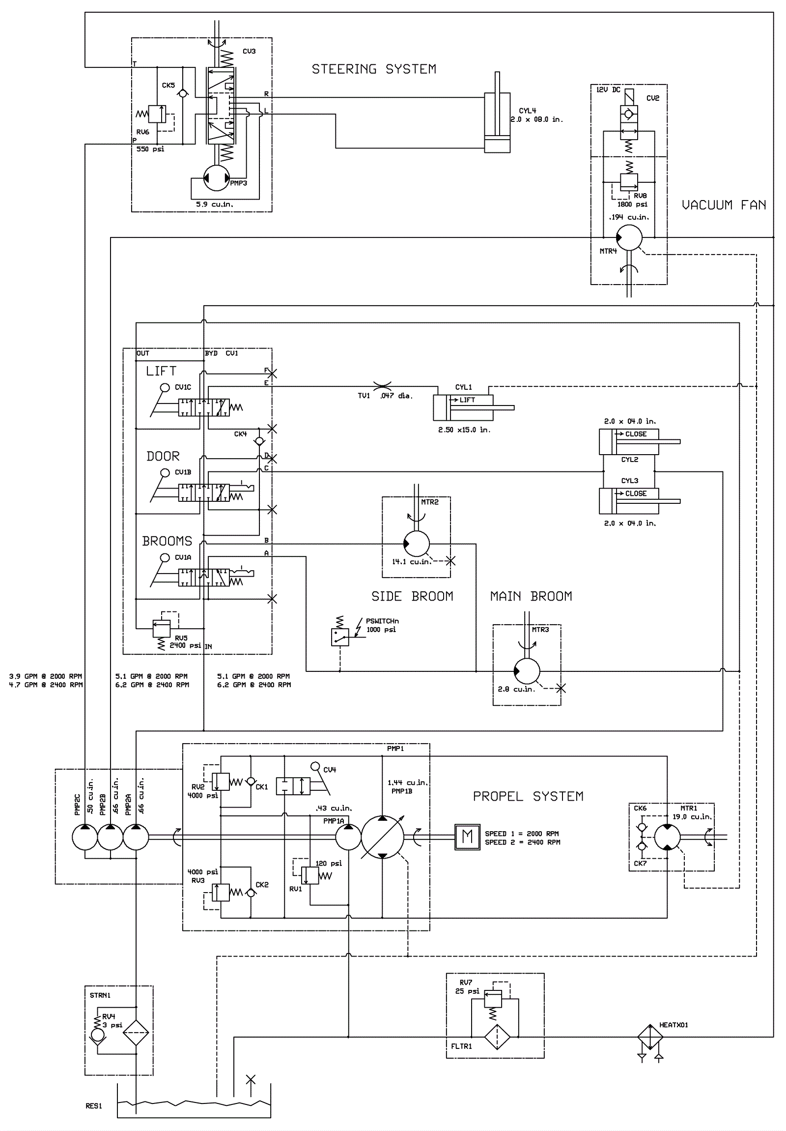
Hydraulic Diagram
Click to enlarge