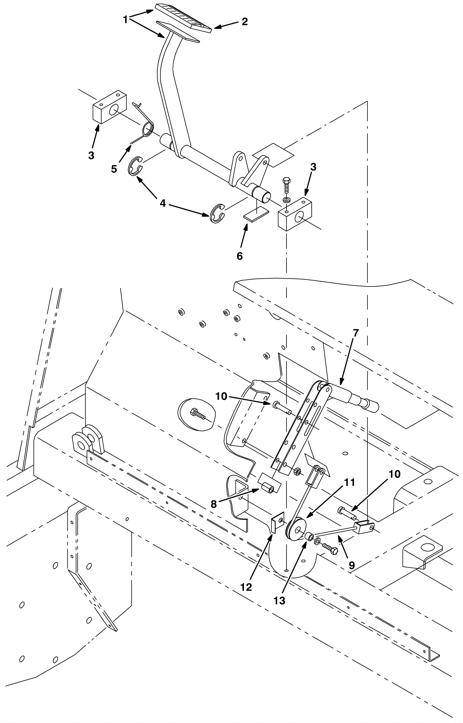
| # | Part | Description | Price | Req | Notes | Availability |
1 |
675-2931
|
SHAFT ASSY, PEDAL, BRAKE, W/ PAD (Tennant Industrial) |
$360.72
|
1 |
(includes item 2) |
usually ships 10-13 days |
2 |
175-3279
|
Pedal pad |
$32.78
|
1 |
|
usually ships 10-13 days |
3 |
275-2961
|
BEARING, PILLOWBLOCK, 1.02B [SOLID PYE] (Tennant Industrial |
$66.18
|
2 |
|
usually ships 10-13 days |
4 |
375-0702
|
Retainging ring (Tennant Industrial) |
$4.00
|
2 |
|
usually ships 1-5 days |
5 |
175-9984
|
Torsion spring |
$18.26
|
1 |
|
usually ships 10-13 days |
6 |
475-8981
|
STRIP, RBR, 0.13 01.00W 02.0L (Tennant Industrial) |
$7.17
|
1 |
|
usually ships 10-13 days |
7 |
275-2022
|
LEVER, BRAKE, PARKING (Tennant Industrial) |
$243.88
|
1 |
|
usually ships 1-5 days |
8 |
275-2023
|
TUBE, 0.33ID 0.51OD 00.8L, STL, PL (Tennant Industrial) |
$15.17
|
2 |
|
usually ships 1-5 days |
9 |
575-8931
|
CABLE, GLV .19D 020.0L .4CLEVIS/.4CLEVIS (Tennant Industrial |
$161.53
|
1 |
|
usually ships 10-13 days |
10 |
275-2753
|
PIN, CLEVIS, 0.38D X 1.13L (Tennant Industrial) |
$6.67
|
2 |
|
usually ships 10-13 days |
11 |
275-0912
|
Pulley |
$27.50
|
1 |
|
usually ships 1-5 days |
12 |
275-0058
|
Cable keeper angle bracket |
$8.14
|
1 |
|
usually ships 1-5 days |
13 |
175-2249
|
Sleeve |
$4.22
|
1 |
|
ships same day |