| # | Part | Description | Price | Req | Notes | Availability |
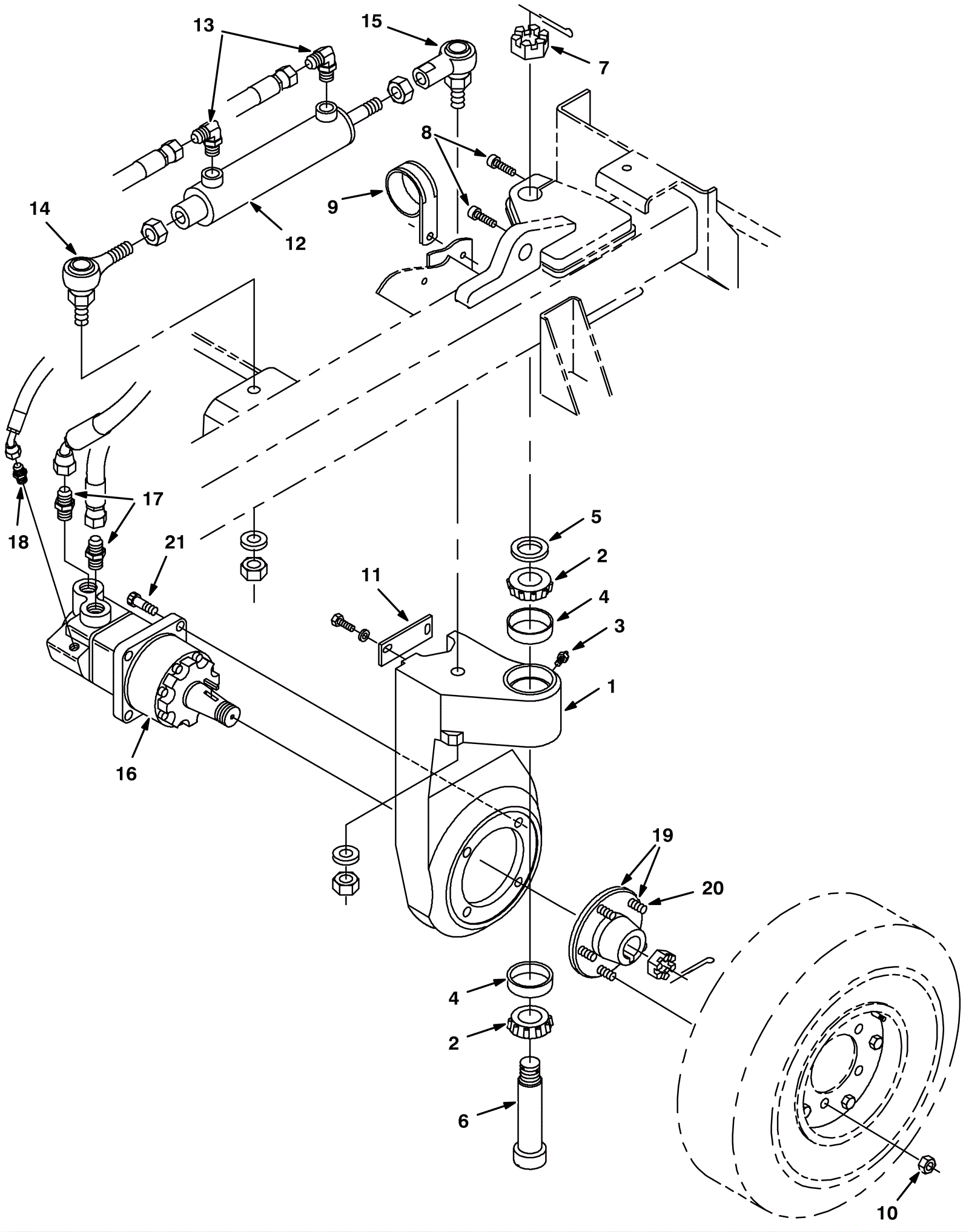
1 |
675-7909
|
HOUSING KIT, DRIVE, RH, F/53612, REPLMT (Tennant Industrial) |
$2,341.67
|
1 |
|
usually ships 10-13 days |
2 |
175-0638
|
BEARING, CONE, 1.38B 0.71W (Tennant Industrial) |
$76.35
|
2 |
|
usually ships 10-13 days |
3 |
175-6778
|
FITTING, GREASE, STR PM04 .63L (Tennant Industrial) |
$9.50
|
1 |
|
usually ships 10-13 days |
4 |
175-0636
|
BEARING, CUP, 2.56D 0.55W (Tennant Industrial) |
$19.17
|
2 |
|
usually ships 10-13 days |
5 |
375-0672
|
Washer 1/3/8 flat steel (Tennant Industrial) |
$5.67
|
1 |
|
usually ships 10-13 days |
6 |
675-2168
|
BOLT, SHLD, 1.37D X 4.88L,1.1-18 DRILLED (Tennant Industrial |
$269.54
|
1 |
|
usually ships 10-13 days |
7 |
375-0674
|
Nut 1-1/8-18 hex slotted (Tennant Industrial) |
$38.51
|
1 |
|
usually ships 10-13 days |
8 |
175-2892
|
SCREW, SOC, M10 X 1.50 X 40, 12.9 (Tennant Industrial) |
$13.17
|
2 |
|
usually ships 1-5 days |
9 |
375-0825
|
1 hole cable clamp (Tennant Industrial) |
$23.50
|
1 |
|
usually ships 1-5 days |
10 |
175-6797
|
NUT, WHEEL, .50-20 X 60 ANGLE (Tennant Industrial) |
$5.00
|
5 |
|
usually ships 10-13 days |
11 |
375-0682
|
Flat steel bar (Tennant Industrial) |
$51.34
|
1 |
|
usually ships 1-5 days |
12 |
275-4108
|
CYLINDER, HYD, 2.0B 15.0L 08.00STRK 1500 (Tennant Industria |
$934.69
|
1 |
|
usually ships 1-5 days |
13 |
175-7214
|
Hydraulic fitting |
$14.63
|
2 |
|
usually ships 1-5 days |
14 |
575-9823
|
ROD-END KIT, FRONT, F/63688, REPLMT (Tennant Industrial) |
$162.20
|
1 |
|
usually ships 10-13 days |
15 |
675-1474
|
ROD-END KIT, REAR, F/63689, REPLMT (Tennant Industrial) |
$243.88
|
1 |
|
usually ships 10-13 days |
16a |
675-8464
|
MOTOR KIT, HYD, F/22604, REPLMT (Tennant Industrial) |
$4,040.64
|
1 |
(before SN 005698) |
usually ships 10-13 days |
16b |
275-7147
|
MOTOR, HYD, GEAR, INT 19.0 BI-DIR 3000 (TENNANT INDUSTRIAL) |
$5,103.19
|
1 |
(after SN 007305) |
usually ships 1-5 days |
17 |
275-2897
|
FITTING, HYD, STR, JM10/OM12 (Tennant Industrial) |
$20.00
|
2 |
|
usually ships 1-5 days |
18 |
175-8098
|
FITTING, HYD, STR, JM04/OM04 (Tennant Industrial) |
$9.84
|
1 |
|
usually ships 1-5 days |
19 |
275-4793
|
HUB ASSY, WHEEL, 5 BOLT 4.50BC TAPER B (Tennant Industrial) |
$330.40
|
1 |
(includes 20) |
usually ships 10-13 days |
20 |
375-0669
|
Wheel stud (Tennant Industrial) |
$6.67
|
5 |
|
usually ships 10-13 days |
21 |
375-0668
|
Screw 1/2-13 x 1 1/2 socket aluminum (Tennant Industrial) |
$9.50
|
4 |
|
usually ships 1-5 days |