| # | Part | Description | Price | Req | Notes | Availability |
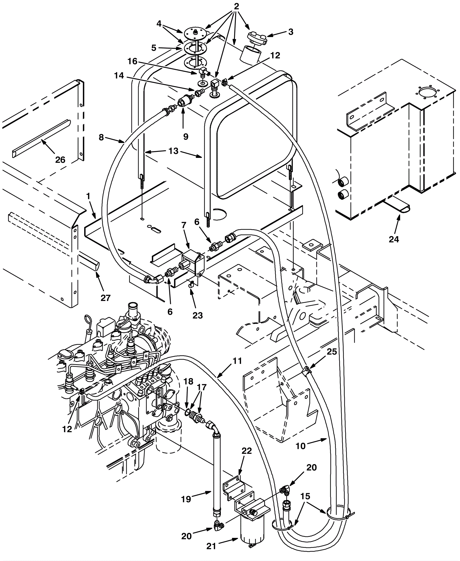
1 |
675-2477
|
TRAY, MTG, TANK, FUEL (Tennant Industrial) |
$298.93
|
1 |
|
usually ships 10-13 days |
2a |
675-6913
|
TANK KIT, FUEL, F/53882, REPLMT (Tennant Industrial) |
$1,401.63
|
1 |
(includes 3, 4a, 5a) (before SN 005540) |
usually ships 10-13 days |
2b |
675-7194
|
TANK, FUEL, 09.4GAL, 14.69W 13.1HI 15.6L (Tennant Industrial |
$1,901.46
|
1 |
(includes 3, 4b, 5b) (after SN 005542) |
usually ships 10-13 days |
3 |
175-6850
|
CAP, TANK, FUEL, 2.3NECK 2.6D (Tennant Industrial) |
$43.01
|
1 |
|
usually ships 10-13 days |
4a |
375-2132
|
Send unit (OBSOLETE) |
Call for price
|
1 |
(includes 5a) (before SN 005540) |
usually ships 10-13 days |
4b |
675-3347
|
VR, SEND-UNIT, FUEL (Tennant Industrial) |
$357.38
|
1 |
(after SN 005542) |
usually ships 10-13 days |
5a |
275-2859
|
GASKET, SENDER, FUEL, 2.7D 1.5B 5/ 2.1BC (Tennant Industria |
$16.17
|
1 |
(before SN 005540) |
usually ships 1-5 days |
5b |
375-0632
|
Plug fitting (Tennant Industrial) |
$4.83
|
1 |
(after SN 005542) |
usually ships 1-5 days |
6a |
275-5841
|
PVC hose 1/8 x 42 inch (clear) |
$22.11
|
2 |
(before SN 005540) |
usually ships 10-13 days |
6b |
375-3545
|
Fitting (Tennant Industrial) |
$136.03
|
1 |
(after SN 005542) |
usually ships 10-13 days |
7a |
675-4917
|
PUMP KIT, FUEL, F/59945, REPLMT (Tennant Industrial) |
$569.95
|
1 |
(before SN 005540) |
usually ships 10-13 days |
7b |
675-4917
|
PUMP KIT, FUEL, F/59945, REPLMT (Tennant Industrial) |
$569.95
|
1 |
(between SN 005543 and 007012) |
usually ships 10-13 days |
8a |
575-4633
|
HOSE, 0350, 04, IM05STR / JF04E90, 10.0 (Tennant Industrial) |
$31.40
|
1 |
(before SN 005540) |
usually ships 10-13 days |
8b |
575-0548
|
HOSE, FUEL, 0.31ID, 11.0L (Tennant Industrial) |
$17.34
|
1 |
(after SN 005542) |
usually ships 10-13 days |
9 |
375-3772
|
Fuel filter (Tennant Industrial) |
$31.17
|
1 |
(before SN 005540) |
usually ships 10-13 days |
10 |
375-2133
|
Hose 56.0 (OBSOLETE) |
Call for price
|
1 |
(before SN 005540) |
usually ships 10-13 days |
11a |
575-3864
|
HOSE, FUEL, 0.18ID, 97.0L (Tennant Industrial) |
$41.92
|
1 |
(before SN 005540) |
usually ships 10-13 days |
11b |
375-0572
|
Fuel hose (Tennant Industrial) |
$32.01
|
1 |
(after SN 005542) |
usually ships 1-5 days |
12 |
175-3594
|
Hose clamp |
$5.28
|
2 |
|
usually ships 10-13 days |
13 |
575-7035
|
STRAP WLDT, TANK, 0.06 1.0W 37.7L (Tennant Industrial) |
$90.52
|
2 |
|
usually ships 10-13 days |
14a |
275-0308
|
FITTING, HYD, STR, PF02/PM04 (Tennant Industrial) |
$12.50
|
1 |
(before SN 005540) |
usually ships 1-5 days |
14b |
175-6860
|
FITTING, BRS, E90, IF05/PM02 (Tennant Industrial) |
$14.00
|
1 |
(after SN 005542) |
usually ships 1-5 days |
15 |
175-2162
|
Nylon wire tie |
$3.30
|
1 |
(before SN 005540) |
usually ships 10-13 days |
16a |
175-6851
|
FITTING, BRS, E90, BM03/PM02 (Tennant Industrial) |
$15.67
|
1 |
(before SN 005540) |
usually ships 10-13 days |
16b |
275-2873
|
FITTING, BRS, E90, IF03/PM02 (Tennant Industrial) |
$7.17
|
1 |
(after SN 005542) |
usually ships 1-5 days |
17 |
575-4031
|
FITTING, HYD, STR, METRIC, OM10/JM04 (Tennant Industrial) |
$207.58
|
1 |
(includes 18) |
usually ships 10-13 days |
18 |
475-8004
|
SEAL, ORG, .064 X 00.30ID #03 (Tennant Industrial) |
$4.17
|
1 |
|
usually ships 10-13 days |
19 |
575-3861
|
FUELLINE ASSY, DSL (Tennant Industrial) |
$108.55
|
1 |
|
usually ships 10-13 days |
20 |
475-9645
|
FITTING, HYD, E90, JM04/PM04 (Tennant Industrial) |
$7.85
|
2 |
|
usually ships 10-13 days |
21a |
175-6861
|
Fuel filter (Tennant Industrial) |
$53.98
|
1 |
(includes 21b) |
ships same day |
21b |
275-6392
|
Filter element (Tennant Industrial) |
$35.51
|
1 |
|
ships same day |
22 |
575-4670
|
BRACKET, MTG, FLTR, FUEL (Tennant Industrial) |
$42.75
|
1 |
|
usually ships 10-13 days |
23 |
175-6768
|
P clamp (Tennant Industrial) |
$5.67
|
1 |
|
usually ships 1-5 days |
25 |
175-3168
|
P clamp |
$5.28
|
1 |
|
usually ships 10-13 days |
26 |
175-3261
|
PVC duct |
$25.96
|
1 |
(before SN 005540) |
usually ships 10-13 days |
27 |
175-3261
|
PVC duct |
$25.96
|
1 |
(before SN 005540) |
usually ships 10-13 days |
N/S |
175-6865
|
HOSE, 0050, 04, IF05STR / IM05STR, 10.0 (Tennant Industrial |
$87.02
|
1 |
(after SN 005542) |
usually ships 10-13 days |
N/S |
575-6583
|
FUELLINE, .31D 05IF/05IF, STL (Tennant Industrial) |
$145.12
|
1 |
(after SN 005542) |
usually ships 10-13 days |
N/S |
575-5287
|
FUELLINE, .19D 05IF/BEA, STL (Tennant Industrial) |
$71.31
|
1 |
(after SN 005542) |
usually ships 10-13 days |
N/S |
175-6857
|
FITTING, BRS, E90, IF05/PM04 (Tennant Industrial) |
$9.84
|
1 |
(after SN 005542) |
usually ships 1-5 days |
N/S |
675-9930
|
PUMP, FUEL (Tennant Industrial) |
$275.55
|
1 |
(after SN 005542) |
usually ships 10-13 days |