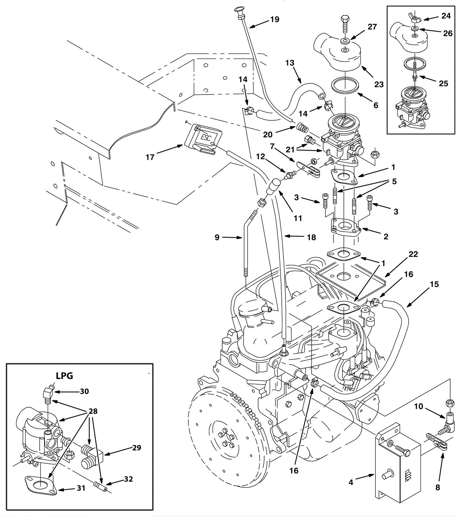
| # | Part | Description | Price | Req | Notes | Availability |
1 |
375-3824
|
Carb gasket (Tennant Industrial) |
$7.33
|
3 |
|
usually ships 10-13 days |
2 |
375-2128
|
Mounting adapter (OBSOLETE) |
Call for price
|
1 |
|
usually ships 10-13 days |
3 |
999-1320
|
Screw M6-1 x 20mm socket head stainless steel |
$0.99
|
2 |
|
ships same day |
4a |
675-7896
|
ACTUATOR, GOVNR, GAS/LPG/DSL [SF-1] (Tennant Industrial) |
$2,466.16
|
1 |
|
usually ships 10-13 days |
4b |
575-3285
|
VR, BEARING, ACTUATOR [SF1, PN] (Tennant Industrial) |
$40.51
|
2 |
(gasoline) |
usually ships 10-13 days |
5 |
175-2524
|
Plated stud |
$11.99
|
2 |
|
usually ships 1-5 days |
6 |
375-3767
|
Carburetor air horn gasket (Tennant Industrial) |
$9.50
|
1 |
(gasoline) |
usually ships 10-13 days |
7 |
575-1724
|
ARM, CNTRL, THROTTLE, 1.1 .25H .26H (Tennant Industrial) |
$45.01
|
1 |
|
usually ships 10-13 days |
8 |
675-2683
|
ARM, CNTRL, THROTTLE, 1.8 .38H .26H [3] (Tennant Industrial) |
$444.09
|
1 |
|
usually ships 10-13 days |
9 |
375-2129
|
Throttle control rod (OBSOLETE) |
Call for price
|
1 |
|
usually ships 10-13 days |
10 |
175-3302
|
Balljoint 1/4-28 |
$10.01
|
1 |
|
usually ships 10-13 days |
11 |
375-2130
|
.25-28 balljoint female body (OBSOLETE) |
Call for price
|
1 |
|
usually ships 10-13 days |
12 |
475-9201
|
STUD, BALL, .25D .25-16, BALLJOINT (Tennant Industrial) |
$9.00
|
1 |
|
usually ships 10-13 days |
13 |
375-3826
|
Solution hose (Tennant Industrial) |
$43.75
|
1 |
|
usually ships 10-13 days |
14 |
175-0199
|
Hose clamp |
$7.15
|
2 |
|
usually ships 10-13 days |
15 |
275-3885
|
HOSE, HEATER, E90, 0.62ID, 24.0 4.0 (Tennant Industrial) |
$61.68
|
1 |
(gasoline) |
usually ships 1-5 days |
16 |
175-0199
|
Hose clamp |
$7.15
|
2 |
(gasoline) |
usually ships 10-13 days |
17 |
375-3835
|
Ignition control (Tennant Industrial) |
$2,842.34
|
1 |
(gasoline) |
usually ships 10-13 days |
18 |
375-0754
|
Vacuum hose (Tennant Industrial) |
$27.34
|
1 |
(gasoline) |
usually ships 10-13 days |
19 |
275-0303
|
CABLE, CNTRL, 34.0L, 10-32/ NONE (Tennant Industrial) |
$137.03
|
1 |
(gasoline) |
usually ships 1-5 days |
20 |
375-3770
|
Compression spring (Tennant Industrial) |
$29.34
|
1 |
(gasoline) |
usually ships 10-13 days |
21a |
375-3773
|
Carburetor (Tennant Industrial) |
$2,426.18
|
1 |
(gasoline) (includes 21b) |
usually ships 10-13 days |
21b |
375-3774
|
Carb repair kit (Tennant Industrial) |
$210.88
|
1 |
(gasoline) |
usually ships 10-13 days |
22 |
575-9467
|
SHIELD, DRIP (Tennant Industrial) |
$173.68
|
1 |
(gasoline) |
usually ships 10-13 days |
23 |
375-3768
|
Gas carburetor elbow adaptor (Tennant Industrial) |
$650.30
|
1 |
(gasoline) |
usually ships 10-13 days |
24 |
475-8721
|
NUT, WING, .25-20 (Tennant Industrial) |
$4.84
|
1 |
(gasoline) (before SN 006261) |
usually ships 10-13 days |
25 |
375-2131
|
Carburetor air horn stud (OBSOLETE) |
Call for price
|
1 |
(gasoline) (before SN 006261) |
usually ships 10-13 days |
26 |
475-9455
|
WASHER, FLAT, 0.19B 1.00D .10, RBR (Tennant Industrial) |
$8.50
|
1 |
(gasoline) (before SN 006261) |
usually ships 10-13 days |
27 |
175-8945
|
Washer 9/32 x 5/8 x 1/16 nylon |
$3.17
|
1 |
(gasoline) (after SN 006260) |
usually ships 1-5 days |
28a |
675-6525
|
CARBURETOR, LPG (Tennant Industrial) |
$1,080.05
|
1 |
(LPG) (includes 28b-32) |
usually ships 10-13 days |
28b |
675-4708
|
CARB KIT, REPAIR (Tennant Industrial) |
$560.95
|
1 |
(LPG) |
usually ships 10-13 days |
29 |
375-3777
|
E90 fitting (Tennant Industrial) |
$259.35
|
1 |
(LPG) |
usually ships 10-13 days |
30 |
375-3545
|
Fitting (Tennant Industrial) |
$136.03
|
1 |
(LPG) |
usually ships 10-13 days |
31 |
375-3824
|
Carb gasket (Tennant Industrial) |
$7.33
|
1 |
(LPG) |
usually ships 10-13 days |
32 |
375-3779
|
Carb fitting (Tennant Industrial) |
$11.00
|
1 |
(LPG) |
usually ships 10-13 days |
N/S |
175-3594
|
Hose clamp |
$5.28
|
1 |
(LPG) |
usually ships 10-13 days |