| # | Part | Description | Price | Req | Notes | Availability |
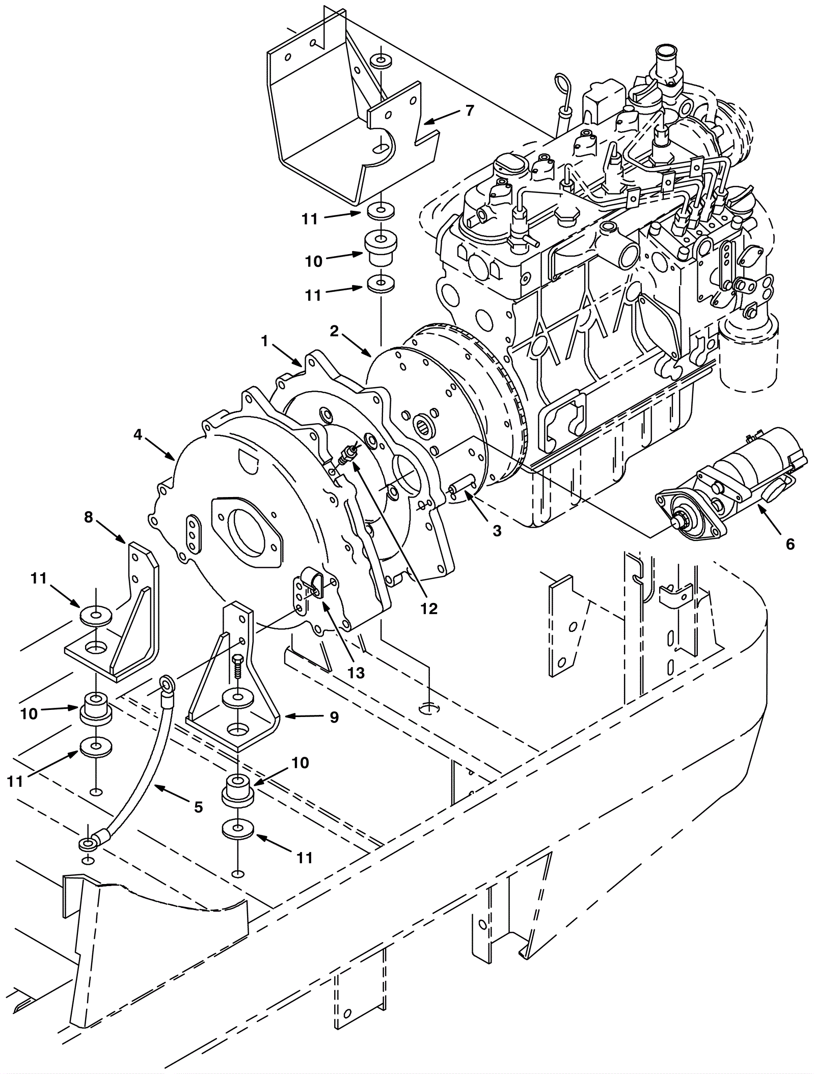
1 |
375-3474
|
Flywheel housing adapter (Tennant Industrial) |
$454.26
|
1 |
(diesel) |
usually ships 10-13 days |
2 |
375-9140
|
Drive coupling (Tennant Industrial) |
$458.43
|
1 |
|
usually ships 10-13 days |
3 |
275-7507
|
DOWEL, CY. BLOCK TO FLYWHL HSG (Tennant Industrial) |
$30.84
|
2 |
|
usually ships 1-5 days |
4a |
375-3475
|
Flywheel housing (Tennant Industrial) |
$1,043.88
|
1 |
(diesel) |
usually ships 10-13 days |
4b |
375-2324
|
Housing kit (OBSOLETE) |
Call for price
|
1 |
(gas/LPG) (before SN 006896) |
usually ships 10-13 days |
4c |
275-7511
|
HOUSING, FLYWHEEL (Tennant Industrial) |
$555.28
|
1 |
(gas/LPG) (after SN 006895) |
usually ships 1-5 days |
5 |
275-7512
|
WIRE ASSEMBLY (Tennant Industrial) |
$30.34
|
1 |
|
usually ships 1-5 days |
6a |
375-3473
|
12V stater motor (Tennant Industrial) |
$4,097.32
|
1 |
(diesel) (before SN 006026) |
usually ships 10-13 days |
6b |
375-3473
|
12V stater motor (Tennant Industrial) |
$4,097.32
|
1 |
(diesel) (before SN 006025) |
usually ships 10-13 days |
6c |
375-2323
|
Starter kit (OBSOLETE) |
Call for price
|
1 |
(gas/LPG) (before SN 006896) |
usually ships 10-13 days |
6d |
275-8505
|
STARTER, ENG, 1.8HP [FD] (Tennant Industrial) |
$2,116.76
|
1 |
(gas/LPG) (after SN 006895) |
usually ships 1-5 days |
7a |
575-9392
|
BRACKET WLDT, MTG, ENG, FRONT, KUBO (Tennant Industrial) |
$131.93
|
1 |
(diesel) |
usually ships 10-13 days |
7b |
275-7515
|
BRACKET WLDT, ENGINE (Tennant Industrial) |
$196.89
|
1 |
(gas/LPG) |
usually ships 1-5 days |
8 |
375-2310
|
Right side engine mounting bracket (OBSOLETE) |
Call for price
|
1 |
|
usually ships 10-13 days |
9 |
275-7517
|
BRACKET, MOUNTING, ENG, REAR LH (Tennant Industrial) |
$83.67
|
1 |
|
usually ships 1-5 days |
10 |
175-6823
|
ISOLATOR, VIB, .50D (Tennant Industrial) |
$59.68
|
3 |
|
usually ships 1-5 days |
11 |
175-3470
|
Washer .53b 1.88d .12 steel plated |
$5.28
|
6 |
|
usually ships 10-13 days |
12 |
675-4765
|
MAGNET, PICKUP (Tennant Industrial) |
$770.82
|
1 |
(diesel) |
usually ships 10-13 days |
13 |
175-2108
|
P clamp |
$5.15
|
1 |
|
usually ships 1-5 days |
NS |
275-7508
|
RING, LOCATING, STARTER (Tennant Industrial) |
$104.21
|
1 |
(gas/LPG) |
usually ships 1-5 days |
NS |
175-2122
|
90 degree cable boot |
$5.28
|
1 |
(gas/LPG) |
usually ships 10-13 days |