| # | Part | Description | Price | Req | Notes | Availability |
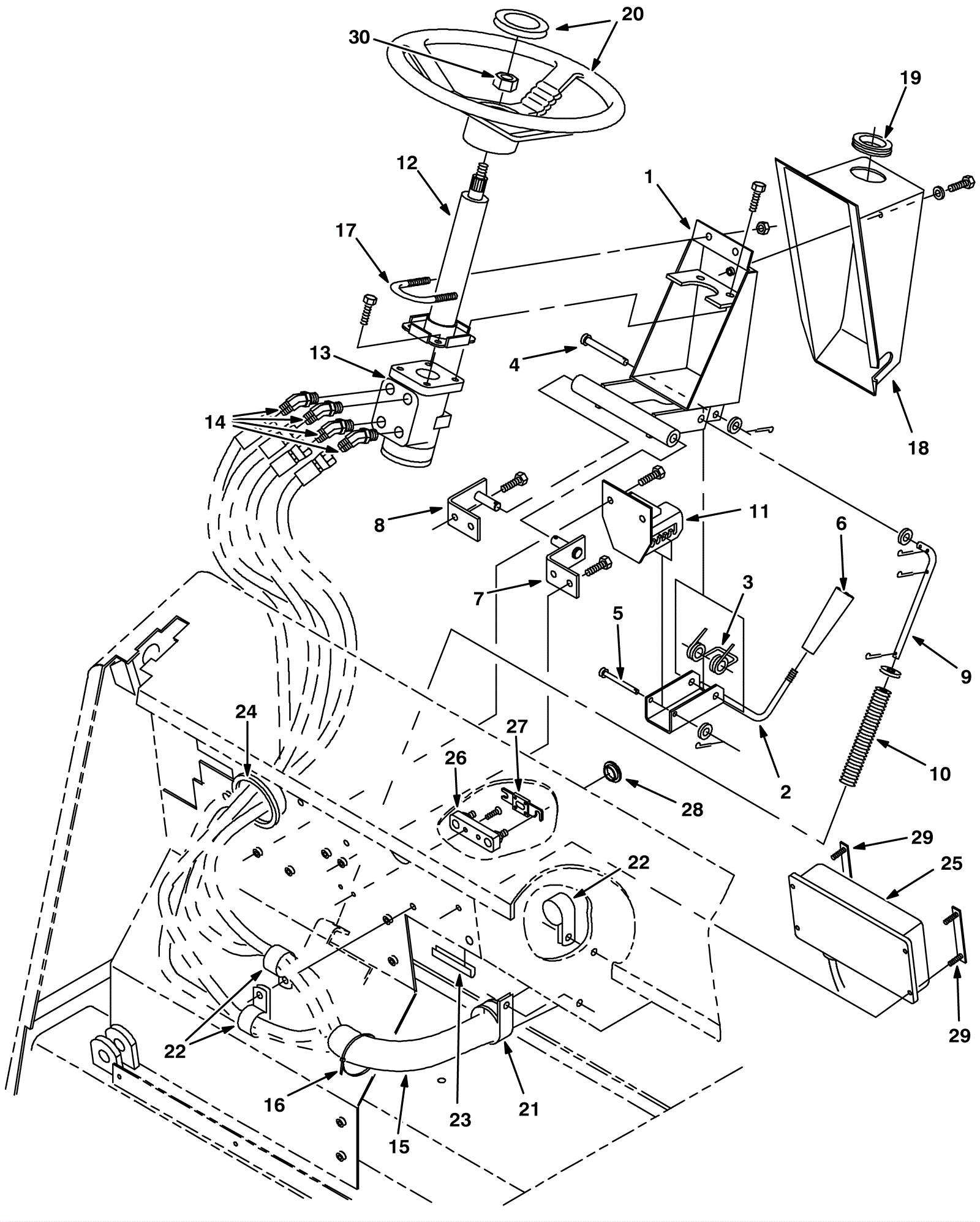
1 |
275-3968
|
BRACKET WLDT, VALVE (Tennant Industrial) |
$501.17
|
1 |
|
usually ships 1-5 days |
2 |
275-3970
|
LEVER WLDT, TILT (Tennant Industrial) |
$70.98
|
1 |
|
usually ships 1-5 days |
3 |
275-3971
|
SPRING, TORS, 0.54ID .11WIR 06.0COIL (Tennant Industrial) |
$10.67
|
1 |
|
usually ships 1-5 days |
4 |
173-1595
|
Clevis pin (OBSOLETE) |
$4.88
|
1 |
|
usually ships 10-13 days |
5 |
175-0799
|
PIN, CLEVIS, 0.25D X 2.44L (Tennant Industrial) |
$6.67
|
1 |
|
usually ships 10-13 days |
6 |
175-0570
|
KNOB, 1.12D 3.88L M08 X 1.25, PLSTC[TPR] (Tennant Industria |
$21.67
|
1 |
|
usually ships 1-5 days |
7 |
275-3975
|
BRACKET WLDT, MTG, STEERING (Tennant Industrial) |
$47.51
|
1 |
|
usually ships 1-5 days |
8 |
275-3974
|
BRACKET WLDT, MTG, STEERING (Tennant Industrial) |
$47.01
|
1 |
|
usually ships 1-5 days |
9 |
275-3972
|
ROD, L (Tennant Industrial) |
$35.01
|
1 |
|
usually ships 1-5 days |
10 |
275-3976
|
SPRING, CMPR, 0.970D .11WIR 05.5L (Tennant Industrial) |
$20.84
|
1 |
|
usually ships 10-13 days |
11 |
275-3973
|
BRACKET WLDT, STEERING, NTCH (Tennant Industrial) |
$171.20
|
1 |
|
usually ships 1-5 days |
12 |
675-3157
|
COLUMN, STEERING, 08.0L .81D 36TOOTH (Tennant Industrial) |
$274.88
|
1 |
|
usually ships 10-13 days |
13a |
275-4093
|
STEER-CONTROL, HYD04, 05.9 0600 (Tennant Industrial) |
$2,632.59
|
1 |
(before SN 005899) |
usually ships 10-13 days |
13b |
275-4093
|
STEER-CONTROL, HYD04, 05.9 0600 (Tennant Industrial) |
$2,632.59
|
1 |
(after SN 005898) |
usually ships 10-13 days |
14 |
375-0678
|
Hydraulic fitting (Tennant Industrial) |
$34.51
|
4 |
|
usually ships 1-5 days |
15 |
575-4447
|
SLEEVE, NYL, 2.38ID 30.0L (Tennant Industrial) |
$46.34
|
1 |
|
usually ships 10-13 days |
16 |
175-2202
|
Nylon wire tie |
$4.49
|
3 |
|
ships same day |
17 |
475-8683
|
BOLT, U (Tennant Industrial) |
$6.18
|
1 |
|
usually ships 10-13 days |
18 |
675-0049
|
COVER, STEERING (Tennant Industrial) |
$196.54
|
1 |
|
usually ships 10-13 days |
19 |
275-0543
|
Rubber grommet |
$6.27
|
1 |
|
usually ships 1-5 days |
20 |
375-2308
|
14.0 diameter steering wheel (OBSOLETE) |
Call for price
|
1 |
|
usually ships 10-13 days |
21 |
375-2118
|
Cable clamp (OBSOLETE) |
Call for price
|
1 |
|
usually ships 10-13 days |
22 |
175-5314
|
P clamp (Tennant Industrial) |
$6.67
|
3 |
|
usually ships 10-13 days |
23 |
275-8203
|
Molding |
$48.40
|
1 |
|
usually ships 1-5 days |
24 |
275-8203
|
Molding |
$48.40
|
1 |
|
usually ships 1-5 days |
25a |
675-8431
|
CONTROLBOX, GOVNR [14 (Tennant Industrial) |
$3,645.11
|
1 |
(diesel) |
usually ships 10-13 days |
25b |
675-8301
|
CONTROLBOX, GOVNR [1350/2000/2400] (Tennant Industrial) |
$2,242.81
|
1 |
(gas) |
usually ships 10-13 days |
26 |
575-8869
|
FUSEHOLDER, 600A MAX 1-FUSE 300VOLT (Tennant Industrial) |
$165.37
|
1 |
|
usually ships 10-13 days |
27 |
175-3238
|
Fuse |
$68.75
|
1 |
|
usually ships 10-13 days |
28 |
175-6741
|
PLUG, HOLE, RND, 1.00H .00-.17, BLK NYL (Tennant Industrial |
$8.00
|
1 |
|
usually ships 1-5 days |
29 |
375-3823
|
Plate (Tennant Industrial) |
$40.51
|
2 |
|
usually ships 10-13 days |
30 |
275-2813
|
NUT, HEX, JAM, M20 X 1.5 (Tennant Industrial) |
$9.84
|
1 |
|
usually ships 1-5 days |