| # | Part | Description | Price | Req | Notes | Availability |
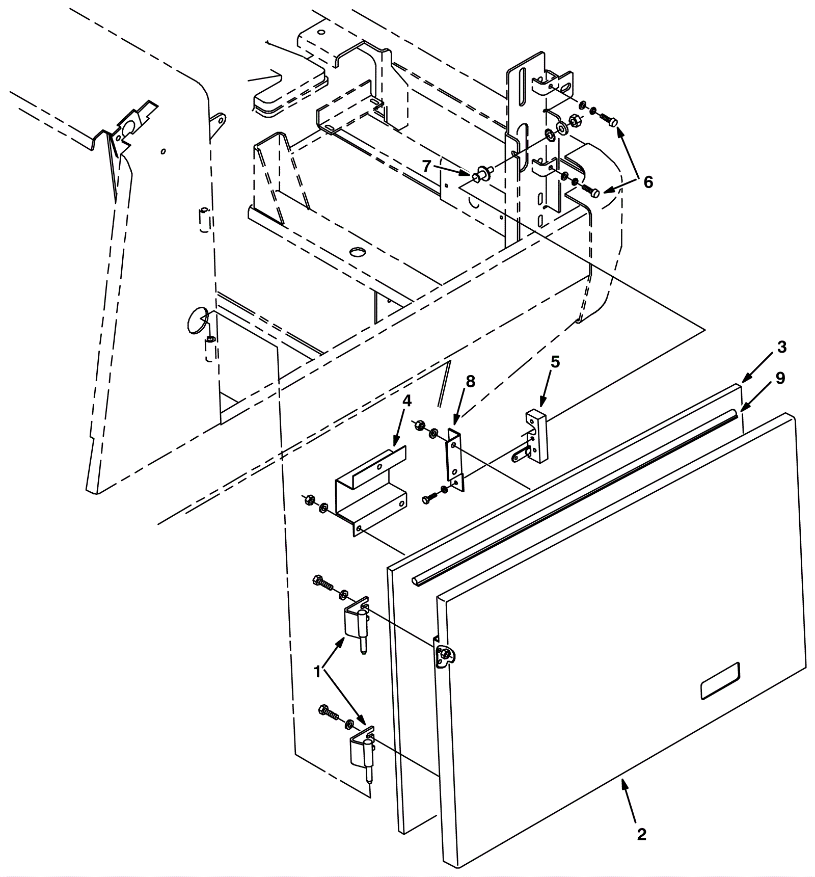
1 |
575-6680
|
HINGE WLDT, DOOR, SIDE (Tennant Industrial) |
$72.14
|
2 |
|
usually ships 10-13 days |
2 |
675-5797
|
DOOR WLDT, ENG, SIDE (Tennant Industrial) |
$1,085.38
|
1 |
|
usually ships 10-13 days |
3 |
675-1496
|
INSULATION, ACSTC, 1.0, 36.3 X 23.5 NTCH (Tennant Industrial |
$302.89
|
1 |
|
usually ships 10-13 days |
4 |
575-4135
|
BRACKET, DOOR (Tennant Industrial) |
$62.01
|
1 |
|
usually ships 10-13 days |
5 |
275-8661
|
LATCH (Tennant Industrial) |
$108.52
|
1 |
|
usually ships 1-5 days |
6 |
275-2965
|
SPINDLE, ADJUSTMENT (Tennant Industrial) |
$13.34
|
2 |
|
usually ships 1-5 days |
7 |
575-0295
|
LATCH, BOLT, ENG SIDE DOOR (Tennant Industrial) |
$14.84
|
1 |
|
usually ships 10-13 days |
8 |
575-2211
|
BRACKET, LATCH, DOOR (Tennant Industrial) |
$33.84
|
1 |
|
usually ships 10-13 days |
9 |
275-7427
|
SEAL, BULB (Tennant Industrial) |
$175.20
|
1 |
|
usually ships 1-5 days |