| # | Part | Description | Price | Req | Notes | Availability |
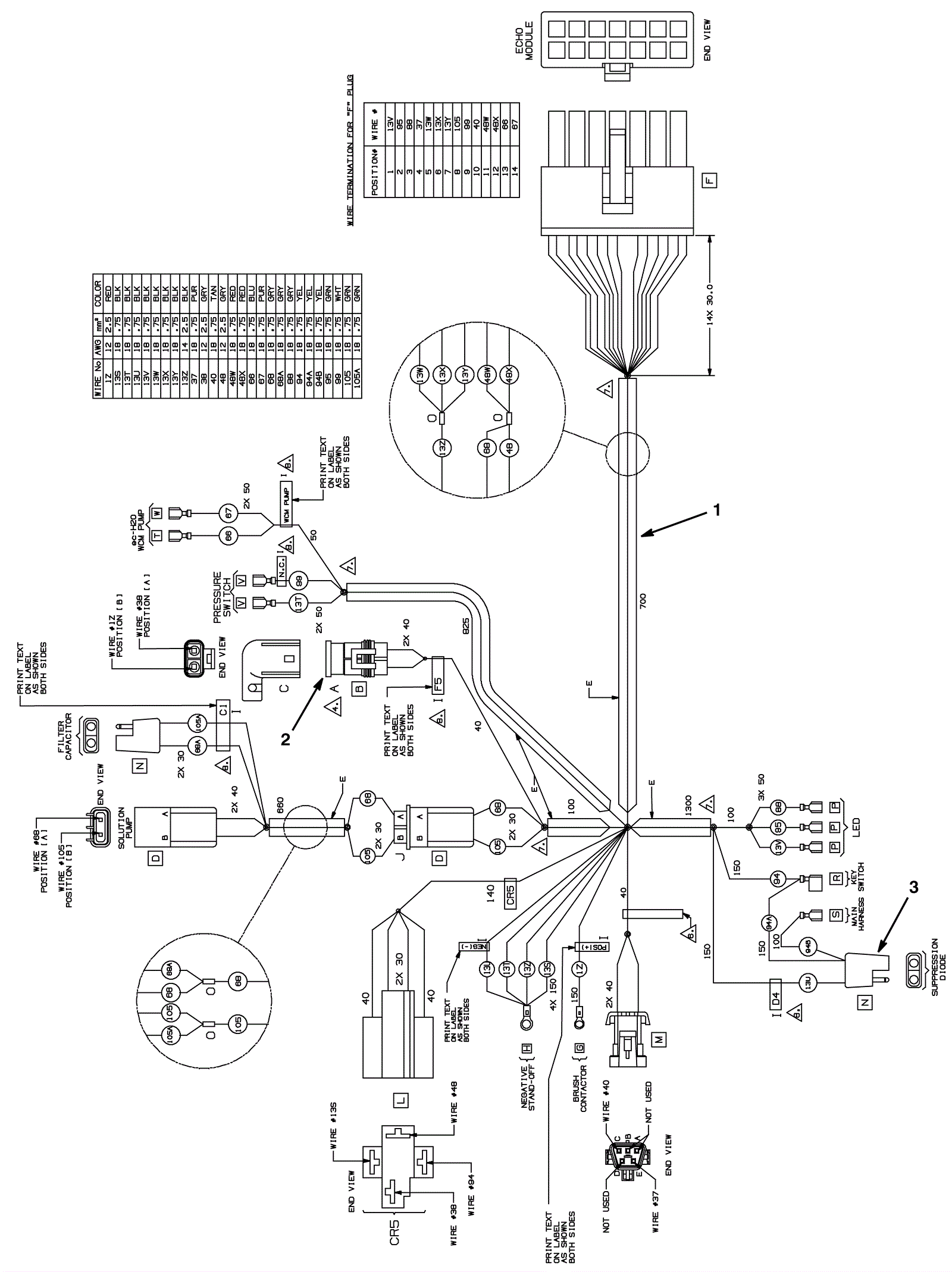
1 |
375-1305
|
ec-H2O Nanoclean wire harness |
$165.99
|
1 |
(Includes items 2 and 3) (Serial numbers 10740996-20000000 and 30045419-40000000) |
usually ships 10-13 days |
2 |
275-5885
|
10amp fuse |
$3.30
|
1 |
|
usually ships 10-13 days |
3 |
175-2216
|
Diode plug |
$14.19
|
1 |
|
usually ships 10-13 days |