T5 E
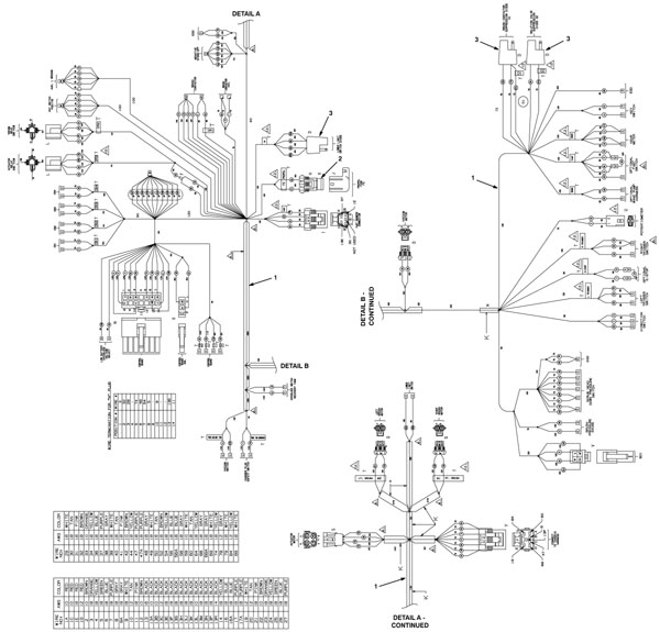
Wire Harness Group - Main - 10000000-10722198, 30000000-40000000, and 50000000-60000000
Click to enlarge
#
Part
Description
Price
Req
Notes
Availability
1
275-6274
Main harness
$637.23
1
(Includes item 2)
usually ships 10-13 days
2
175-8108
30amp fuse (Tennant Industrial)
$9.84
1
ships same day
3
175-2216
Diode plug
$14.19
3
usually ships 10-13 days