# | Part | Description | Price | Req | Notes | Availability |
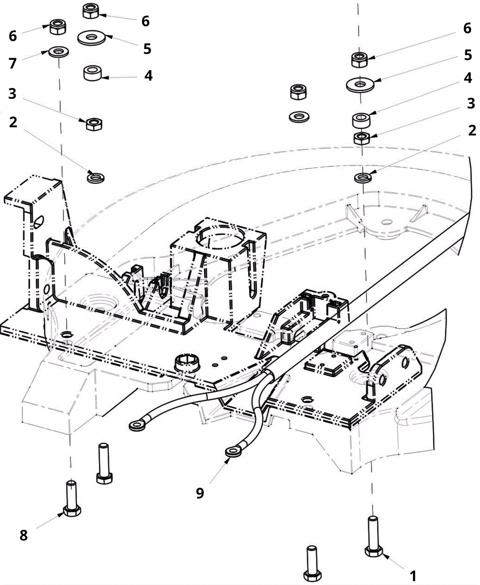
1 |
375-9722
|
Screw M8 x 30 |
$4.36
|
2 |
|
usually ships 10-13 days |
2 |
375-9732
|
Washer D8 |
$3.17
|
2 |
|
usually ships 10-13 days |
3 |
375-5360
|
Nut M8 thin hex |
$30.69
|
2 |
|
usually ships 10-13 days |
4 |
375-5556
|
Spacer |
$2.90
|
2 |
|
usually ships 10-13 days |
5 |
375-9615
|
Washer D. 8 x 24 inox |
$3.17
|
2 |
|
ships same day |
6 |
999-1651
|
Nut M8-1 hex stainless steel |
$2.83
|
4 |
|
ships same day |
7 |
375-9652
|
Washer D. 8 inox |
$3.17
|
2 |
|
usually ships 10-13 days |
8 |
375-9703
|
Screw M8 x 25 inox |
$4.36
|
2 |
|
usually ships 10-13 days |
9 |
375-5557
|
Motor harness |
$14.08
|
1 |
|
usually ships 10-13 days |