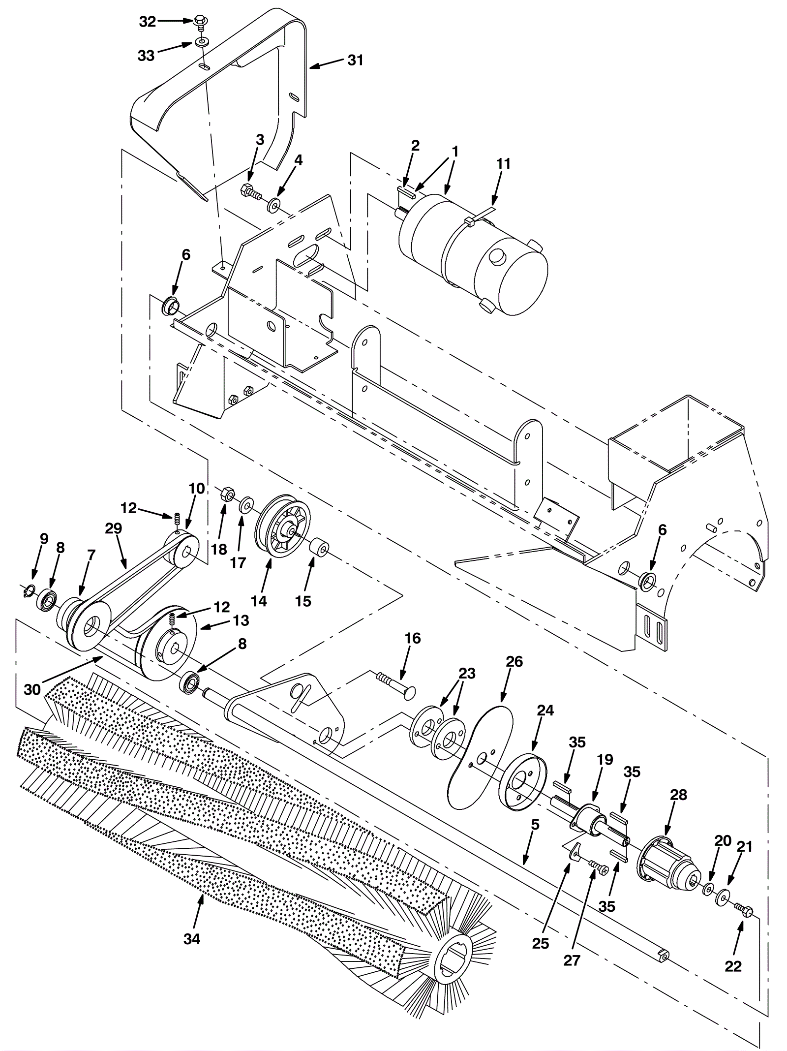
| # | Part | Description | Price | Req | Notes | Availability |
1a |
275-0079
|
36V .6hp electric motor |
$925.21
|
1 |
(includes 2) (before SN 016273) (replaced by 1b) |
usually ships 10-13 days |
1b |
275-7231
|
36V .6hp electric motor |
$573.76
|
1 |
(includes 2) (after SN 016272) |
ships same day |
2 |
275-0192
|
Square key |
$4.36
|
1 |
|
usually ships 1-5 days |
3 |
999-0499
|
Bolt M8-1.25 x 20mm hex head full thread stainless steel |
$1.85
|
4 |
|
ships same day |
4 |
999-1407
|
Washer 5/16 belleville |
$3.04
|
4 |
|
ships same day |
5 |
275-0081
|
Main drive brush arm weldment |
$238.04
|
1 |
|
usually ships 1-5 days |
6 |
275-0082
|
Flange bushing .5b .59d .38l |
$11.00
|
2 |
|
usually ships 1-5 days |
7 |
275-0083
|
2 groove sheave 1.9/3pd 1.3b |
$142.56
|
1 |
|
usually ships 10-13 days |
8 |
175-2471
|
Ball bearing |
$20.68
|
2 |
|
ships same day |
9 |
175-2472
|
Retaining ring |
$3.30
|
1 |
|
usually ships 10-13 days |
10 |
275-0084
|
1 groove sheave 1.9pd .62b |
$83.82
|
1 |
|
usually ships 1-5 days |
11 |
275-0080
|
TIE, CABLE, NYL, 15.3L . W 4.5 MAX D (Tennant Industrial) |
$5.67
|
1 |
|
usually ships 1-5 days |
12 |
275-0086
|
Screw M6-1 x 16 set socket head |
$5.50
|
4 |
|
usually ships 1-5 days |
13 |
275-0087
|
1 groove sheave 4.5pd .62b |
$180.18
|
1 |
|
usually ships 1-5 days |
14 |
275-0088
|
PULLEY, IDLER W/ BEARING, PLSTC (Tennant Industrial) |
$92.02
|
1 |
|
usually ships 10-13 days |
15 |
275-0089
|
Steel plated round tube .88d .38b .7l |
$27.83
|
1 |
|
usually ships 1-5 days |
16 |
275-0090
|
BOLT, CARRIAGE, .38-16 X 2.50, 5 (Tennant Industrial) |
$4.17
|
1 |
|
usually ships 1-5 days |
17 |
999-0355
|
Washer 3/8 x 7/8 SAE flat stainless steel |
$0.99
|
1 |
|
ships same day |
18 |
999-0513
|
Nut 3/8-16 nylon insert lock type NE stainless steel |
$3.96
|
1 |
|
ships same day |
19 |
275-0091
|
BEARING ASSY, W/ SHAFT (Tennant Industrial) |
$543.08
|
1 |
|
usually ships 10-13 days |
20 |
275-0092
|
Washer 1/4 flat belleville |
$4.36
|
1 |
|
usually ships 10-13 days |
21 |
275-0093
|
WASHER, FLAT, 0.28B 1.00D .06, STL (Tennant Industrial) |
$5.00
|
1 |
|
usually ships 10-13 days |
22 |
999-0507
|
Bolt M6-1 x 16mm hex head full thread plain finish |
$0.99
|
1 |
|
ships same day |
23 |
275-0094
|
Brush arm spacer |
$13.31
|
2 |
|
usually ships 10-13 days |
24 |
275-0095
|
SHIELD, PLUG, DRIVE (Tennant Industrial) |
$108.36
|
1 |
|
usually ships 10-13 days |
25 |
275-0096
|
PLATE, HOLD-DOWN (Tennant Industrial) |
$13.84
|
2 |
|
usually ships 1-5 days |
26 |
275-7230
|
Dust seal plate (Tennant Industrial) |
$26.84
|
1 |
|
usually ships 1-5 days |
27 |
175-3219
|
SCREW, PAN, PHL, M6 X 1.00 X 25, 4.8 (Tennant Industrial) |
$5.50
|
2 |
|
usually ships 1-5 days |
28 |
275-0098
|
PLUG, DRIVE, BRUSH, NYL (Tennant Industrial) |
$32.51
|
1 |
|
usually ships 10-13 days |
29 |
275-0099
|
V belt 24l |
$18.70
|
1 |
|
usually ships 1-5 days |
30 |
275-0100
|
V belt 29.3l |
$21.78
|
1 |
|
usually ships 1-5 days |
31 |
275-0101
|
Belt guard |
$178.64
|
1 |
|
usually ships 1-5 days |
32 |
175-3298
|
Bolt M6-1 x 12mm hex head |
$4.49
|
2 |
|
ships same day |
33 |
999-0335
|
Washer 1/4 x 5/8 SAE flat stainless steel |
$0.99
|
2 |
|
ships same day |
34 |
275-0102
|
Polypropylene sweeper brush |
$501.05
|
1 |
|
usually ships 1-5 days |
35 |
275-0085
|
Square key .19 x .19 1.25l |
$4.36
|
3 |
|
usually ships 10-13 days |