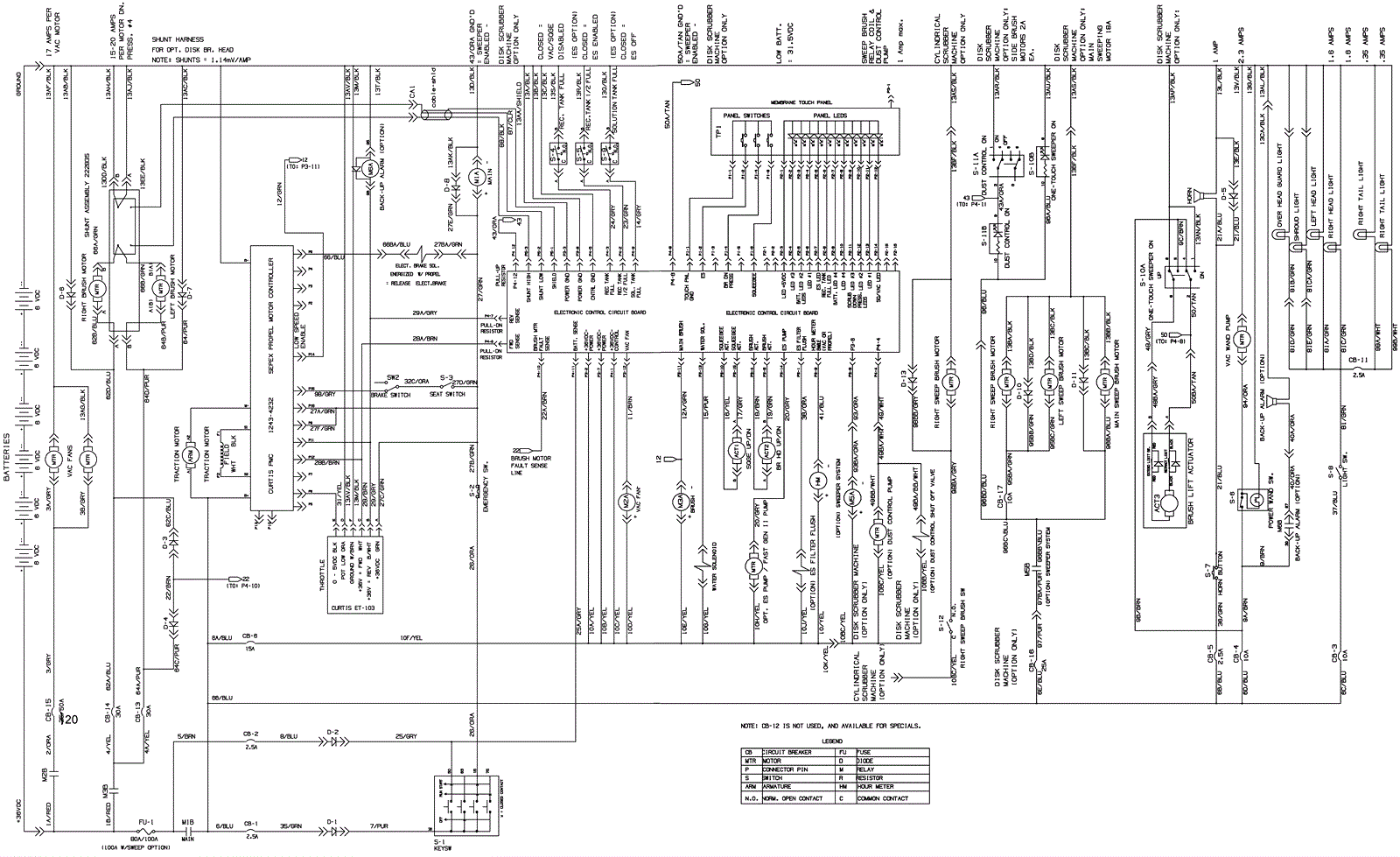
Electrical Diagram - After SN 015999
Click to enlarge