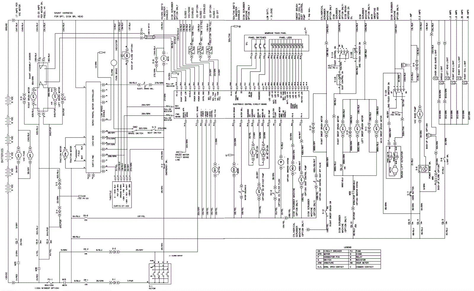
Electrical Diagram - Before SN 016000
Click to enlarge