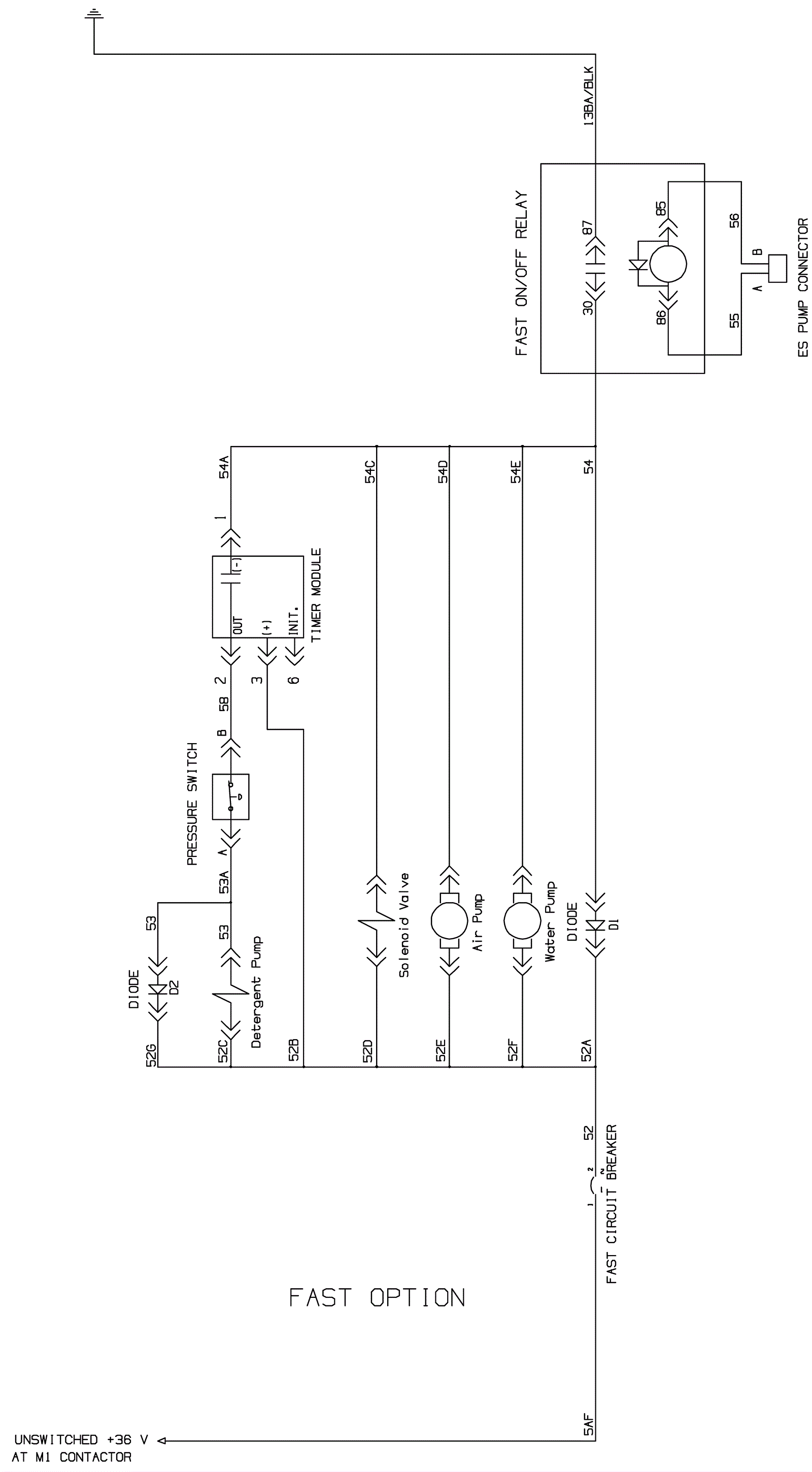
FaST Electrical Diagram - Before SN 015438
Click to enlarge