| # | Part | Description | Price | Req | Notes | Availability |
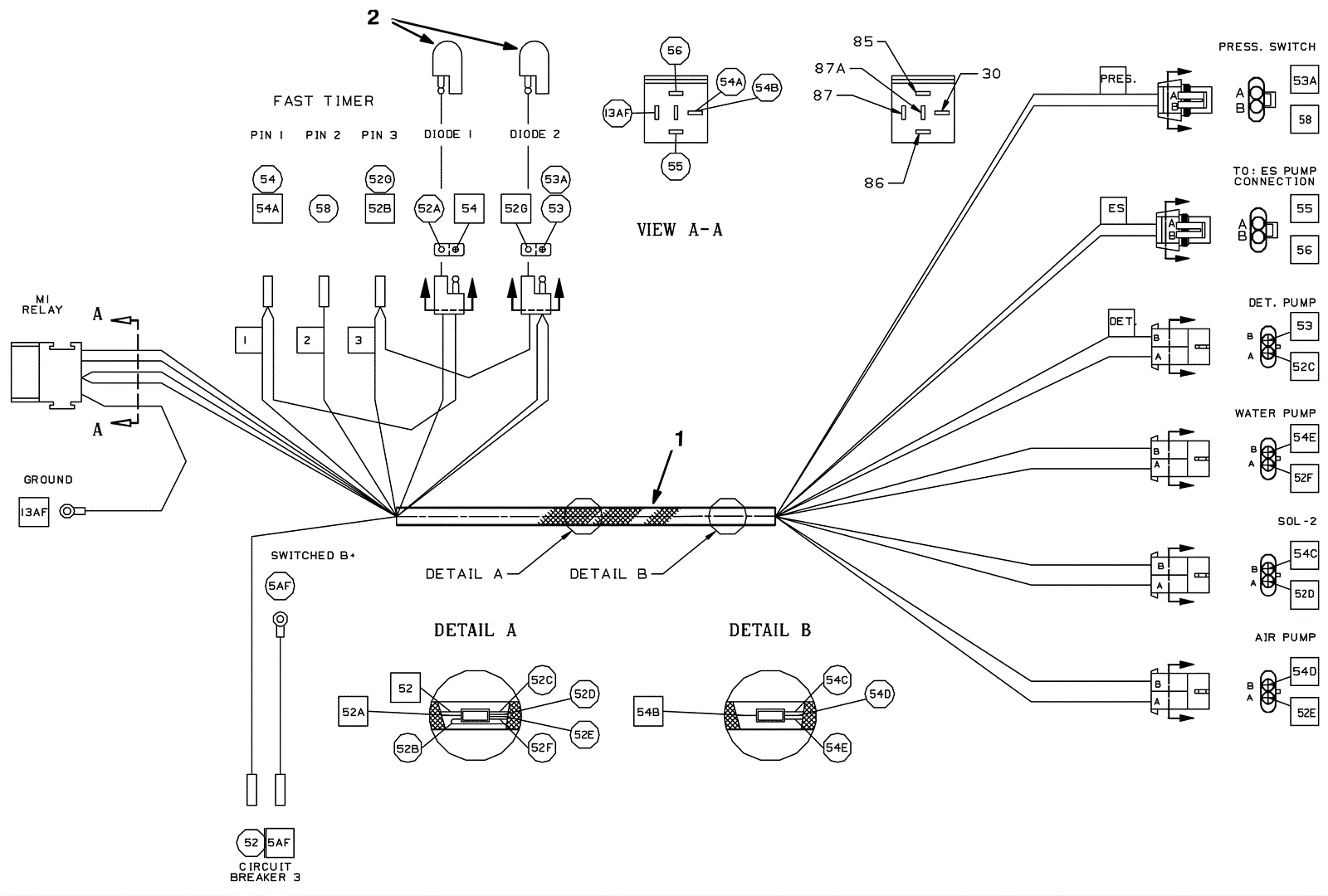
1a |
175-9709
|
Harness |
$239.91
|
1 |
(before SN 015438) |
usually ships 1-5 days |
1b |
275-7172
|
Harness (Tennant Industrial) |
$86.01
|
1 |
(after SN 015437) |
usually ships 1-5 days |
2 |
175-2216
|
Diode plug |
$14.19
|
2 |
(before SN 015438) |
usually ships 10-13 days |