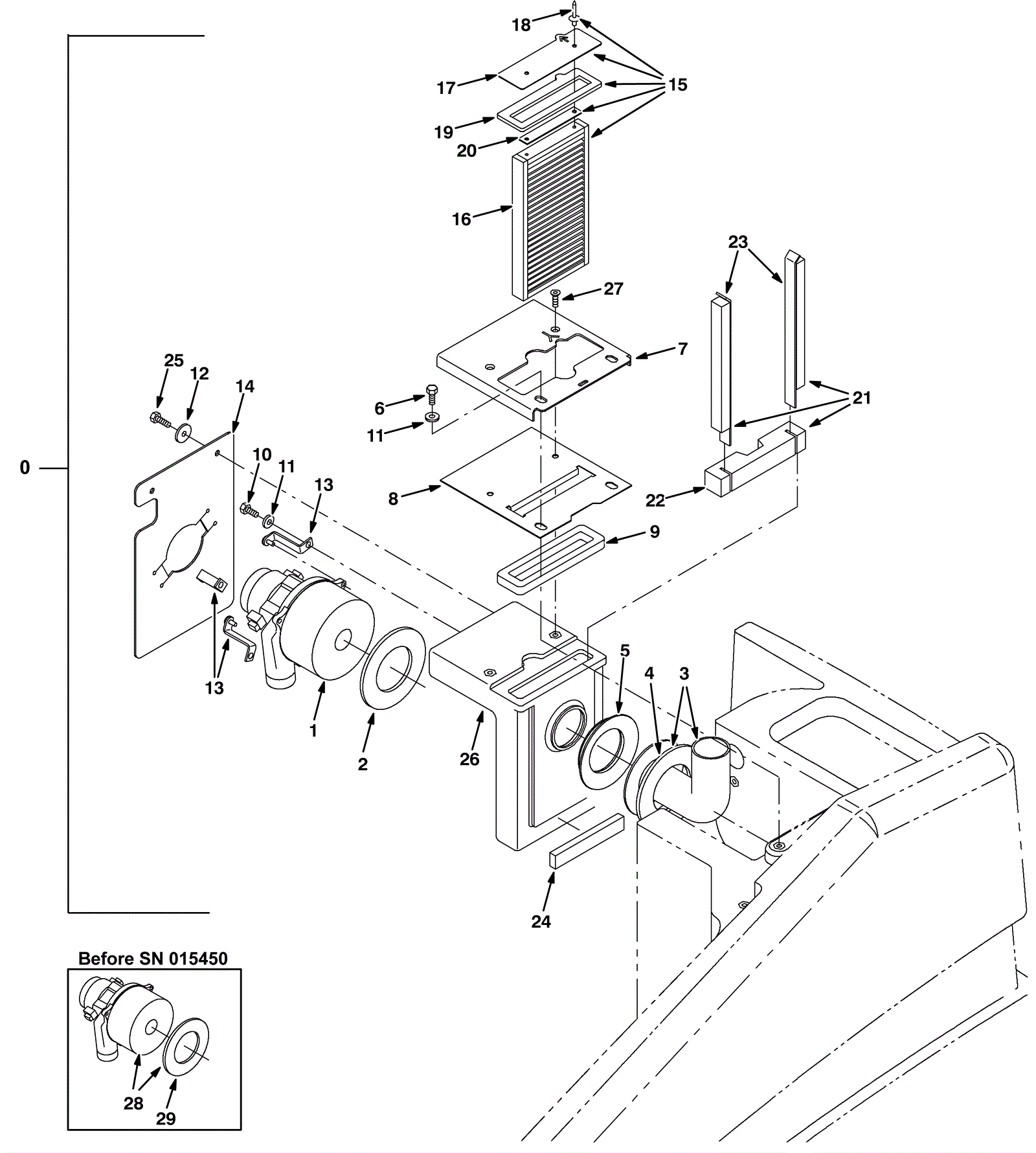
| # | Part | Description | Price | Req | Notes | Availability |
0 |
275-7146
|
VACFAN KIT, SGL, CI [T15] |
$2,306.79
|
1 |
(includes 1-27) |
usually ships 10-13 days |
1b |
275-5816
|
Carbon brush kit (pkg of 2) |
$33.11
|
1 |
(after SN 015449) |
usually ships 10-13 days |
1c |
175-6954
|
Cooling fan cover |
$20.46
|
1 |
(after SN 015449) |
usually ships 10-13 days |
2 |
175-4200
|
SEAL, RBR, CLSD, 0.375, 5.0D 2.5H (Tennant Industrial) |
$10.67
|
1 |
(after SN 015449) |
usually ships 10-13 days |
3 |
275-9873
|
Elbow duct kit (Tennant Industrial) |
$267.03
|
1 |
(includes 4) |
usually ships 1-5 days |
4 |
164-0881
|
Vacuum motor gasket |
$15.64
|
1 |
|
ships same day |
5 |
175-9558
|
Fan seal |
$24.86
|
1 |
|
usually ships 10-13 days |
6 |
999-0784
|
Screw M8-1.25 x 16mm hex head stainless steel |
$1.74
|
2 |
|
ships same day |
7 |
275-7161
|
Demister bracket (Tennant Industrial) |
$123.52
|
1 |
|
usually ships 1-5 days |
8 |
275-7162
|
Demister bracket (Tennant Industrial) |
$83.68
|
1 |
|
usually ships 1-5 days |
9 |
175-9562
|
Demister seal |
$14.19
|
1 |
|
usually ships 10-13 days |
10 |
999-0783
|
Screw M8-1.25 x 16mm hex head |
$0.99
|
3 |
|
ships same day |
11 |
999-9097
|
Washer M8 flat stainless steel |
$0.99
|
5 |
|
ships same day |
12 |
999-0549
|
Washer 5/16 x 3/4 SAE flat stainless steel |
$0.99
|
2 |
|
ships same day |
13 |
175-9563
|
Vacuum fan mounting bracket |
$32.89
|
3 |
|
usually ships 10-13 days |
14 |
175-9564
|
Fan motor skirt |
$33.00
|
1 |
|
usually ships 10-13 days |
15 |
175-9565
|
Panel filter assembly |
$107.91
|
1 |
(includes 16-20) |
usually ships 10-13 days |
16 |
175-9566
|
Scrubber panel filter |
$99.11
|
1 |
|
usually ships 10-13 days |
17 |
275-7163
|
Top plate (Tennant Industrial) |
$20.00
|
1 |
|
usually ships 10-13 days |
18 |
175-9568
|
Rivet 3/16-15/32 x 3/8 blind aluminum |
$5.50
|
2 |
|
usually ships 10-13 days |
19 |
175-9569
|
Filter seal |
$5.83
|
1 |
|
usually ships 10-13 days |
20 |
175-9570
|
Filter spacer plate |
$19.47
|
1 |
|
usually ships 10-13 days |
21 |
175-9571
|
Filter seal kit |
$85.47
|
1 |
(includes 22-23) |
usually ships 10-13 days |
22 |
175-9572
|
SEAL, RBR, CLSD, 1.41, DEMISTER (Tennant Industrial) |
$40.51
|
1 |
|
usually ships 1-5 days |
23 |
175-9573
|
SEAL ASSY, VACFAN (Tennant Industrial) |
$61.68
|
2 |
|
usually ships 1-5 days |
24 |
275-7164
|
Gasket (Tennant Industrial) |
$25.01
|
1 |
|
usually ships 1-5 days |
25 |
999-0499
|
Bolt M8-1.25 x 20mm hex head full thread stainless steel |
$1.85
|
2 |
|
ships same day |
26 |
175-9559
|
Demister tank |
$316.03
|
1 |
|
usually ships 10-13 days |
27 |
275-0434
|
Screw M8-1.25 x 16 flat head |
$7.92
|
2 |
|
usually ships 1-5 days |
28 |
275-5200
|
36V 3 stage vacuum motor kit |
$361.24
|
1 |
(includes 29) (before SN 015450) |
usually ships 3-26 days |
29 |
164-0881
|
Vacuum motor gasket |
$15.64
|
1 |
(before SN 015450) |
ships same day |