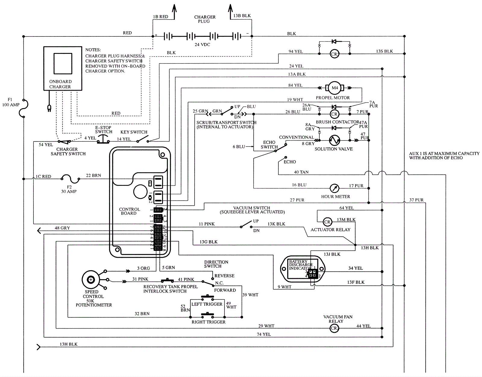
Electrical Diagram Standard, FaST, and ec-H2O Between SN 10740996-20000000
Click to enlarge